电脑桌面
添加小米粒文库到电脑桌面
安装后可以在桌面快捷访问

装修工程质量通病及整改措施

装修工程质量通病及整改措施_第1页
1/27
装修工程质量通病及整改措施_第2页
2/27
装修工程质量通病及整改措施_第3页
3/27
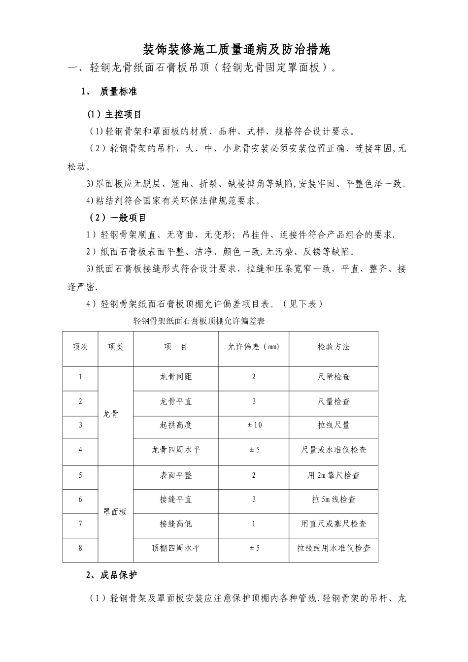
装饰装修施工质量通病及防治措施一、轻钢龙骨纸面石膏板吊顶(轻钢龙骨固定罩面板)。 1、 质量标准(1)主控项目(1)轻钢骨架和罩面板的材质、品种、式样、规格符合设计要求。(2)轻钢骨架的吊杆,大、中、小龙骨安装必须安装位置正确,连接牢固,无松动。3)罩面板应无脱层、翘曲、折裂、缺棱掉角等缺陷,安装牢固、平整色泽一致。4)粘结剂符合国家有关环保法律规范要求。(2)一般项目1)轻钢骨架顺直、无弯曲、无变形;吊挂件、连接件符合产品组合的要求.2)纸面石膏板表面平整、洁净、颜色一致.无污染、反锈等缺陷。3)纸面石膏板接缝形式符合设计要求,拉缝和压条宽窄一致,平直、整齐、接逢严密.4)轻钢骨架纸面石膏板顶棚允许偏差项目表。(见下表)轻钢骨架纸面石膏板顶棚允许偏差表 项次项类项 目允许偏差(mm)检验方法1龙骨龙骨间距2尺量检查2龙骨平直3尺量检查3起拱高度±10拉线尺量4龙骨四周水平±5尺量或水准仪检查5罩面板表面平整2用 2m 靠尺检查6接缝平直3拉 5m 线检查7接缝高低1用直尺或塞尺检查8顶棚四周水平±5拉线或用水准仪检查2、成品保护(1)轻钢骨架及罩面板安装应注意保护顶棚内各种管线.轻钢骨架的吊杆、龙骨不准固定在通风管道及其他设备上。(2)轻钢骨架、罩面板及其他吊顶材料在入场存放、使用过程中严格管理,保证不变形、不受潮、不生锈。(3)施工顶棚部位已安装的门窗,已施工完毕的地面、墙面、窗台等应注意保护,防止污损.(4)已装轻钢骨架不得上人踩踏;其他施工场地吊挂件,不得吊于轻钢骨架上。(5)为了保护成品,罩面板安装必须在棚内管道、试水、保温等一切工序全部验收后进行.3、质量记录(1)应做好隐蔽工程记录,技术交底记录.(2)轻钢龙骨、金属面板、硅胶等有材料合格证及国家有关环保法律规范要求的检测报告。(3)工程验收应有质量验评资料。4、石膏板吊顶质量通病及防治措施(1)质量通病:吊顶龙骨架不平整1)原因分析:A、墙壁面四周未弹标高控制线。B、吊杆或吊筋间距过大、吊筋不垂直,使龙骨受力不均匀。C、主龙骨与主吊挂、付龙骨与主龙骨没连接紧密.D、主龙骨不顺直。E、龙骨接关安装不平。F、横贯龙骨下料不对,过大或过小、或横撑龙骨截面切割产生的毛刺未处理平整。2)预防措施:A、施工前、根据设计标高,将房间的控制标高线弹出,尺寸准确.B、严格按法律规范要求,使吊筋的间距控制在 800—1100 之间,使主吊筋在一条直线上且每根均垂直.C、施工时,保持主龙骨与主吊挂件、付龙骨与...

1、当您付费下载文档后,您只拥有了使用权限,并不意味着购买了版权,文档只能用于自身使用,不得用于其他商业用途(如 [转卖]进行直接盈利或[编辑后售卖]进行间接盈利)。
2、本站所有内容均由合作方或网友上传,本站不对文档的完整性、权威性及其观点立场正确性做任何保证或承诺!文档内容仅供研究参考,付费前请自行鉴别。
3、如文档内容存在违规,或者侵犯商业秘密、侵犯著作权等,请点击“违规举报”。

碎片内容

装修工程质量通病及整改措施

您可能关注的文档

确认删除?
VIP
微信客服
  • 扫码咨询
会员Q群
  • 会员专属群点击这里加入QQ群
客服邮箱
回到顶部