电脑桌面
添加小米粒文库到电脑桌面
安装后可以在桌面快捷访问

01管道沟槽开挖

01管道沟槽开挖_第1页
1/36
01管道沟槽开挖_第2页
2/36
01管道沟槽开挖_第3页
3/36
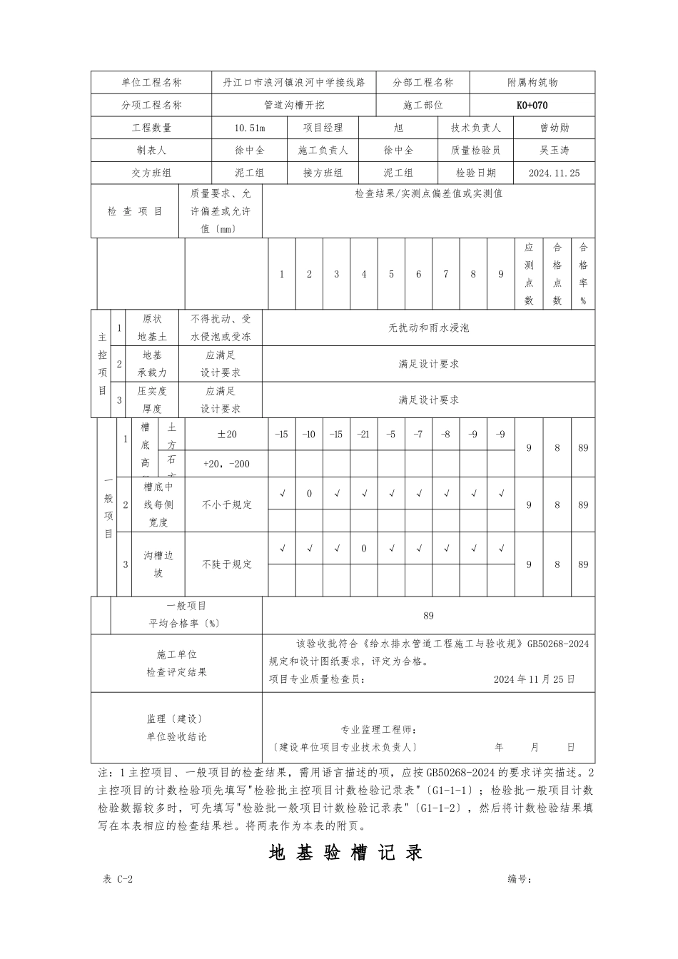
省建设监理规用表管道沟槽开挖报验申请表〔A4〕工程名称:丹江口市浪河镇狐音沟路、浪河中学接线路建设项目工程 编号:致:长江工程监理咨询〔〕监理单位我单位已完成了浪河中学接线路 K0+070 管道沟槽开挖 工作,现报上该工程报验申请表, 请予以审查和验收。附件:1、管道沟槽开挖与地基处理施工检验批质量验收记录表 2、地基验槽记录、 承包单位(章) 项目经理 日 期 2024 年 11 月 25 日 审查意见: 项目监理机构〔章〕: 总/专业监理工程师 日 期 年 月 日 管道沟槽开挖与地基处理施工检验批质量验收记录表GB 50268-2024工程名称丹江口市浪河镇狐音沟路、浪河中学接线路建设项目施工单位集团单位工程名称丹江口市浪河镇浪河中学接线路分部工程名称附属构筑物分项工程名称管道沟槽开挖施工部位K0+070工程数量10.51m项目经理旭技术负责人曾幼勋制表人徐中全施工负责人徐中全质量检验员吴玉涛交方班组泥工组接方班组泥工组检验日期2024.11.25检 查 项 目质量要求、允许偏差或允许值〔mm〕检查结果/实测点偏差值或实测值123456789应测点数合格点数合格率 %主控项目1原状地基土不得扰动、受水侵泡或受冻无扰动和雨水浸泡2地基承载力应满足设计要求满足设计要求3压实度厚度应满足设计要求满足设计要求一般项目1槽底高程土方±20-15-10-15-21-5-7-8-9-99889石方+20,-2002槽底中线每侧宽度不小于规定√0√√√√√√√98893沟槽边坡不陡于规定√√√0√√√√√9889一般项目平均合格率〔%〕89施工单位检查评定结果 该验收批符合《给水排水管道工程施工与验收规》GB50268-2024规定和设计图纸要求,评定为合格。项目专业质量检查员: 2024 年 11 月 25 日监理〔建设〕单位验收结论 专业监理工程师:〔建设单位项目专业技术负责人〕 年 月 日注:1 主控项目、一般项目的检查结果,需用语言描述的项,应按 GB50268-2024 的要求详实描述。2主控项目的计数检验项先填写"检验批主控项目计数检验记录表"〔G1-1-1〕;检验批一般项目计数检验数据较多时,可先填写"检验批一般项目计数检验记录表"〔G1-1-2〕,然后将计数检验结果填写在本表相应的检查结果栏。将两表作为本表的附页。地 基 验 槽 记 录 表 C-2 编号: 工程名称丹江口市浪河镇狐音沟路、浪河中学接线路建设项目日 期 2024 年 11 月 25 日轴线部位平面位置槽底标高〔-m〕槽底土质类别边坡坡度积水状况备注槽底长度(mm)槽底宽度(mm)中心轴...

1、当您付费下载文档后,您只拥有了使用权限,并不意味着购买了版权,文档只能用于自身使用,不得用于其他商业用途(如 [转卖]进行直接盈利或[编辑后售卖]进行间接盈利)。
2、本站所有内容均由合作方或网友上传,本站不对文档的完整性、权威性及其观点立场正确性做任何保证或承诺!文档内容仅供研究参考,付费前请自行鉴别。
3、如文档内容存在违规,或者侵犯商业秘密、侵犯著作权等,请点击“违规举报”。

碎片内容

01管道沟槽开挖

您可能关注的文档

确认删除?
VIP
微信客服
  • 扫码咨询
会员Q群
  • 会员专属群点击这里加入QQ群
客服邮箱
回到顶部