电脑桌面
添加小米粒文库到电脑桌面
安装后可以在桌面快捷访问

110KV变电所一次设备部分设计说明

110KV变电所一次设备部分设计说明_第1页
1/43
110KV变电所一次设备部分设计说明_第2页
2/43
110KV变电所一次设备部分设计说明_第3页
3/43
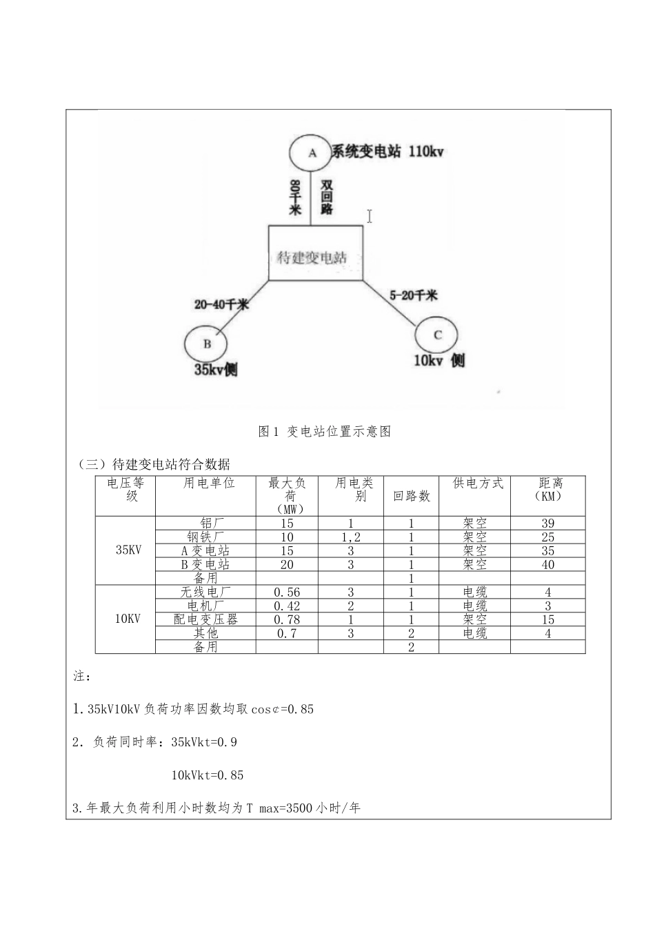
铁路科技职业技术学院毕业设计(论文)任务书课 题 海沧 110KV 牵引变电所的一次设 备部分设计 编 号专 业电气化铁道技术班 级 312-1学生贺指导单位铁路科技职业技术学院 指导老师衡峰设计(论文)任务与要求:任务 : 变电所是电力系统中对电能的电压和电流进行变换、集中和分配的场所。为保证电 能的质量以与设备的安全,在变电所中还需进行电压调整、电流控制以与输配电线路和主要电工设备的保护。变电所包括一次设备和二次设备,其中一次设备有牵引变压器、断路器、隔离开关等。一次设备是电网整个发电、输电、变电、配电环节设备中的重要一部分,而变电站一次设备质量与运行的状态直接关系到电网的安全性、可靠性、稳定性与抵抗事故的能力。所以这次以变电所为参考设计出一套安全、可靠、稳定的一次设备。 要求 : 1. 掌握牵引变电所的分类 。 2 .掌握电气主接线的基本形式 。 3 .掌握 压电器设备的选择 。 4 .掌握 牵引变电所的容量和负荷计算 。 设计(论文)依据的原始资料: 一、 原始资料 海沧 变电站是该地区农网改造的重要部分估计使用 3 台变压器初期一次性投产两台变压器 预留一台变压器的进展空间(一)电压等级 电压等级分别为 110kV , 35kV , 10kV 。 110KV : 2 回 35KV : 5 回 (其中一回备用) 10KV : 12 回 (其中四回备用) (二)变电站位置示意图 图 1 变电站位置示意图 (三)待建变电站符合数据 电压等 级用电单位最大负荷(MW)用电类别回路数供电方式距离(KM)35KV铝厂1511架空39钢铁厂101,21架空25A 变电站1531架空35B 变电站2031架空40备用110KV无线电厂0.5631电缆4电机厂0.4221电缆3配电变压器0.7811架空15其他0.732电缆4备用2注:1.35kV10kV 负荷功率因数均取 cos¢=0.852.负荷同时率:35kVkt=0.910kVkt=0.853.年最大负荷利用小时数均为 T max=3500 小时/年4.网损率为 A%=8%5.站用负荷为 50kWcos¢=0.876.35kV 侧估计新增远期负荷 20MV10kV 侧估计新增远期符合 6MV (四)地形、地质、水文、气象和坏境站址选择在地势平坦地区,四周皆为农田,地质构造洁为稳定区,站址标高在 50 年一遇的洪水位以上,地震烈度为 6 度以下,年最低气温为 5 度,最高气温为 40 度,月最高平均气温为 31 度,年平均气温为 22 度,降水量为 2000 毫米,炎热潮湿。站区附近无污染源。设计(论文)文件的组成与要求:论文组成 : 摘要...

1、当您付费下载文档后,您只拥有了使用权限,并不意味着购买了版权,文档只能用于自身使用,不得用于其他商业用途(如 [转卖]进行直接盈利或[编辑后售卖]进行间接盈利)。
2、本站所有内容均由合作方或网友上传,本站不对文档的完整性、权威性及其观点立场正确性做任何保证或承诺!文档内容仅供研究参考,付费前请自行鉴别。
3、如文档内容存在违规,或者侵犯商业秘密、侵犯著作权等,请点击“违规举报”。

碎片内容

110KV变电所一次设备部分设计说明

阳光书坊+ 关注
实名认证
内容提供者

阳光书坊,传播未来

确认删除?
VIP
微信客服
  • 扫码咨询
会员Q群
  • 会员专属群点击这里加入QQ群
客服邮箱
回到顶部