电脑桌面
添加小米粒文库到电脑桌面
安装后可以在桌面快捷访问

APQP产品和过程特殊特性

APQP产品和过程特殊特性_第1页
1/3
APQP产品和过程特殊特性_第2页
2/3
APQP产品和过程特殊特性_第3页
3/3
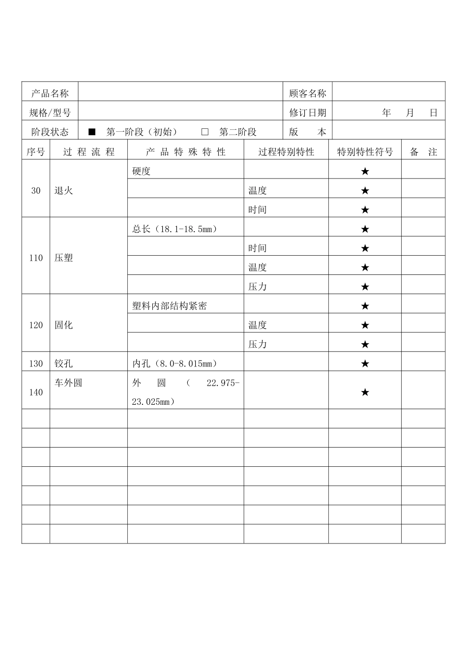
XXX 有 限 公 司产 品 和 过 程 特 殊 特 性产品名称顾客名称规格/型号修订日期 年 月 日阶段状态 ■ 第一阶段(初始) □ 第二阶段版 本序号过 程 流 程产 品 特 殊 特 性过程特别特性特别特性符号备 注30退火硬度★温度★时间★110压塑总长(18.1-18.5mm)★时间★温度★压力★120固化塑料内部结构紧密★温度★压力★130铰孔内孔(8.0-8.015mm)★140车外圆外圆(22.975-23.025mm)★制定部门: 制定日期: 年 月 日PPP-2-08A0备注1.“★”表示产品与安全有关的特别特性符号; “☆”表示产品与安全无关的特别特性符号。核 准审 查制 表

1、当您付费下载文档后,您只拥有了使用权限,并不意味着购买了版权,文档只能用于自身使用,不得用于其他商业用途(如 [转卖]进行直接盈利或[编辑后售卖]进行间接盈利)。
2、本站所有内容均由合作方或网友上传,本站不对文档的完整性、权威性及其观点立场正确性做任何保证或承诺!文档内容仅供研究参考,付费前请自行鉴别。
3、如文档内容存在违规,或者侵犯商业秘密、侵犯著作权等,请点击“违规举报”。

碎片内容

APQP产品和过程特殊特性

确认删除?
VIP
微信客服
  • 扫码咨询
会员Q群
  • 会员专属群点击这里加入QQ群
客服邮箱
回到顶部