电脑桌面
添加小米粒文库到电脑桌面
安装后可以在桌面快捷访问

PCB外观检验标准

PCB外观检验标准_第1页
1/12
PCB外观检验标准_第2页
2/12
PCB外观检验标准_第3页
3/12
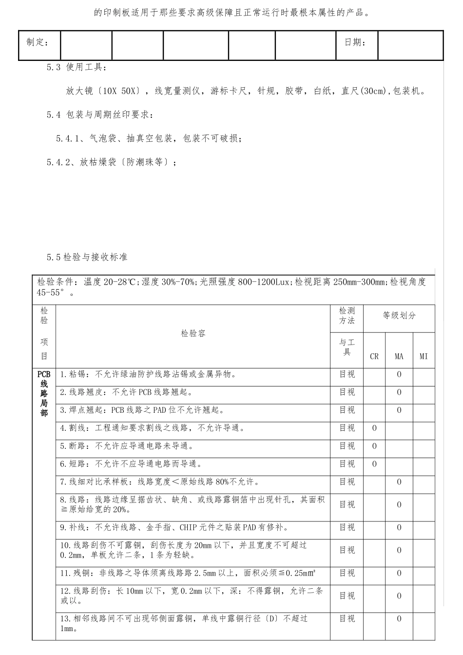
制定:日期:一、目的:版次变更容编制/修订日期编制/修订者总页数A新制定2024/9/18昱10B1、增加修订页,2、增加打叉板的要求2024/12/25昱12制定 PCB 来料品质检查项目和其承受标准,规和统一我司供给商出货产品品质,为客户提供全面产品品质保证。二、围: 本司所有 PCB 板供给商均适用。三、职责:3.1 IQC:负责执行 PCB 来料外观检验动作,与时反应异常信息,做相关 PCB 来料记录。3.2 QE:负责协助 IQC 对异常现象确认与验证,追踪异常处理进度。3.3 品质主管:负责与各相关部门沟通协调,并给出最终异常处理方案。四 、验收分级: 良好〔ACC〕:能满足标准规定要求和客户要求. 拒收(Rej): 表示无法满足产品的使用性和可靠性.五 、工作容:5.1 所依据之标准优先顺序:当产品验收标准所需有关要求发生冲突时,那么采纳以下文件优先顺序:5.1.1 客户检验规5.1.2 参考 IPC 相关规5.1.3 厂 PCB 外观检验标准5.2 用途分类:根据印制板的产品用途,按以下分类定级,不同类别的印制板,那么按不同的验收标准进展验收. 5.2.1 第一级(Class 1):General Electronic Products(一般电子产品) 此级包括:消费类产品某些电脑与电脑周边产品,适用于那些对外观缺陷并不重要,主要要印制板功能的产品。5.2.2 第二级(Class 2):Dedicated Service Electronic Produc(专用性电子产品) 此级包括:通信设备,复杂商务机器,仪器与军用品等,此级在品质上已讲究高性能与长寿命,同时希望能够不连续地工作,但不严格,允许有某些外观缺陷。5.2.3 第三级(Class 3):High Reliability Eletronics Productsg(高可靠度电子产品)本级包括:要求连续工作或应急运行的设备或产品.对这些设备来说,不允许出现故障停机, 并且一旦需要就必须正常工作(例如生命支持系统或飞机控制系统),这一等级的印制板适用于那些要求高级保障且正常运行时最根本属性的产品。制定:日期:5.3 使用工具:放大镜〔10X 50X〕,线宽量测仪,游标卡尺,针规,胶带,白纸,直尺(30cm),包装机。5.4 包装与周期丝印要求:5.4.1、气泡袋、抽真空包装,包装不可破损;5.4.2、放枯燥袋〔防潮珠等〕;5.5 检验与接收标准检验条件:温度 20-28℃;湿度 30%-70%;光照强度 800-1200Lux;检视距离 250mm-300mm;检视角度45-55°。检验项目检验容检测方法等级划分与工具CRMAMIPCB线路局部1.粘锡:不允许绿油防护线路沾锡或金属异物。目视O2.线路翘皮:不允许 PCB 线路翘起。目视O3....

1、当您付费下载文档后,您只拥有了使用权限,并不意味着购买了版权,文档只能用于自身使用,不得用于其他商业用途(如 [转卖]进行直接盈利或[编辑后售卖]进行间接盈利)。
2、本站所有内容均由合作方或网友上传,本站不对文档的完整性、权威性及其观点立场正确性做任何保证或承诺!文档内容仅供研究参考,付费前请自行鉴别。
3、如文档内容存在违规,或者侵犯商业秘密、侵犯著作权等,请点击“违规举报”。

碎片内容

PCB外观检验标准

您可能关注的文档

确认删除?
VIP
微信客服
  • 扫码咨询
会员Q群
  • 会员专属群点击这里加入QQ群
客服邮箱
回到顶部