电脑桌面
添加小米粒文库到电脑桌面
安装后可以在桌面快捷访问

PLC控制电机变频调速系统的设计说明VIP专享

PLC控制电机变频调速系统的设计说明_第1页
1/27
PLC控制电机变频调速系统的设计说明_第2页
2/27
PLC控制电机变频调速系统的设计说明_第3页
3/27
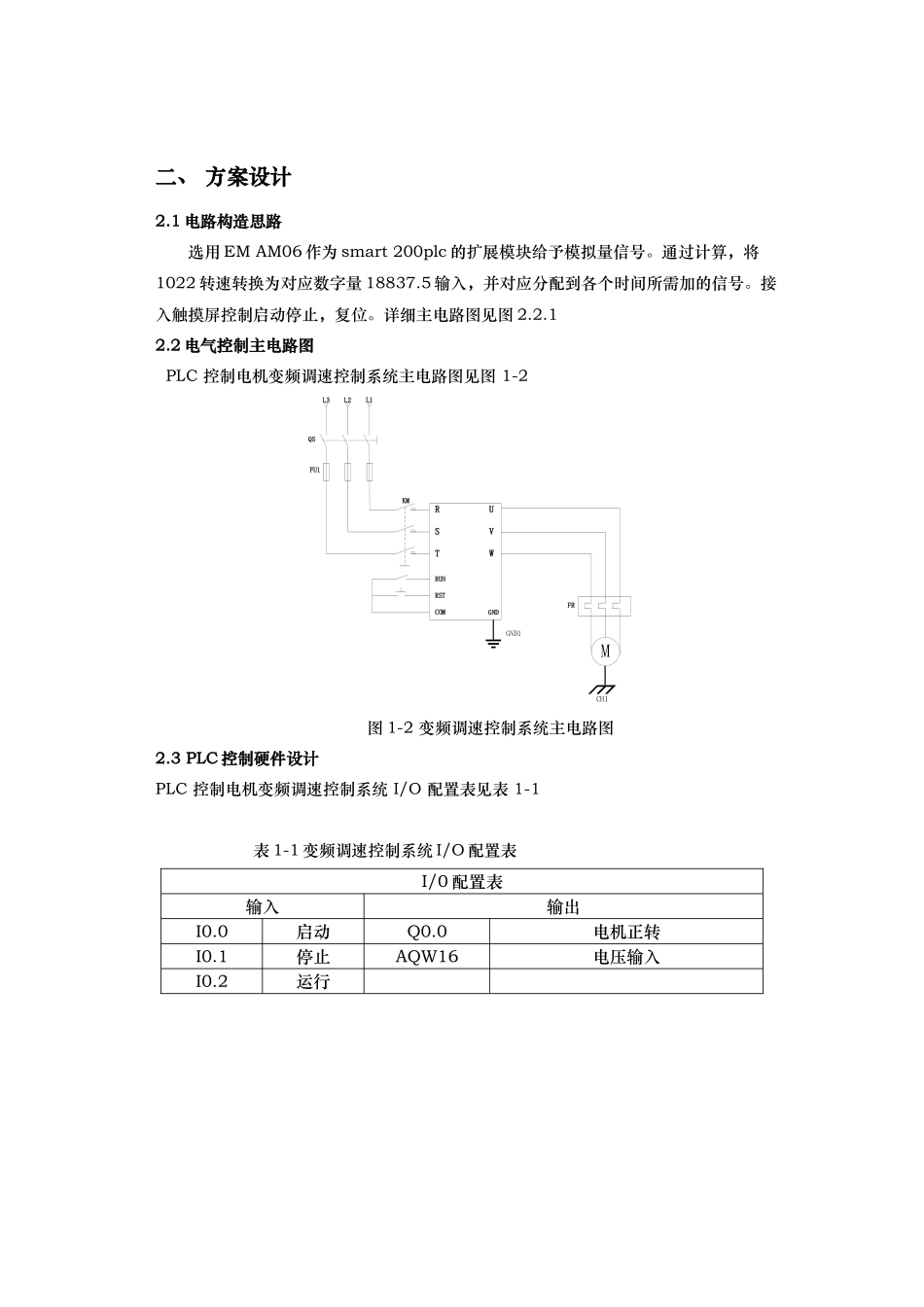
题目 1:19.PLC 控制电机变频调速系统的设计 一、 任务详情1.1 背景调速系统快速性、稳定性、动态性能好是工业自动化生产中基本要求。在科学讨论和生产实践的诸多领域中调速系统占有着极为重要的地位特别是在国防、汽车、冶金、机械、石油等工业中,具有举足轻重的作用。调速控制系统的工艺过程复杂多变,具有不确定性,因此对系统要求更为先进的控制技术和控制理论。可编程控制器(PLC)可编程控制器是一种工业控制计算机,是继续计算机、自动控制技术和通信技术为一体的新型自动装置。它具有抗干扰能力强,价格便宜,可靠性强,编程简朴,易学易用等特点,在工业领域中深受工程操作人员的喜爱,因此 PLC 已在工业控制的各个领域中被广泛地使用。变频调速已被公认为是最理想、最有进展前景的调速方式之一,采纳变频器构成变频调速传动系统的主要目的,一是为了满足提高劳动生产率、改善产品质量、提高设备自动化程度、提高生活质量及改善生活环境等要求;二是为了节约能源、降低生产成本。用户根据自己的实际工艺要求和运用场合选择不同类型的变频器。1.2 任务要求通过 PLC 控制变频器,使三相异步电动机按图 1-1 所示的曲线运行,并可通过触摸屏远程控制电机的启动、停止,可对电机启动时间、减速时间设定调整,同时要求通过触摸屏实时显示数字电机转速、频率,显示转速图。电机运行可分为三个部分:第一部分要求电机起动后在 60s 从 0(r/min)线性增加到 1022(r/min);第二部分是进入恒转速运行阶段,运行时间为 120s,转速恒定为 1022(r/min);第三部分是当恒速到了规定时间,进入减速阶段,电机转速要求在 40s 降到 0(r/min)。146012851022电机转速r/min0n电源频率为50Hz时的转速电机转速限幅值加速时间 60s恒速时间120s减速时间40sT 图2 异步电动机运行曲线图图 1-1 异步电动机运行曲线图二、 方案设计2.1 电路构造思路选用 EM AM06 作为 smart 200plc 的扩展模块给予模拟量信号。通过计算,将1022 转速转换为对应数字量 18837.5 输入,并对应分配到各个时间所需加的信号。接入触摸屏控制启动停止,复位。详细主电路图见图 2.2.12.2 电气控制主电路图 PLC 控制电机变频调速控制系统主电路图见图 1-2CH1MGND1UVWRSTRUNRSTCOMGNDL3L1L2QSFU1KMFR图 1-2 变频调速控制系统主电路图2.3 PLC 控制硬件设计PLC 控制电机变频调速控制系统 I/O 配置表见表 1-1表 1-1 变频调速控制系统 I/O...

1、当您付费下载文档后,您只拥有了使用权限,并不意味着购买了版权,文档只能用于自身使用,不得用于其他商业用途(如 [转卖]进行直接盈利或[编辑后售卖]进行间接盈利)。
2、本站所有内容均由合作方或网友上传,本站不对文档的完整性、权威性及其观点立场正确性做任何保证或承诺!文档内容仅供研究参考,付费前请自行鉴别。
3、如文档内容存在违规,或者侵犯商业秘密、侵犯著作权等,请点击“违规举报”。

碎片内容

PLC控制电机变频调速系统的设计说明

确认删除?
VIP
微信客服
  • 扫码咨询
会员Q群
  • 会员专属群点击这里加入QQ群
客服邮箱
回到顶部