电脑桌面
添加小米粒文库到电脑桌面
安装后可以在桌面快捷访问

PXZ1400液压旋回破碎机说明书

PXZ1400液压旋回破碎机说明书_第1页
1/24
PXZ1400液压旋回破碎机说明书_第2页
2/24
PXZ1400液压旋回破碎机说明书_第3页
3/24
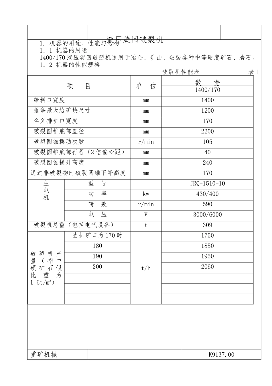
PXZ1400/170 液压旋回破裂机K9137.00产 品 说 明 书重矿机械制造重矿机械制造PXZ1400/170液压旋回破裂机K9137.00共 16 页第 1 页目录1、 机器的用途、性能与结构2、 机器的安装与试运转3、 机器的使用与维护重矿机械制造PXZ 1400/170K9137.00共 16 页第 2 页液压旋回破裂机1. 机器的用途、性能与结构1.1 机器的用途1400/170 液压旋回破裂机适用于冶金、矿山、破裂各种中等硬度矿石、岩石。1.2 机器的性能规格破裂机性能表 表 1项 目单 位数 据1400/170给料口宽度mm1400推举最大给矿块尺寸mm1200名义排矿口宽度mm170破裂圆锥底部直径mm2200破裂圆锥摆动次数r/min105破裂圆锥底部行程(2 倍偏心距)mm40破裂圆锥提升高度mm240通过非破裂物时破裂圆锥下降高度mm170主电机型 号JRQ-1510-10功 率kw430/400转 数r/min590电 压V3000/6000破裂机总重(包括电气设备)t309破 裂 机 产量 ( 指 中硬 矿 石 假比重为1.6t/m3)当排矿口为 170 时t/h1750180185019019502002060重矿机械K9137.00制造PXZ 1400/170液压旋回破裂机共 16 页第 3 页1.3 机器的机构1.3.1 1400/170 液压旋回破裂机由传动、机座、偏心套、破裂圆锥、中架体、横梁、原动、油缸、液压、滑车、电气和干、稀油润滑等部分组成。(图 1)电动机经皮带轮子和圆锥齿轮的传动,使破裂圆锥饶破裂机中心线作旋摆运动,破裂圆锥表面时而靠近,使而离开固定锥的表面,从而使给入破裂腔在矿石,不断受到挤压和弯曲作用面被破裂,被破裂的矿石靠自重从破裂腔底部排出。1.3.2 传动部:传动轴横放在机座,轴架装有青铜衬套,传动轴就在衬套中转动,动力从电动机经三角带、传动轴、圆锥齿轮付传递给偏心套。当偏心轴套转动时,就带动主轴与压合于其上的动锥体一起转动。动锥的中心线就以横梁上的固定悬点为顶点沿着锥面轨迹旋转。1.3.3 机座:是破裂机主要的零件,用地脚螺钉把它固定在地基上,在机座的套筒中装有钢的衬套,偏心轴套就在此衬套中转动。在机座的侧壁上,有检查机器用的人孔,机器正常工作时用盖子盖住,把机架与中心套筒连接在一起的四跟筋和传动轴套的上面,放有锰钢护板,以防落下的矿石打伤和损坏筋与套筒。1.3.4 破裂圆锥:破裂圆锥靠底部液压油缸支承,上部插入横梁中心孔锥形衬套,破裂机旋转时,由于锥形套的下面是锥面,因此能满足动锥旋摆运动的要求。由于摩擦作用使动锥产生自转,空转时,自转的方向与公转的方向...

1、当您付费下载文档后,您只拥有了使用权限,并不意味着购买了版权,文档只能用于自身使用,不得用于其他商业用途(如 [转卖]进行直接盈利或[编辑后售卖]进行间接盈利)。
2、本站所有内容均由合作方或网友上传,本站不对文档的完整性、权威性及其观点立场正确性做任何保证或承诺!文档内容仅供研究参考,付费前请自行鉴别。
3、如文档内容存在违规,或者侵犯商业秘密、侵犯著作权等,请点击“违规举报”。

碎片内容

PXZ1400液压旋回破碎机说明书

您可能关注的文档

确认删除?
VIP
微信客服
  • 扫码咨询
会员Q群
  • 会员专属群点击这里加入QQ群
客服邮箱
回到顶部