电脑桌面
添加小米粒文库到电脑桌面
安装后可以在桌面快捷访问

升降门窗修改部分工艺手册范本

升降门窗修改部分工艺手册范本_第1页
1/10
升降门窗修改部分工艺手册范本_第2页
2/10
升降门窗修改部分工艺手册范本_第3页
3/10
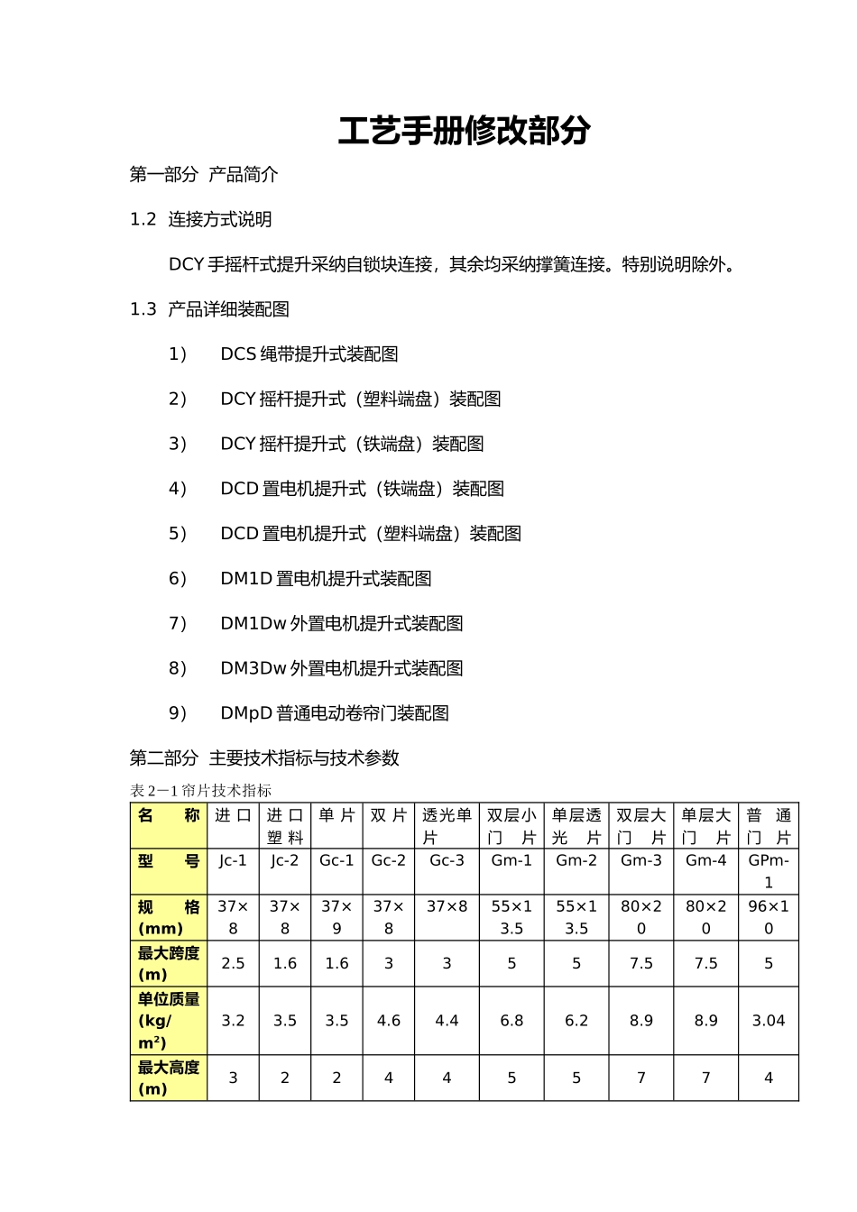
工艺手册修改部分第一部分 产品简介1.2 连接方式说明DCY 手摇杆式提升采纳自锁块连接,其余均采纳撑簧连接。特别说明除外。1.3 产品详细装配图1)DCS 绳带提升式装配图2)DCY 摇杆提升式(塑料端盘)装配图3)DCY 摇杆提升式(铁端盘)装配图4)DCD 置电机提升式(铁端盘)装配图5)DCD 置电机提升式(塑料端盘)装配图6)DM1D 置电机提升式装配图7)DM1Dw 外置电机提升式装配图8)DM3Dw 外置电机提升式装配图9)DMpD 普通电动卷帘门装配图第二部分 主要技术指标与技术参数表 2-1 帘片技术指标名称进 口进 口塑 料单 片双 片透光单片双层小门片单层透光片双层大门片单层大门片普通门片型号Jc-1Jc-2Gc-1Gc-2Gc-3Gm-1Gm-2Gm-3Gm-4GPm-1规格(mm)37×837×837×937×837×855×13.555×13.580×2080×2096×10最大跨度(m)2.51.61.633557.57.55单位质量(kg/m2)3.23.53.54.64.46.86.28.98.93.04最大高度(m)3224455774表 2-2 帘片长度下料计算标准帘片型号DCD,DM1D,DM1Dw,DM3Dw计算DCS 计算DCY 计算DMpD 计算Jc-1,Jc-2,Gc-1,Gc-2,Gc-3宽-70宽-76宽-80Gm-1,Gm-2宽-74宽-80Gm-3,Gm-4宽-100GPm-1宽-36(铁导轨)宽-80(铝导轨)表 2-3 帘片块数计算标准端盘规格帘片型号帘片块数计算公式备注Gm-3,Gm-4(高-300)÷80外置式电机端板配套 500×330Gm-1,Gm-2(高-300)÷55外置式电机端板配套 500×330300Gm-1,Gm-2(高-280)÷55250Gm-1,Gm-2(高-250)÷55200Gm-1,Gm-2(高-230)÷55250Jc-1,Jc-2,Gc-1,Gc-2,Gc-3(高-180)÷38200Jc-1,Jc-2,Gc-1,Gc-2,Gc-3(高-160)÷38185Jc-1,Jc-2,Gc-1,Gc-2,Gc-3(高-176)÷38160Jc-1,Jc-2,Gc-1,Gc-2,Gc-3(高-160)÷38140Jc-1,Jc-2,Gc-1,Gc-2,Gc-3(高-150)÷38400GP-1(高-280)÷96350GP-1(高-280)÷96300GP-1(高-280)÷96250GP-1(高-280)÷96注明:当门窗高大于 2 米时,Jc-1、Jc-2G、c-1、Gc-2、Gc-3,帘片块数按上公式计算出后再增加一块帘片。有矩管减矩管尺寸。表 2-4 门或窗提升力与高度指标门窗类别传动轴直径最大提升力最大高度电机规格DCSφ60≤15kg≤2.35mDCYφ60≤25kg≤2mDCDφ6025kg7m10N·mDCDφ6030kg7m15N·mDMDφ7650kg7m35N·mDMDφ7680kg7m50N·mDMDφ76128kg7m80N·mDMDφ11485kg7m80N·mDMDφ114107kg7m100N·mDMDφ114140kg7m130N·m备注:提升力=电机规格(N·m)×100÷轴直径(mm)...

1、当您付费下载文档后,您只拥有了使用权限,并不意味着购买了版权,文档只能用于自身使用,不得用于其他商业用途(如 [转卖]进行直接盈利或[编辑后售卖]进行间接盈利)。
2、本站所有内容均由合作方或网友上传,本站不对文档的完整性、权威性及其观点立场正确性做任何保证或承诺!文档内容仅供研究参考,付费前请自行鉴别。
3、如文档内容存在违规,或者侵犯商业秘密、侵犯著作权等,请点击“违规举报”。

碎片内容

升降门窗修改部分工艺手册范本

您可能关注的文档

不二商店+ 关注
实名认证
内容提供者

我是你的不二选择

相关文档

确认删除?
VIP
微信客服
  • 扫码咨询
会员Q群
  • 会员专属群点击这里加入QQ群
客服邮箱
回到顶部