电脑桌面
添加小米粒文库到电脑桌面
安装后可以在桌面快捷访问

单支点排桩支护结构设计示例

单支点排桩支护结构设计示例_第1页
1/14
单支点排桩支护结构设计示例_第2页
2/14
单支点排桩支护结构设计示例_第3页
3/14
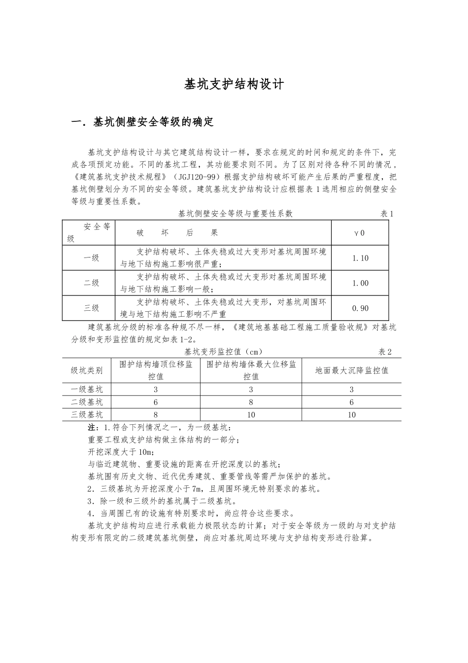
基坑支护结构设计一.基坑侧壁安全等级的确定基坑支护结构设计与其它建筑结构设计一样,要求在规定的时间和规定的条件下,完成各项预定功能。不同的基坑工程,其功能要求则不同。为了区别对待各种不同的情况 ,《建筑基坑支护技术规程》(JGJ120-99)根据支护结构破坏可能产生后果的严重程度,把基坑侧壁划分为不同的安全等级。建筑基坑支护结构设计应根据表 1 选用相应的侧壁安全等级与重要性系数。 基坑侧壁安全等级与重要性系数 表 1安 全 等级破 坏 后 果γ0一级支护结构破坏、土体失稳或过大变形对基坑周围环境与地下结构施工影响很严重;1.10二级支护结构破坏、土体失稳或过大变形对基坑周围环境与地下结构施工影响一般;1.00三级支护结构破坏、土体失稳或过大变形,对基坑周围环境与地下结构施工影响不严重0.90建筑基坑分级的标准各种规不尽一样,《建筑地基基础工程施工质量验收规》对基坑分级和变形监控值的规定如表 1-2。 基坑变形监控值(cm) 表 2级坑类别围护结构墙顶位移监控值围护结构墙体最大位移监控值地面最大沉降监控值一级基坑333二级基坑686三级基坑81010注:1.符合下列情况之一,为一级基坑:重要工程或支护结构做主体结构的一部分;开挖深度大于 10m;与临近建筑物、重要设施的距离在开挖深度以的基坑;基坑围有历史文物、近代优秀建筑、重要管线等需严加保护的基坑。2.三级基坑为开挖深度小于 7m,且周围环境无特别要求的基坑。3.除一级和三级外的基坑属于二级基坑。4.当周围已有的设施有特别要求时,尚应符合这些要求。基坑支护结构均应进行承载能力极限状态的计算;对于安全等级为一级的与对支护结构变形有限定的二级建筑基坑侧壁,尚应对基坑周边环境与支护结构变形进行验算。二.计算参数的确定基坑工程支护设计的主要计算参数,包括土的重力密度 γ 与土的抗剪强度指标 c、φ值。对于超固结土,用常规试验方法进行剪切试验获得的粘聚力,包括真粘聚力和表观粘聚力两部分,其中表观粘聚力比真粘聚力要大的多。而超固结土一旦遇水,表观粘聚力迅速下降至真粘聚力。因此应对试验给出的粘聚力值进行折减后,才能用于基坑工程设计。根据地区的工程经验,将 c 值乘以 0.4~0.5 的折减系数,给出设计计算参数c、φ 和 γ值。为了将土压力分布表为直线,,应求出基坑底面以上与基坑底面至桩端处的平均土性指标。平均重度:平均粘聚力:平均摩擦角:根据地区的工程经验,鉴于本工程的实际情况,将...

1、当您付费下载文档后,您只拥有了使用权限,并不意味着购买了版权,文档只能用于自身使用,不得用于其他商业用途(如 [转卖]进行直接盈利或[编辑后售卖]进行间接盈利)。
2、本站所有内容均由合作方或网友上传,本站不对文档的完整性、权威性及其观点立场正确性做任何保证或承诺!文档内容仅供研究参考,付费前请自行鉴别。
3、如文档内容存在违规,或者侵犯商业秘密、侵犯著作权等,请点击“违规举报”。

碎片内容

单支点排桩支护结构设计示例

确认删除?
VIP
微信客服
  • 扫码咨询
会员Q群
  • 会员专属群点击这里加入QQ群
客服邮箱
回到顶部