电脑桌面
添加小米粒文库到电脑桌面
安装后可以在桌面快捷访问

安全检查表格模板

安全检查表格模板_第1页
1/19
安全检查表格模板_第2页
2/19
安全检查表格模板_第3页
3/19
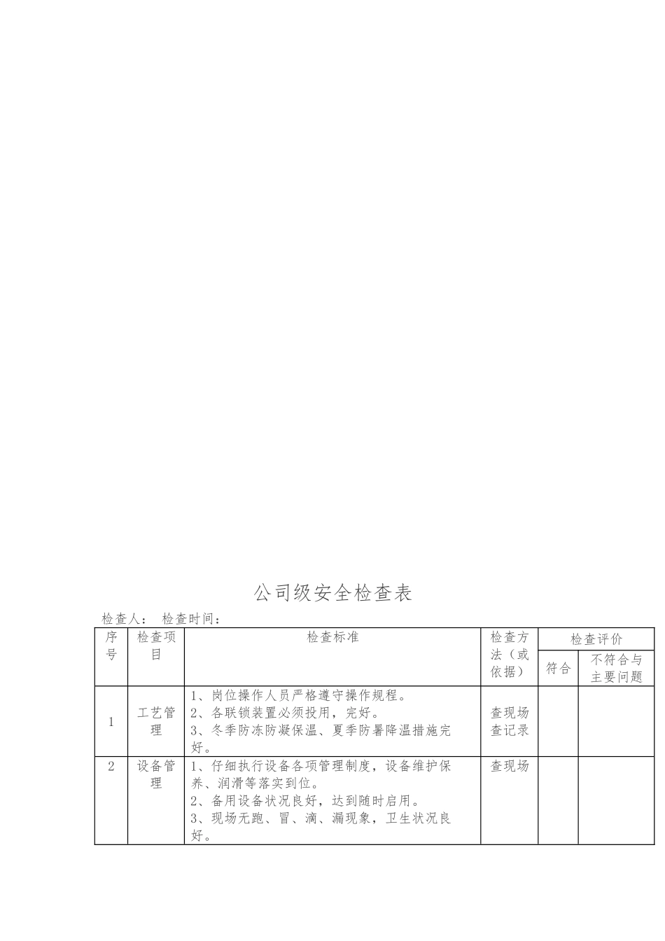
企业常用检查类型和频次:1、综合安全检查1.1 公司级安全检查:是以落实岗位安全生产责任制为重点,各专业共同参加的全面检查,公司级检查每季度一次。1.2 检查容:1)公司级安全检查主要检查公司工艺管理、设备管理、电气管理、消防管理、化学品管理、安全设施、厂房建筑;具体检查容见《公司级安全检查表》。2)车间级安全检查主要检查部门各级管理人员的职责、工艺、设备、电气、仪表、现场管理、安全教育、作业证、警示标志与其它情况。每月至少一次,具体检查容见《车间级安全检查表》。2、专业性安全检查1)电气设备(专业)安全检查主要检查电气作业、变配电室管理、电气设备、防护用品;每季度至少一次,具体检查容见《电气设备(专业)安全检查表》。2)防火防爆与消防安全检查主要检查厂区与建筑物、生产工艺过程、消防设施、作业现场、生产装置与设备、安全管理;每季度至少一次,具体检查容见《防火防爆与消防安全检查表》。3)特种设备安全检查主要检查特种设备的检验、操作人员的安全教育与持证上岗情况;每季度至少一次,具体检查容见《特种设备安全检查表》。4)机械设备安全主要检查设备基础管理、运行管理、维护管理等;每季度至少一次,具体检查容见《机械设备安全检查表》。5)厂房、建筑物安全检主要检查耐火等级检查、防雷电检查、现场检查、防护设施;每季度至少一次,具体检查容见《厂房、建筑物安全检查表》。6)危险化学品安全检查主要检查化学品的使用、贮存管理等,每季度至少一次,具体检查容见《危险化学品安全检查表》。3、节假日检查主要是节前对安全、保卫、消防、生产设备、备用设备、应急预案等进行的检查,特别是应对节日干部、检维修队伍值班安排和原辅料、备品备件、应急预案落实情况进行重点检查。具体检查容见《节假日安全检查表》。4、季节性检查:主要是根据气候变化的特点,由安全人事部组织各有关专业和部门的人员参加的,对防火防爆、防雨防洪、防雷电、防暑降温、防风工作等,进行预防性季节检查,具体检查容见《季节性安全检查表》。公司级安全检查表检查人: 检查时间:序号检查项目检查标准检查方法(或依据)检查评价符合不符合与主要问题1工艺管理1、岗位操作人员严格遵守操作规程。2、各联锁装置必须投用,完好。3、冬季防冻防凝保温、夏季防暑降温措施完好。查现场查记录2设备管理1、仔细执行设备各项管理制度,设备维护保养、润滑等落实到位。2、备用设备状况良好,达到随时启用。3、现...

1、当您付费下载文档后,您只拥有了使用权限,并不意味着购买了版权,文档只能用于自身使用,不得用于其他商业用途(如 [转卖]进行直接盈利或[编辑后售卖]进行间接盈利)。
2、本站所有内容均由合作方或网友上传,本站不对文档的完整性、权威性及其观点立场正确性做任何保证或承诺!文档内容仅供研究参考,付费前请自行鉴别。
3、如文档内容存在违规,或者侵犯商业秘密、侵犯著作权等,请点击“违规举报”。

碎片内容

安全检查表格模板

元素商铺+ 关注
实名认证
内容提供者

欢迎挑选合适的文档

相关文档

确认删除?
VIP
微信客服
  • 扫码咨询
会员Q群
  • 会员专属群点击这里加入QQ群
客服邮箱
回到顶部