电脑桌面
添加小米粒文库到电脑桌面
安装后可以在桌面快捷访问

安全检查登记表格模板

安全检查登记表格模板_第1页
1/8
安全检查登记表格模板_第2页
2/8
安全检查登记表格模板_第3页
3/8
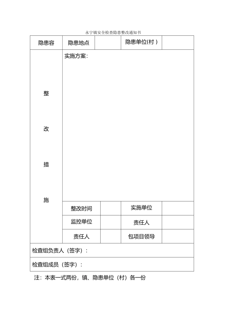
安 全 检 查 日 志单位: 2024 年 月 日检查地点检查容存在问题整改措施整改时限备注检查组领导签字:被检查单位责任人签字:检查组成员签字:永宁镇安全检查隐患整改通知书隐患容隐患地点隐患单位(村 )(cun整改措施实施方案:整改时间实施单位(村)监控单位(村)责任人责任人包项目领导检查组负责人(签字):检查组成员(签字):注:本表一式两份,镇、隐患单位(村)各一份永宁镇农用车辆安全责任书为仔细贯彻执行《安全生产法》和《省安全生产条例》,坚持“预防为主、防治结合、安全责任重于泰山”的方针,预防和减少交通事故,确保生命财产的安全,特签订安全责任书:1、严禁农用车辆载客、客货混载;2、严禁酒后驾驶,不超载、超速行驶;3、严禁驾驶无牌无证农用车辆;4、严禁无证驾驶,不非法营运,不开与准驾不等的农用车;5、不疲劳驾驶,不违章会车、掉头,不占道行驶,不把农用车交给无证人员驾驶;6、不开灯光失效、刹车不灵等带病的农用车辆;7、不违反道路交通安全法规定的其他行为。以上各条款如有违反,一切后果自行负责。本责任书一式两份,双方各执一份,签字之日起生效。车型与号牌: 驾驶证号:车主签字: 村干部签字:车主住址:年 月 日第 号永宁镇农用车辆安全责任书为仔细贯彻执行《安全生产法》和《省安全生产条例》,坚持“预防为主、防治结合、安全责任重于泰山”的方针,预防和减少交通事故,确保生命财产的安全,特签订安全责任书:1、严禁农用车辆载客、客货混载;2、严禁酒后驾驶,不超载、超速行驶;3、严禁驾驶无牌无证农用车辆;4、严禁无证驾驶,不非法营运,不开与准驾不等的农用车;5、不疲劳驾驶,不违章会车、掉头,不占道行驶,不把农用车交给无证人员驾驶;6、不开灯光失效、刹车不灵等带病的农用车辆;7、不违反道路交通安全法规定的其他行为。以上各条款如有违反,一切后果自行负责。本责任书一式两份,双方各执一份,签字之日起生效。车型与号牌: 驾驶证号:车主签字: 村干部签字:车主住址:年 月 日永宁镇安全检查隐患整改责任落实一览表年 月 日—— 年 月 日序号隐患单位(村)隐患容整改措施整改期限责任单位(村)责任领导备注检查组领导签字: 隐患单位(村)负责人签字: 检查组成员签字:重大安全隐患登记表永宁镇村 年 月 日隐患单位名称隐患容整改要求整改期限整改情况检查人员检查记录检查时间年月日 天气情况被检查单位(部门)检查场所检查情况隐...

1、当您付费下载文档后,您只拥有了使用权限,并不意味着购买了版权,文档只能用于自身使用,不得用于其他商业用途(如 [转卖]进行直接盈利或[编辑后售卖]进行间接盈利)。
2、本站所有内容均由合作方或网友上传,本站不对文档的完整性、权威性及其观点立场正确性做任何保证或承诺!文档内容仅供研究参考,付费前请自行鉴别。
3、如文档内容存在违规,或者侵犯商业秘密、侵犯著作权等,请点击“违规举报”。

碎片内容

安全检查登记表格模板

确认删除?
VIP
微信客服
  • 扫码咨询
会员Q群
  • 会员专属群点击这里加入QQ群
客服邮箱
回到顶部