电脑桌面
添加小米粒文库到电脑桌面
安装后可以在桌面快捷访问

建设工程安全生产主体责任落实情况检查表

建设工程安全生产主体责任落实情况检查表_第1页
1/7
建设工程安全生产主体责任落实情况检查表_第2页
2/7
建设工程安全生产主体责任落实情况检查表_第3页
3/7
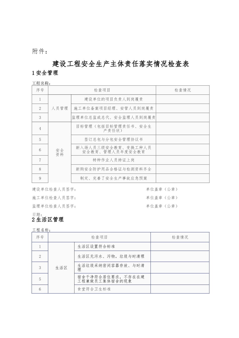
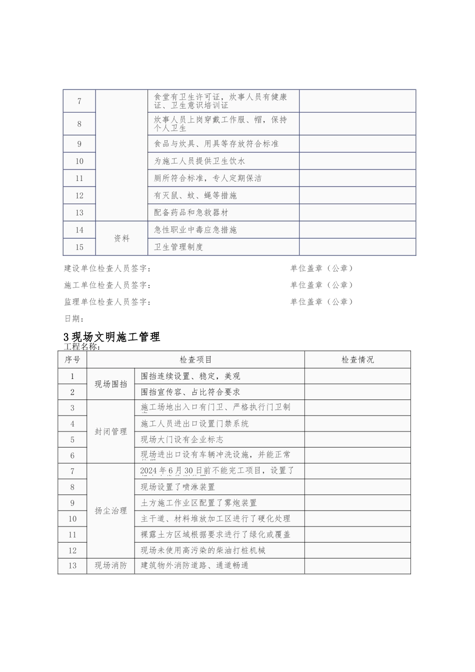
附件:建设工程安全生产主体责任落实情况检查表1 安全管理工程名称:序号检查项目检查情况1人员管理建设单位的项目负责人到岗履责2施工单位备案项目经理、安管人员到岗履责3监理单位总监或总代、安全监理人员到岗履责4安全资料目标管理(包括目标管理责任书、安全生产责任状)5签订总包与分包安全管理协议书6新入场人员三级安全教育、变换工种人员安全教育、管理人员年度安全教育7特种作业人员持证上岗8新购安全防护用品合格证与检测资料齐全9制定、完善了安全生产事故应急预案建设单位检查人员签字: 单位盖章(公章)施工单位检查人员签字: 单位盖章(公章)监理单位检查人员签字: 单位盖章(公章)日期:2 生活区管理工程名称:序号检查项目检查情况1生活区生活区设置符合标准2生活区无污水、污物,垃圾与时清理3生活垃圾采纳密闭容器存放、与时清理5宿舍干净符合居住要求,不存在在建工程兼做员工集体宿舍的现象6食堂符合卫生标准7食堂有卫生许可证,炊事人员有健康证、卫生意识培训证8炊事人员上岗穿戴工作服、帽,保持个人卫生9食品与炊具、用具等存放符合标准10为施工人员提供卫生饮水11厕所符合标准,专人定期保洁12有灭鼠、蚊、蝇等措施13配备药品和急救器材14资料急性职业中毒应急措施15卫生管理制度建设单位检查人员签字: 单位盖章(公章)施工单位检查人员签字: 单位盖章(公章)监理单位检查人员签字: 单位盖章(公章)日期:3 现场文明施工管理工程名称:序号检查项目检查情况1现场围挡围挡连续设置、稳定,美观2围挡宣传容、占比符合要求3封闭管理施工场地出入口有门卫、严格执行门卫制度4施工人员进出口设置门禁系统5现场大门设有企业标志6现场进出口设有车辆冲洗设施,并能正常使用7扬尘治理2024 年 6 月 30 日前不能完工项目,设置了扬尘在线监测装置8现场设置了喷淋装置9土方施工作业区配置了雾炮装置10主干道、材料堆放加工区进行了硬化处理11裸露土方区域根据要求进行了绿化或覆盖12现场未使用高污染的柴油打桩机械13现场消防建筑物外消防道路、通道畅通14现场有明显的防火标志15易燃易爆物品存放、搬运、使用符合标准16现场临时建筑符合防火规定17高层建筑施工有专用消防水源和消防设施18资料项目部成立了文明施工领导小组(可以分设为消防、扬尘治理等小组)19建立健全了文明施工制度20制定了消防应急预案与演练计划21配备了必要的消防器材建设单位检查人员签字: 单位盖章(公章)施工单位检查人员签...

1、当您付费下载文档后,您只拥有了使用权限,并不意味着购买了版权,文档只能用于自身使用,不得用于其他商业用途(如 [转卖]进行直接盈利或[编辑后售卖]进行间接盈利)。
2、本站所有内容均由合作方或网友上传,本站不对文档的完整性、权威性及其观点立场正确性做任何保证或承诺!文档内容仅供研究参考,付费前请自行鉴别。
3、如文档内容存在违规,或者侵犯商业秘密、侵犯著作权等,请点击“违规举报”。

碎片内容

建设工程安全生产主体责任落实情况检查表

确认删除?
VIP
微信客服
  • 扫码咨询
会员Q群
  • 会员专属群点击这里加入QQ群
客服邮箱
回到顶部