电脑桌面
添加小米粒文库到电脑桌面
安装后可以在桌面快捷访问

拌合站验收申报汇报材料文书

拌合站验收申报汇报材料文书_第1页
1/36
拌合站验收申报汇报材料文书_第2页
2/36
拌合站验收申报汇报材料文书_第3页
3/36
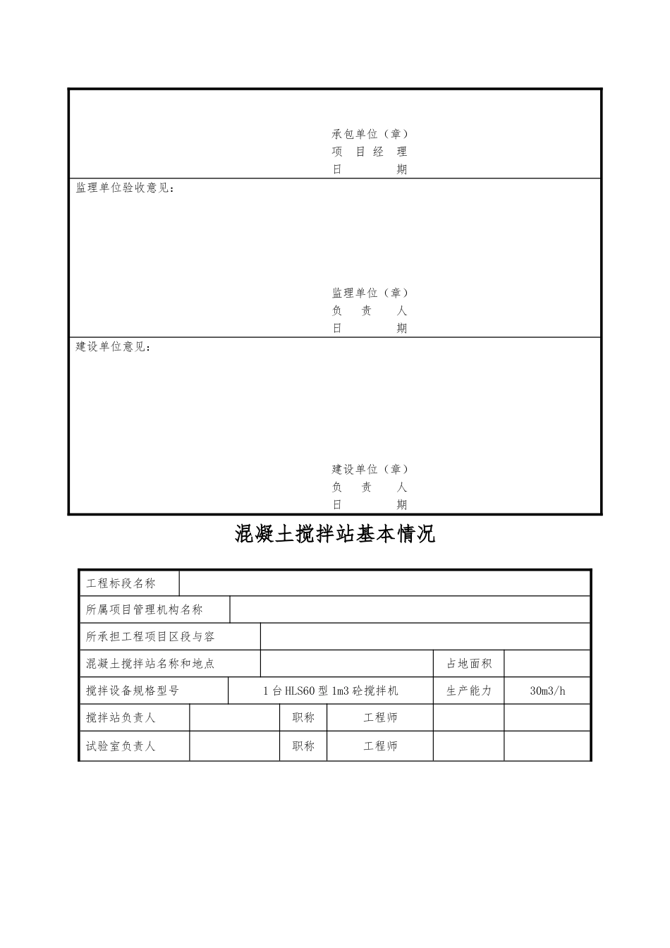
搅拌站验收申请书申请单位:搅拌站名称:搅拌站验收申请书XXXXXXXXXXXXXXXXXXX:XXXXXXXXXXXXXXXXXXXXXXXXXXXXXXXXX 搅拌站经过筹建并自检合格,达到验收要求,请监理单位、建设单位予以验收确认。承包单位(章)项 目 经 理 日 期 监理单位验收意见:监理单位(章)负 责 人 日 期 建设单位意见:建设单位(章)负 责 人 日 期 混凝土搅拌站基本情况工程标段名称所属项目管理机构名称所承担工程项目区段与容混凝土搅拌站名称和地点占地面积搅拌设备规格型号1 台 HLS60 型 1m3 砼搅拌机生产能力30m3/h搅拌站负责人职称工程师试验室负责人职称工程师本搅拌站所承担工程混凝土数量、混凝土类型和等级,以与其它情况:混凝土搅拌站验收检查项目序号评价项目与标准初审情况复审情况主 控 项 目1验收申请单位和盖章是否正确。2搅拌设备要求2.1是否有产品证明或出场质量证明。2.2设备检定是否完成、检定机构是否合法有效、检定标签或证书是否齐全和在有效期。2.3规格型号和机械性能是否满足质量控制要求。3操作人员数量、资质、上岗证是否符合要求或工作需要。4是否配置检测试验室并满足检测试验工作需要。5是否进行了外加剂均质性试验和搅拌工艺试拌并经监理工程师确认。一 般 项 目1场道路是否硬化并满足重载车辆通行,场地排水是否畅通。2砂子、碎石存放要求2.1存料场地是否硬化,排水是否畅通。2.2是否分区存放和隔离,标识是否醒目、容齐全并与实际相符。2.3合格区是否有可靠的棚架、是否有保温或降温措施。2.4待检区是否有含泥量、粉尘量等超标后的纠正处理措施。3本搅拌站职责是否详细、明确和规。4搅拌站人员分工与其岗位职责是否详细、明确和规。5搅拌站各项管理制度是否详细、明确和规,是否具有操作性。混凝土搅拌站验收检查项目序号评价项目与标准初审情况复审情况6质量保证体系是否健全、符合实际和具有操作行。7安全、卫生、环保、消防措施是否符合要求。8.办公座椅、电脑等设施是否满足工作和信息化管理需要。9各种记录用表是否准备齐全和符合要求。10.各种岗位人员是否进行了必要的专项培训并掌握基本知识。11有关安全、消防、环保、质量等标识是否规、齐全和醒目。初审意见意见:检查组成员签字:审定意见意见:检查组成员签字:项目部对四分部 2#搅拌站自验结果(一)序号评价项目与标准自验结果主控项目1验 收 申 请 单 位 和 盖 章 是 否 正确。2搅拌设备要求2.1是否有产品证明或出场质量证...

1、当您付费下载文档后,您只拥有了使用权限,并不意味着购买了版权,文档只能用于自身使用,不得用于其他商业用途(如 [转卖]进行直接盈利或[编辑后售卖]进行间接盈利)。
2、本站所有内容均由合作方或网友上传,本站不对文档的完整性、权威性及其观点立场正确性做任何保证或承诺!文档内容仅供研究参考,付费前请自行鉴别。
3、如文档内容存在违规,或者侵犯商业秘密、侵犯著作权等,请点击“违规举报”。

碎片内容

拌合站验收申报汇报材料文书

确认删除?
VIP
微信客服
  • 扫码咨询
会员Q群
  • 会员专属群点击这里加入QQ群
客服邮箱
回到顶部