电脑桌面
添加小米粒文库到电脑桌面
安装后可以在桌面快捷访问

某某地产公司住宅工程最全质量标准

某某地产公司住宅工程最全质量标准_第1页
1/25
某某地产公司住宅工程最全质量标准_第2页
2/25
某某地产公司住宅工程最全质量标准_第3页
3/25
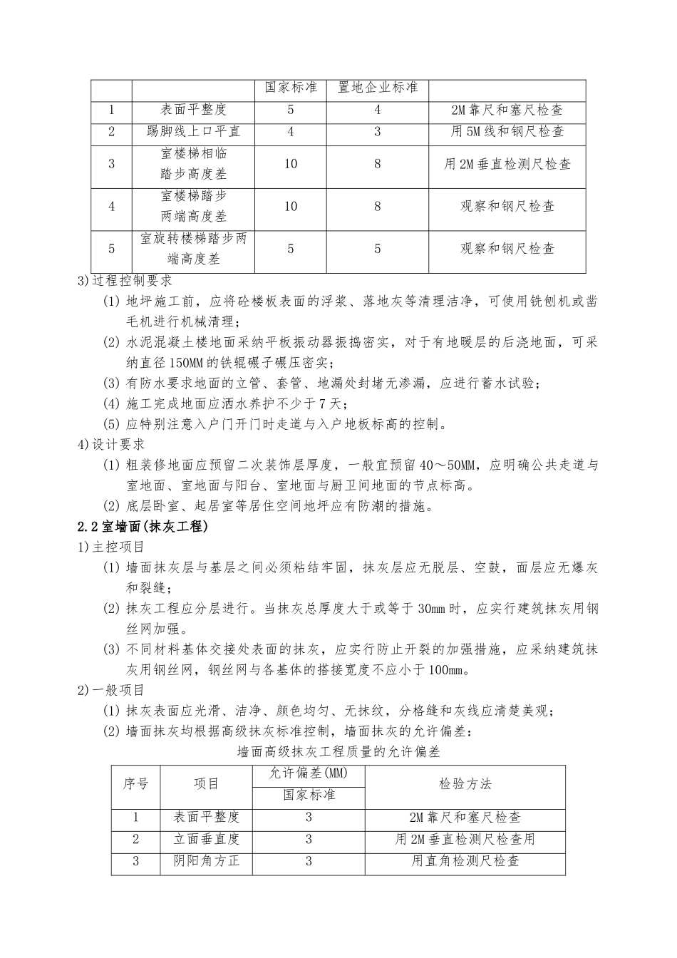
某某地产公司住宅工程最全质量标准1.引言1.1 目的为提升公司***住宅工程开发建设质量,确保住宅使用功能,提升客户满意度,特制定本标准。本标准为置地部住宅工程质量检查验收标准,也为各利润中心的自身管理与对设计、监理与承包商协调管理提供参考。1.2 使用围公司开发的新建住宅粗装修(毛坯房/初装饰)交楼工程,精装修房交楼工程将另行编制户精装修工程质量标准。1.3 编制依据本标准依据相关国家标准与公司工程质量建设规划编制,主要依据有:(1)《住宅设计规》(GB50096-1999)(2024 年修订版)(2)《住宅建筑规》(GB50368-2024)(3)《住宅性能评定技术标准》(GB/T50362-2024)(4)《工程建设标准强制性条文》(房屋建筑部分)建标[2000]85 号(5)《建筑装饰装修工程质量验收规》(GB50210-2001)(6)《建筑工程施工质量验收统一标准》(GB50300-2001)(7)《住宅工程初装饰竣工验收方法》(建监字[94]第 392 号)(8)《商品房销售管理方法》(建设部令第 88 号)1.4 其它说明本标准侧重于小业主对收楼的质量要求,各利润中心应参照本标准的质量要求,结合开发项目所在城市的定位与当地相关质量要求,制订相关工程质量规列入合同文件中 ,以使工程参加各方有明确的工程质量标准,做到有规可依。2.户质量验收标准2.1 室楼地面(水泥混凝土、水泥砂浆楼面)1)主控项目(1) 面层与下一层应结合牢固,无空鼓、裂纹;(2) 国家标准:空鼓面积不应大于 400CM2;且每自然间(标准间)不多于 2 处可不计;(3) 置地企业标准:100%无空鼓。2)一般项目(1) 地面表面密实,无地面裂缝、脱皮、麻面、起砂现象;(2) 地面坡度满足设计要求,坡向正确,不应有倒泛水和积水现象;(3) 踢脚线与墙面应结合紧密,高度一致,出墙厚度均匀;(4) 对于有室楼梯的,楼梯踏步的宽度、高度应符合设计要求;(5) 允许偏差应符合规定要求。水泥混凝土、水泥砂浆楼地面允许偏差序号项目允许偏差(MM)检验方法国家标准置地企业标准1表面平整度542M 靠尺和塞尺检查2踢脚线上口平直43用 5M 线和钢尺检查3室楼梯相临踏步高度差108用 2M 垂直检测尺检查4室楼梯踏步两端高度差108观察和钢尺检查5室旋转楼梯踏步两端高度差55观察和钢尺检查3)过程控制要求(1) 地坪施工前,应将砼楼板表面的浮浆、落地灰等清理洁净,可使用铣刨机或凿毛机进行机械清理;(2) 水泥混凝土楼地面采纳平板振动器振捣密实,对于有地暖层的后浇地面,可采纳直径 150MM 的铁辊碾子碾压密实;(3) 有防水要求...

1、当您付费下载文档后,您只拥有了使用权限,并不意味着购买了版权,文档只能用于自身使用,不得用于其他商业用途(如 [转卖]进行直接盈利或[编辑后售卖]进行间接盈利)。
2、本站所有内容均由合作方或网友上传,本站不对文档的完整性、权威性及其观点立场正确性做任何保证或承诺!文档内容仅供研究参考,付费前请自行鉴别。
3、如文档内容存在违规,或者侵犯商业秘密、侵犯著作权等,请点击“违规举报”。

碎片内容

某某地产公司住宅工程最全质量标准

您可能关注的文档

人从众+ 关注
实名认证
内容提供者

欢迎光临小店,本店以公文和教育为主,希望符合您的需求。

确认删除?
VIP
微信客服
  • 扫码咨询
会员Q群
  • 会员专属群点击这里加入QQ群
客服邮箱
回到顶部