电脑桌面
添加小米粒文库到电脑桌面
安装后可以在桌面快捷访问

某装饰有限公司工程施工质量记录表

某装饰有限公司工程施工质量记录表_第1页
1/55
某装饰有限公司工程施工质量记录表_第2页
2/55
某装饰有限公司工程施工质量记录表_第3页
3/55
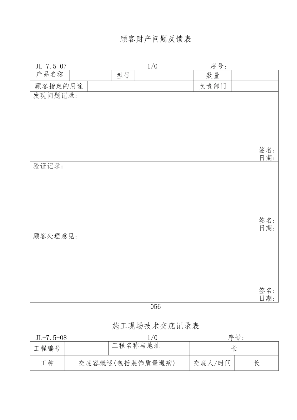
XXXX 装饰工程施工质量记录表编号XX—XXX01--2024版本A编制:审核:批准:时间:页码1/17目录编号1. 顾客财产问题反馈表 JL-7.5-07-2024 2. 施工现场技术交底记录表 JL-7.5-68-2024 3. 顾客财产验证记录表 JL-7.5-03-2024 4. 设计交底记录表 JL-7.5-09-20242 5. 施工现场原状交接单 JL-7.5-10-20242 6. 材料进场验收单 JL- 7.5-11-20242 7. 竣工验收报告单 JL-8.2.4-01-2024 8. 质量保证资料核查表 JL-8.2.4-02-2024 9. 泥工施工检验记录表 JL-8.2.4-04-2024 10.防水防潮施工检验记录表 JL-8.2.4-05-2024 11.水施工检验记录表 JL-8.2.4-06-2024 12.木工施工检验记录表 JL-8.2.4-07-2024 13.油漆施工检验记录表 JL-8.2.4-08-2024 14.煽灰施工检验记录表 JL-8.2.4-09-2024 15.电施工检验记录表 JL-8.2.4-10-2024 16.隐蔽工程检验记录表 JL-8.2.4-11-2024 17.顾客满意度调查表 JL-8.2.4-12-2024 说明 : 1. 本施工质量记录是公司的法规文件 , 适用于公司监理 ( 项目经理 ) 在工程施工过程中质 量检查填写 . 2. 是检查工程监理 ( 项目经理 ) 施工管理的业绩依据 . 3. 本表不得私事复制 , 不得转借 . 4. 要求填写字迹端正﹑数据准确﹑干净 . 顾客财产验证记录表JL-7.5-03 1/0 序号:序号财产名称规格型号数量质量状况验证人验证时间顾客确认052顾客财产问题反馈表JL-7.5-07 1/0 序号:产品名称型号数量顾客指定的用途负责部门发现问题记录: 签名: 日期:验证记录:签名: 日期:顾客处理意见:签名: 日期: 056施工现场技术交底记录表JL-7.5-08 1/0 序号:工程编号工程名称与地址长工种交底容概述(包括装饰质量通病)交底人/时间长杂工泥工水工电工木工油漆工煽灰工057设计交底记录表JL-7.5-09 工程编号:客户(甲方)名称: 工程地址:客户宅电: 办公室: 寻呼机: 手机:设计所在部门: 工程部:工程造价(大写人民币):开竣日期: 年 月 日至 年 月 日共计 天交底容: 1.图纸数量: 已装订□ 未装订□2.图纸名称:(1)平面图 尺寸:有□ 无□ 齐全□ 不齐全□ 材料标注: 有□ 无□ 不齐全□(2)立面图 尺寸:有□ 无□ 齐全□ 不齐全□ 材料标注: 有□ 无□ 不齐全□(3)剖面图 尺寸:有□ 无□ 齐全□ 不齐全□ 材料标注: 有□ 无□ 不齐全□(4)天花图 尺寸:有□ 无□ 齐全□ 不齐全□ 材料标注: 有□ 无□ 不齐全□(5)门窗图 尺寸:有□ 无□ 齐...

1、当您付费下载文档后,您只拥有了使用权限,并不意味着购买了版权,文档只能用于自身使用,不得用于其他商业用途(如 [转卖]进行直接盈利或[编辑后售卖]进行间接盈利)。
2、本站所有内容均由合作方或网友上传,本站不对文档的完整性、权威性及其观点立场正确性做任何保证或承诺!文档内容仅供研究参考,付费前请自行鉴别。
3、如文档内容存在违规,或者侵犯商业秘密、侵犯著作权等,请点击“违规举报”。

碎片内容

某装饰有限公司工程施工质量记录表

您可能关注的文档

一二三四传媒+ 关注
实名认证
内容提供者

大量资料供您选择,没有合适的可以联系小二。

确认删除?
VIP
微信客服
  • 扫码咨询
会员Q群
  • 会员专属群点击这里加入QQ群
客服邮箱
回到顶部