电脑桌面
添加小米粒文库到电脑桌面
安装后可以在桌面快捷访问

毕托管测速实验

毕托管测速实验_第1页
1/5
毕托管测速实验_第2页
2/5
毕托管测速实验_第3页
3/5
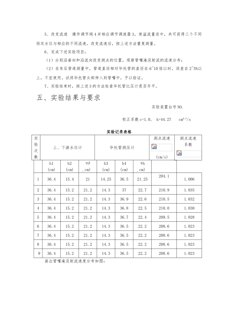
(四)毕托管测速实验一、实验目的和要求1.通过对管嘴淹没出流点流速与点流速系数的测量,掌握用毕托管测量点流速的技能;2.了解普朗特型毕托管的构造和适用性,并检验其量测精度,进一步明确传统流体力学量测仪器的现实作用。二、实验装置本实验的装置如图 4.1 所示。图 4.1 毕托管实验装置图1.自循环供水器;2.实验台;3.可控硅无级调速器;4.水位调节阀;5.恒压水箱;6.管嘴7.毕托管;8.尾水箱与导轨;9.测压管;10.测压计;11.滑动测量尺(滑尺);12.上回水管。说 明:经淹没管嘴 6,将高低水箱水位差的位能转换成动能,并用毕托管测出其点流速值。测压计 10 的测压管 1、2 用以测量低水箱位置水头,测压管 3、4 用以测量毕托管的全压水头和静压水头,水位调节阀 4 用以改变测点的流速大小。图 4.2 毕托管结构示意图三、实验原理图 4.3 毕托管测速原理图 (4.1)式中:——毕托管测点处的点流速;——毕托管的校正系数;——毕托管全压水头与静水压头差。 (4.2)联解上两式可得 (4.3)式中:——测点处流速,由毕托管测定;——测点流速系数;——管嘴的作用水头。四、实验方法与步骤1、准备 熟悉实验装置各部分名称、作用性能,搞清构造特征、实验原理。用医塑管将上、下游水箱的测点分别与测压计中的测管 1、2 相连通。将毕托管对准管嘴,距离管嘴出口处约 2~3cm,上紧固定螺丝。2、开启水泵 顺时针打开调速器开关 3,将流量调节到最大。3、排气 待上、下游溢流后,用吸气球(如医用洗耳球)放在测压管口部抽吸,排除毕托管与各连通管中的气体,用静水匣罩住毕托管,可检查测压计液面是否齐平,液面不齐平可能是空气没有排尽,必须重新排气。4、测记各有关常数和实验参数,填入实验表格。5、改变流速 操作调节阀 4 并相应调节调速器 3,使溢流量适中,共可获得三个不同恒定水位与相应的不同流速。改变流速后,按上述方法重复测量。6、完成下述实验项目:(1)分别沿垂向和沿流向改变测点的位置,观察管嘴淹没射流的流速分布;(2)在有压管道测量中,管道直径相对毕托管的直径在 6~10 倍以时,误差在 2~5%以上,不宜使用。试将毕托管头部伸入到管嘴中,予以验证。7、实验结束时,按上述 3 的方法检查毕托管比压计是否齐平。五、实验结果与要求实验装置台号 NO.校正系数 c=1.0, k=44.27cm0.5/s实验记录表格实验次数上、下游水位计毕托管测压计测点流速(cm/s)测点流速系数h1(cm)h2(cm)cm)h3(...

1、当您付费下载文档后,您只拥有了使用权限,并不意味着购买了版权,文档只能用于自身使用,不得用于其他商业用途(如 [转卖]进行直接盈利或[编辑后售卖]进行间接盈利)。
2、本站所有内容均由合作方或网友上传,本站不对文档的完整性、权威性及其观点立场正确性做任何保证或承诺!文档内容仅供研究参考,付费前请自行鉴别。
3、如文档内容存在违规,或者侵犯商业秘密、侵犯著作权等,请点击“违规举报”。

碎片内容

毕托管测速实验

阳光书坊+ 关注
实名认证
内容提供者

阳光书坊,传播未来

确认删除?
VIP
微信客服
  • 扫码咨询
会员Q群
  • 会员专属群点击这里加入QQ群
客服邮箱
回到顶部