电脑桌面
添加小米粒文库到电脑桌面
安装后可以在桌面快捷访问

汽轮机设备及系统技术讲义

汽轮机设备及系统技术讲义_第1页
1/95
汽轮机设备及系统技术讲义_第2页
2/95
汽轮机设备及系统技术讲义_第3页
3/95
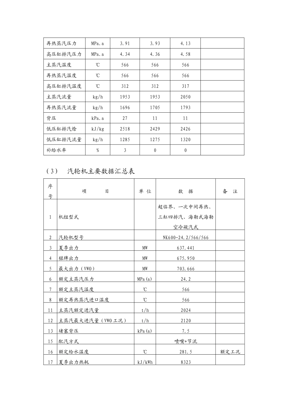
国电宝鸡第二发电厂 2×660MW 扩建工程(汽轮机设备及系统)技术讲义宋明伟2024 年 4 月汽轮机设备系统介绍一、汽轮机部分简介1、 汽轮机型式为超临界、一次中间再热、单轴、三缸四排汽、海勒式间接空冷凝汽式汽轮机。2、 设备使用条件· 机组布置方式:室内纵向布置,机组右扩建(从汽机房向锅炉房看),机头暂定朝向固定端。· 机组安装检修条件:机组运转层标高 13.7 m。· 旋转方向(从汽机向发电机看)顺时针。· 最大允许系统周波摆动: 48.5~51.5 Hz。· 润滑油管路布置:从汽轮机向发电机看暂定为右侧布置。·汽轮机配上海电气电站设备有限公司上海发电机厂制造的QFSN660-2 型静态励磁水氢氢发电机。· 给 水 泵 配 置 : 给 水 系 统 为 单 元 制 。 一 台 机 组 配 备2×50%BMCR 汽动给水泵,一台 30%BMCR 启动电动给水泵。汽动给水泵排汽排至主汽轮机喷射式混合凝汽器。3、 冷却方式对海勒空冷系统:冷却介质为水和空气,冷却设备为喷射式混合凝汽器和间冷塔。开式冷却水采纳循环水,补充水为水库来水,闭式循环冷却水采纳除盐水。闭式循环冷却水系统的最高温度为 40 ℃,开式冷却水温度为 33 ℃。4、 机组的额定设计参数(1) 在汽机主汽阀前额定压力:24.2MPa 额定温度:566℃(2) 中压联合汽门前 额定压力:90%汽机高压缸排汽压力(约4.13 MPa)。额定温度: 566℃汽轮机不同工况下特性项 目单位夏季工况额定工况VWO 工况堵塞背压工况机组出力MW630660683汽轮发电机组热耗值kJ/kWh829379667970主蒸汽压力MPa.a24.224.224.2再热蒸汽压力MPa.a3.913.934.13高压缸排汽压力MPa.a4.344.364.58主蒸汽温度℃566566566再热蒸汽温度℃566566566高压缸排汽温度℃312312317主蒸汽流量kg/h195319532050再热蒸汽流量kg/h169617051793背压kPa.a271111低压缸排汽焓kJ/kg251824292426低压缸排汽流量kg/h128512751320补给水率%300(3) 汽轮机主要数据汇总表序号项 目单 位数 据备 注1机组型式超临界、一次中间再热、 三缸四排汽、海勒式海勒空冷凝汽式2汽轮机型号NK600-24.2/566/5663夏季出力MW637.4414铭牌出力MW675.9505最大出力(VWO)MW703.6666额定主蒸汽压力MPa(a)24.27额定主蒸汽温度℃5668额定再热蒸汽进口温度℃56611主蒸汽额定进汽量t/h202412主蒸汽最大进汽量(VWO 工况)t/h212013堵塞背压kPa(a)7.515配汽方式喷嘴+节流16额定给水温度℃281.5额定工况17夏季出力热耗kJ/k...

1、当您付费下载文档后,您只拥有了使用权限,并不意味着购买了版权,文档只能用于自身使用,不得用于其他商业用途(如 [转卖]进行直接盈利或[编辑后售卖]进行间接盈利)。
2、本站所有内容均由合作方或网友上传,本站不对文档的完整性、权威性及其观点立场正确性做任何保证或承诺!文档内容仅供研究参考,付费前请自行鉴别。
3、如文档内容存在违规,或者侵犯商业秘密、侵犯著作权等,请点击“违规举报”。

碎片内容

汽轮机设备及系统技术讲义

雏圣文化+ 关注
实名认证
内容提供者

欢迎光临,大量办公文档供您挑选。

确认删除?
VIP
微信客服
  • 扫码咨询
会员Q群
  • 会员专属群点击这里加入QQ群
客服邮箱
回到顶部