电脑桌面
添加小米粒文库到电脑桌面
安装后可以在桌面快捷访问

电梯技术参数

电梯技术参数_第1页
1/6
电梯技术参数_第2页
2/6
电梯技术参数_第3页
3/6
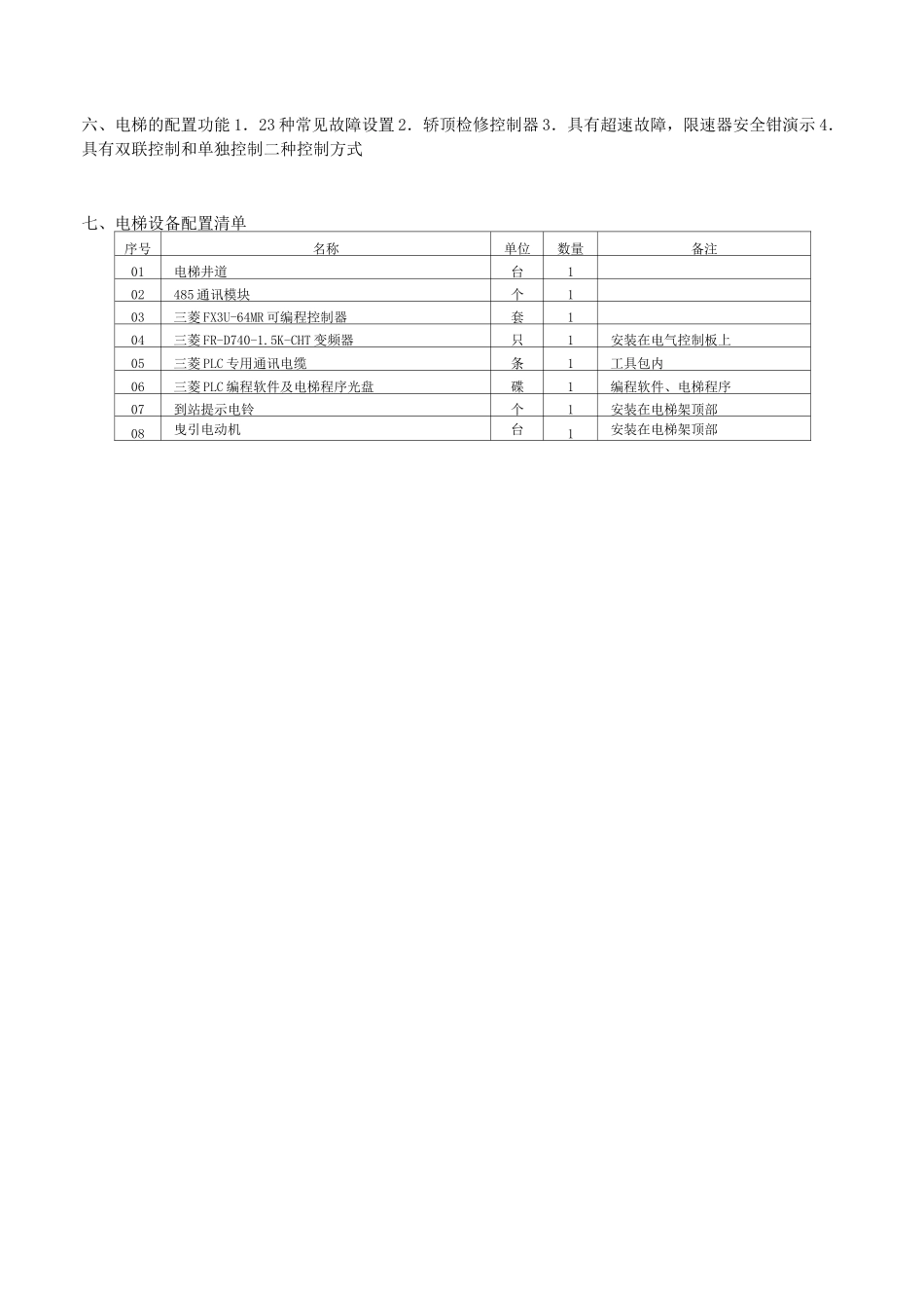
电梯技术参数一、电梯的基本结构根据最常见的升降式电梯结构,采用钢管焊接一体而成,表面经过磷化喷塑处理、具有良好的结构刚性。电梯主要机构部件均采用透明有机材料制成(包括:限速器、轿厢、层门及门厅立面、轿门、轿厢、机房底板、导轨支架等)。1.机房部分:包括曳引减速机、曳引电动机、制动器、曳引轮、旋转编码器。2.控制柜部分:总电源、控制电源、PLC 可编程控制器、变频器、接线板等设备。3.井道部分:包括导轨、对重装置、缓冲器、限速器钢丝绳张紧装置、极限开关、平层感应器、随行电缆等。4. 厅门部分:包括厅门、召唤按钮厢、楼层显示装置等。5. 轿厢部分:包括轿厢、轿门及触板、限速器开关、限速器拉杆、安全钳、导靴、门机机构、开到位开关、关到位开关、平层感应装置、轿厢照明、风扇等。二、电梯电气系统功能电梯电气控制系统采用 PLC 可编程控制器实现逻辑智能控制,交流变频调速驱动,具有自动平层、自动开门关门、顺向响应轿厢内外呼梯信号、直驶、电梯安全运行保护以及电梯急停、慢上、慢下、照明、风扇等功能。通过设备上配有的通讯接口,可实现两台电梯联动控制。1.基本功能1)自动平层。2)自动开关门,手动开关门。3)顺向响应轿厢呼梯信息。4)断绳保护,限速保护,缓冲保护,超重保护等。5)上下限位保护,轿门安全触板保护,上下终端极限开关保护。6)层门连锁保护。7)自动/手动,直驶操作。8)慢上、慢下操作。9)照明、风扇、急停等。2. 特殊功能1)平层设置与学习程序功能。2)连续靠站自动测试演示。3)PLC 连接及程序上载下载。4)PLC 监控调试及参数设置。5)变频器参数设置及调试。6)超速故障,限速器安全钳演示。7)开关门动作时间保护,平层高度设置。8)变频器预置速度控制的减速-慢车-停止。三、电梯机械装置功能1. 超速安全保护系统当电梯发生意外事故时,轿厢超速或高速下滑(如钢丝绳折断,轿顶滑轮脱离,曳引机蜗轮蜗杆合失灵,电机下降转速过高等原因)。这时,限速器就会紧急制动,通过安全钢索及连杆机构,带动安全钳动作,使轿厢卡在导轨上而不会下落。2. 轿厢、对重用弹簧缓冲装置缓冲器是电梯极限位置的安全装置,当电梯因故障,造成轿厢或对重蹲底或冲顶时(极限开关保护失效),轿厢或对重撞击弹簧缓冲器,由缓冲器吸收电梯的能量,从而使轿厢或对重安全减速直至停止。3. 门安全触板保护装置在轿厢门的边沿上,装有活动的安全触板。当门在关闭过程中,安全触板与乘客或障...

1、当您付费下载文档后,您只拥有了使用权限,并不意味着购买了版权,文档只能用于自身使用,不得用于其他商业用途(如 [转卖]进行直接盈利或[编辑后售卖]进行间接盈利)。
2、本站所有内容均由合作方或网友上传,本站不对文档的完整性、权威性及其观点立场正确性做任何保证或承诺!文档内容仅供研究参考,付费前请自行鉴别。
3、如文档内容存在违规,或者侵犯商业秘密、侵犯著作权等,请点击“违规举报”。

碎片内容

电梯技术参数

wxg+ 关注
实名认证
内容提供者

该用户很懒,什么也没介绍

确认删除?
VIP
微信客服
  • 扫码咨询
会员Q群
  • 会员专属群点击这里加入QQ群
客服邮箱
回到顶部