电脑桌面
添加小米粒文库到电脑桌面
安装后可以在桌面快捷访问

继电保护与自动化综合实验报告

继电保护与自动化综合实验报告_第1页
1/47
继电保护与自动化综合实验报告_第2页
2/47
继电保护与自动化综合实验报告_第3页
3/47
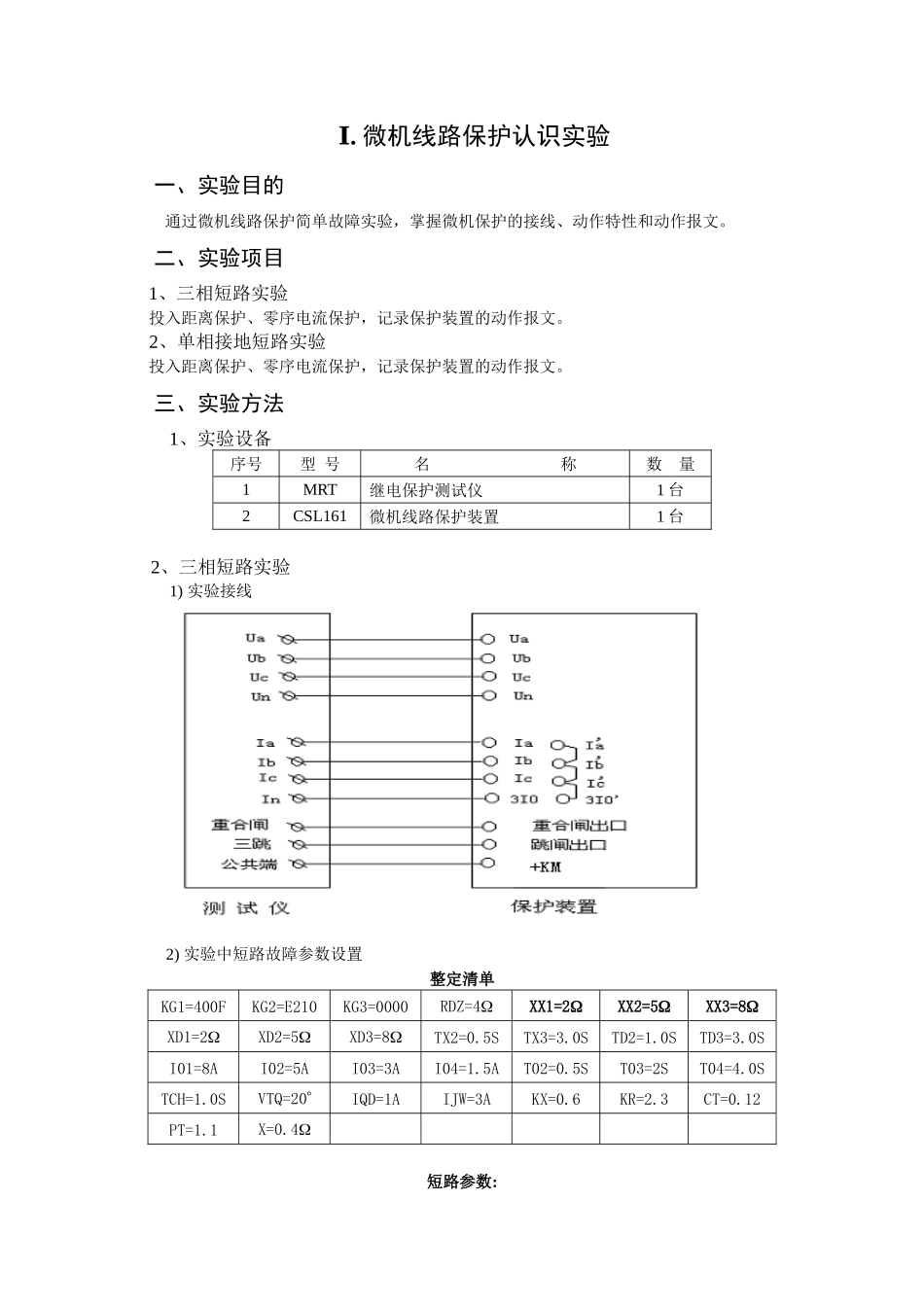
华 北 电 力 大 学继电保护与自动化综合 实 验 报 告 院系 电气学院 班级 姓名 学号 同组人姓名 日期 2024 年 1 月 20 日 老师 肖仕武 成绩 . Ⅰ 微机线路保护认识实验一、实验目的 通过微机线路保护简单故障实验,掌握微机保护的接线、动作特性和动作报文。二、实验项目 1、三相短路实验 投入距离保护、零序电流保护,记录保护装置的动作报文。 2、单相接地短路实验 投入距离保护、零序电流保护,记录保护装置的动作报文。三、实验方法1、实验设备序号型 号名 称数 量1MRT继电保护测试仪1 台2CSL161B微机线路保护装置1 台 2、三相短路实验1) 实验接线2) 实验中短路故障参数设置整定清单KG1=400FKG2=E210KG3=0000RDZ=4XX1=2XX2=5XX3=8XD1=2XD2=5XD3=8TX2=0.5STX3=3.0STD2=1.0STD3=3.0SI01=8AI02=5AI03=3AI04=1.5AT02=0.5ST03=2ST04=4.0STCH=1.0SVTQ=20IQD=1AIJW=3AKX=0.6KR=2.3CT=0.12PT=1.1X=0.4短路参数:KR=2.30,KX=0.60;短路电流 Ik=5A,故障前时间 5s,故障时间 5s3) 保护动作情况记录相别瞬时/永久故障短路阻抗(Ω)跳A(s)跳B(s)跳C(s)重合闸(s)后加速(s)故障前时间(s)故障时间(s)ABC永久40.5040.5040.5041.047—55报文:2ZKJCK,CHCK,CJ L=91.50 BC(相间 II 段阻抗出口,重合出口,测距 91.50km,BC 相故障)理论:相间 II 段阻抗出口,重合出口,相间 III 段阻抗出口,测距 91.70km,ABC 三相短路ABC瞬时73.0053.0053.0051.046—55报文:3ZKJCK,CHCK,CJ L=159.00 AB(相间 III 段阻抗出口,重合出口,测距 159.00km,AB 相故障)理论:相间 III 段阻抗出口,重合出口,测距 160.48km,ABC 三相短路4) 报文及保护动作结果分析二次侧:Z2=U2 / I2,一次侧:Z1=U2*1.1 /(I2*0.12)=9.17Z2,则有:二次侧短路阻抗为 1Ω 时,理论测距 L=9.17*1/0.4=22.93(km)二次侧短路阻抗为 4Ω 时,理论测距 L=9.17*4/0.4=91.70(km)二次侧短路阻抗为 7Ω 时,理论测距 L=9.17*7/0.4=160.48(km)相间距离保护基本能正确动作,但无法正确反映三相短路故障,出现选相错误。故障发生地距离越远,测距误差越小,I 段测距误差较大。实验中发生永久性故障时,无后加速时间,据说明书,理论上只要是永久性故障,重合闸失败后,都由 III 段保护再次切除,III 段没有动作是因为电脑模拟系统永久性故障时,故障持续时间(5s)设置得过短,III 段动作时间...

1、当您付费下载文档后,您只拥有了使用权限,并不意味着购买了版权,文档只能用于自身使用,不得用于其他商业用途(如 [转卖]进行直接盈利或[编辑后售卖]进行间接盈利)。
2、本站所有内容均由合作方或网友上传,本站不对文档的完整性、权威性及其观点立场正确性做任何保证或承诺!文档内容仅供研究参考,付费前请自行鉴别。
3、如文档内容存在违规,或者侵犯商业秘密、侵犯著作权等,请点击“违规举报”。

碎片内容

继电保护与自动化综合实验报告

津创媒+ 关注
实名认证
内容提供者

欢迎交流文创,小店资料希望满足您的需要。

确认删除?
VIP
微信客服
  • 扫码咨询
会员Q群
  • 会员专属群点击这里加入QQ群
客服邮箱
回到顶部