电脑桌面
添加小米粒文库到电脑桌面
安装后可以在桌面快捷访问

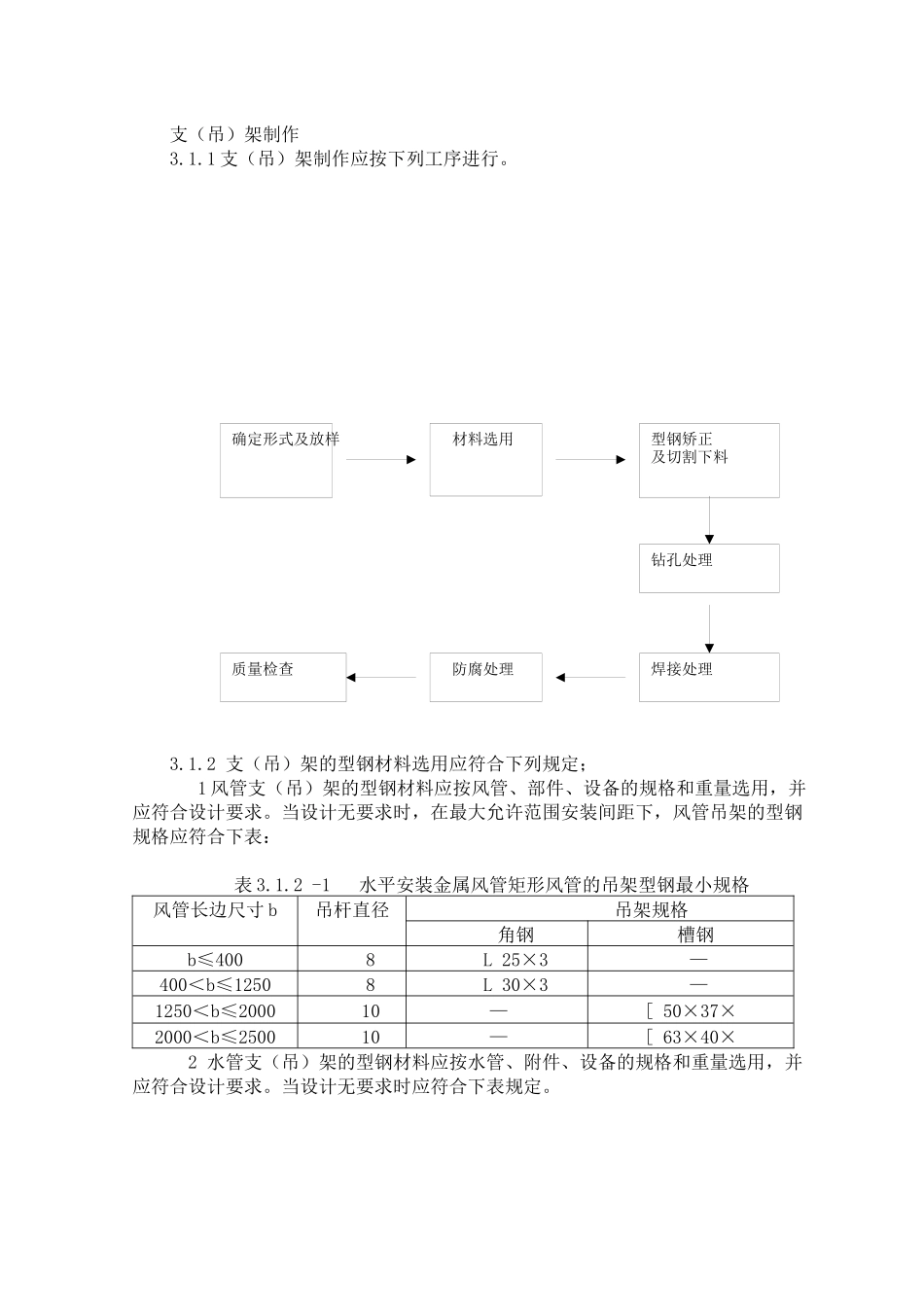
支吊架制作安装工艺标准VIP免费

支吊架制作安装工艺标准_第1页
1/29
支吊架制作安装工艺标准_第2页
2/29
支吊架制作安装工艺标准_第3页
3/29
支吊架制作安装工艺标准Thefollowingtextisamendedon12November2020.支(吊)架制作安装工艺标准一、一般规定支(吊)架的固定方式及配件的使用应满足设计要求,并应当符合下列规定:1.1.1支(吊)架应当满足其承重要求;1.1.2支(吊)架应当固定在可靠的建筑结构上,不应影响结构安全;1.1.3严禁将支(吊)架焊接在承重钢结构及屋架的钢梁上,设计允许除外;1.1.4埋设支(吊)架的水泥砂浆应在达到强度后,再搁置管道。支(吊)架的预埋件位置应正确、牢固可靠,埋入结构部分应除锈,除油污,并不应涂漆,外漏部分应当做防腐处理。管道的支(吊)架选用的绝热材料衬垫应满足设计要求,并应符合下列规定:1.3.1绝热衬垫厚度不小于管道绝热层的厚度,宽度应大于支(吊)架承面宽度,衬垫应完整,与绝热材料之间应当密实、无空隙。1.3.2绝热衬垫应满足其承压能力,安装后不变形;1.3.3采用木质材料作为绝热衬垫时,应进行防腐处理;1.3.4绝热衬垫应形状规则,表面完整,无缺损。厚度不应小于接触型钢面的宽度。二、施工准备管道支(吊)架加工制作前应根据管道的材质,管径大小等,按标准图集进行选型,支(吊)架的高度应根据深化设计图纸进行确定,防止施工过程中管道与其它专业的管道发生“碰撞”。管道支(吊)架加工前必须进行放样,作出同规格同型号部件的样图,注明每一道工序的加工要求和质量标准。支(吊)架制作安装所需的各种机具设备准备齐全。主要包括:2.3.1砂轮切割机或液压切割机,不得采用气割切断。切断时要注意刀具的一侧靠线,使下料长度一致。2.3.2根据管道布排制作加工工装,确定支(吊)架钻孔定位,保温管道支(吊)架钻孔定位时在本标准尺寸要求的基础上,再考虑保温材料厚度。2.3.3管道需要钻孔的部位,应采用手电钻或台钻,不得用氧气乙炔焰或电焊割孔。综合支(吊)架钻孔前采用工装钻孔定位,单管支(吊)架在型钢上划十字线,并在交点上打样冲眼,然后钻孔。2.3.4将需要组装焊接的支(吊)架,要先划出定位线,组对时先点焊,经复查合格后再进行满焊,焊接质量必须符合焊接质量标准。三、施工工艺流程及操作要点确定形式及放样材料选用型钢矫正及切割下料钻孔处理焊接处理防腐处理质量检查支(吊)架制作3.1.1支(吊)架制作应按下列工序进行。3.1.2支(吊)架的型钢材料选用应符合下列规定;1风管支(吊)架的型钢材料应按风管、部件、设备的规格和重量选用,并应符合设计要求。当设计无要求时,在最大允许范围安装间距下,风管吊架的型钢规格应符合下表:表3.1.2-1水平安装金属风管矩形风管的吊架型钢最小规格风管长边尺寸b吊杆直径吊架规格角钢槽钢b≤4008L25×3—400<b≤12508L30×3—1250<b≤200010—[50×37×2000<b≤250010—[63×40×2水管支(吊)架的型钢材料应按水管、附件、设备的规格和重量选用,并应符合设计要求。当设计无要求时应符合下表规定。表3.1.2-2水平管道支(吊)架的型钢最小规格(mm)注:1、对于管径大于300的管道,管径每增加2个型号,型钢、吊杆、膨胀螺栓等应相应增大1个型号。2、表中“*”表示两个角钢加固件。3.1.3支(吊)、吊架制作前,应对型钢进行矫正。型钢宜采用机械切割,切割边缘应进行打磨处理。型钢切割下料应符合下列规定:1型钢斜支(吊)撑、悬臂型钢支(吊)架栽入墙体部分应采用燕尾型式,栽入部分不应小于120mm。图3.1.3-1燕尾型式预埋支架2横担长度应预留管道及保温宽度(如下图)公称直径横担角钢槽钢横担加固角钢或槽钢(斜支撑)膨胀螺栓吊杆直径吊环、抱箍25L20×3M8610圆钢32L20×3M8640L20×3M10850L25×4M10812圆钢65L36×4M14880L36×4M1410100L45×4[50×37×M161016圆钢125L50×5[50×37×M1612150L63×5[63×40×M181218圆钢200[63×40×*L45×4或[63×40×M1816250[100×48×*L45×4或[63×40×M201820圆钢300[125×53×*L45×4或[63×40×M202220圆钢图3.1.3-2风管吊架图3.1.3-3风管防晃支(吊)架3.1.4角钢类支(吊)架的制安1倒吊式:图3.1.4-1倒吊式支架表3.1.4-1倒吊式支(吊)吊架材料适用表吊架钢材适用管道倒吊钢板膨胀螺栓L30×30×4≤DN25δ=6100×100M8×80L40×40×5DN32~...

1、当您付费下载文档后,您只拥有了使用权限,并不意味着购买了版权,文档只能用于自身使用,不得用于其他商业用途(如 [转卖]进行直接盈利或[编辑后售卖]进行间接盈利)。
2、本站所有内容均由合作方或网友上传,本站不对文档的完整性、权威性及其观点立场正确性做任何保证或承诺!文档内容仅供研究参考,付费前请自行鉴别。
3、如文档内容存在违规,或者侵犯商业秘密、侵犯著作权等,请点击“违规举报”。

碎片内容

支吊架制作安装工艺标准

您可能关注的文档

确认删除?
VIP
微信客服
  • 扫码咨询
会员Q群
  • 会员专属群点击这里加入QQ群
客服邮箱
回到顶部