电脑桌面
添加小米粒文库到电脑桌面
安装后可以在桌面快捷访问

QC小组活动成果-一次成型地坪施工质量控制

QC小组活动成果-一次成型地坪施工质量控制_第1页
1/13
QC小组活动成果-一次成型地坪施工质量控制_第2页
2/13
QC小组活动成果-一次成型地坪施工质量控制_第3页
3/13
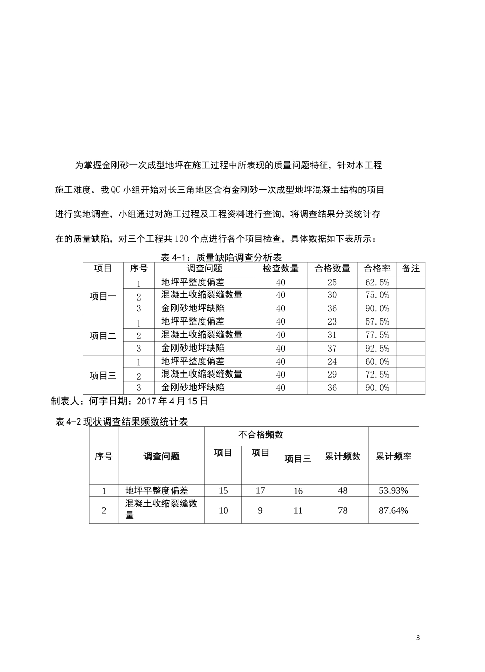
1一次成型地坪施工质量控制浙江省建工集团有限责任公司卓尚服饰(杭州)有限公司工业厂房工程 QC 小组一、工程概况卓尚服饰(杭州)有限公司工业厂房工程是由卓尚服饰(杭州)有限公司投资建设的工业用房。本工程由 5 号厂房及门卫房组成,地下 1 层,地上 10 层,总建筑面积 108324m,其中 5 号厂房建筑面积 108217 甘,门卫房 107 甘。其中,建筑一层至十层楼地面为金刚砂一次成型地坪,面积约 7 万平方米。本工程建筑使用功能主要为服装厂工业厂房,业主为保证地坪使用期限长久,减少因二次地坪施工造成的空鼓、使用耐久性等问题造成的地坪返修,不经济。提出减去建筑面层,直接在结构面层进行“金刚砂+固化剂”施工。因此,一次成型地坪施工质量控制是现场质量控制一项重点及难点,对整个建筑的观感质量和使用价值有着非常重要的影响。二、QC 小组成员简介与时间安排1、QC 小组成员简介本工程项目部管理人员在以往的工程施工中,通过积极开展全面质量管理活动,取得了良好的质量效果。为了本工程“金刚砂一次成型地坪”施工工艺能够顺利进行,进一步激发项目部专业管理人员的积极性和创造性,并通过群众性质量管理活动为工程建设提供保证,项目部在集团注册登记成立了 QC 小组。小组成员自愿参加,其中包括管理人员、技术人员和一线班组人员。表 2:QC 小组成员简历表小组名称卓尚服饰(杭州)有限公司工业厂房工程 QC小组注册日期2017 年 4 月课题名称一次成型地坪施工质量控制注册号ZJJGQC17-05活动日期2017 年 4 月~2018 年 1 月小组类型攻关型序号职务姓名性别年龄文化程度项目职务职称1组长蔡晓杰男31本科项目经理工程师2副组长何宇男29本科技术负责人工程师3组员许康男29本科公司质量专员工程师4组员聂延国男30本科总施工工程师5组员付伟男27专科质量员助理工程师6组员刘豪男25本科施工员助理工程师27组员周宇男26本科施工员助理工程师8组员安斌男26本科施工员助理工程师制表人:何宇日期:2017 年 4 月 10 日2、小组活动时间安排项目内容形式负责人时间小组成立QC 小组在项目部会议室宣布成立,集思广益确定课题集中讨论蔡晓杰2017 年 4 月 10 日难点分析根据次成型地坪施工工程的参观及调查结果,找出影响地坪成型质量的主要原因参观调查集中讨论何宇2017 年 4 月 15 日目标制定确定 QC 活动进行的主要目标集中讨论何宇2017 年 4 月 30 日制定对策针对影响一次成型地坪施工质...

1、当您付费下载文档后,您只拥有了使用权限,并不意味着购买了版权,文档只能用于自身使用,不得用于其他商业用途(如 [转卖]进行直接盈利或[编辑后售卖]进行间接盈利)。
2、本站所有内容均由合作方或网友上传,本站不对文档的完整性、权威性及其观点立场正确性做任何保证或承诺!文档内容仅供研究参考,付费前请自行鉴别。
3、如文档内容存在违规,或者侵犯商业秘密、侵犯著作权等,请点击“违规举报”。

碎片内容

QC小组活动成果-一次成型地坪施工质量控制

您可能关注的文档

确认删除?
VIP
微信客服
  • 扫码咨询
会员Q群
  • 会员专属群点击这里加入QQ群
客服邮箱
回到顶部