电脑桌面
添加小米粒文库到电脑桌面
安装后可以在桌面快捷访问

第一章:锅炉的工作原理VIP免费

第一章:锅炉的工作原理_第1页
1/13
第一章:锅炉的工作原理_第2页
2/13
第一章:锅炉的工作原理_第3页
3/13
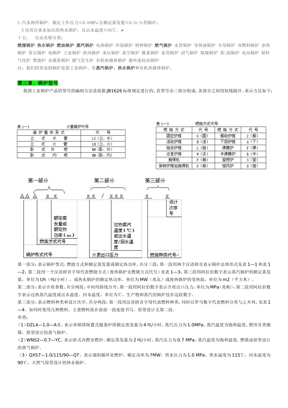
第一章:锅炉的工作原理锅炉的用途及工作原理锅炉是国民经济中重要的热能供应设备。电力、机械、冶金、化工、纺织、造纸、食品等行业,以及工业和民用采暖都需要锅炉供给大量的热能。)锅炉是利用燃料燃烧释放出的热能或其他能量将工质(中间载热体)加热到一定参数的设备。应用于加热水使之转变为蒸汽的锅炉称为蒸汽锅炉,也称为蒸汽发生器;应用于加热水使之提高温度转变为热水的锅炉,称为热水锅炉;而应用于加热有机热载体的锅炉称为有机热载体锅炉。从能源利用的角度看,锅炉是一种能源转换设备。在锅炉中,一次能源(燃料)的化学贮藏能通过燃烧过程转化为燃烧产物(烟气和灰渣)所载有的热能,然后又通过传热过程将热量传递给中间载热体(例如水和蒸汽),依靠它将热量输送到用热设备中去。这种传输热量的中间载热体属于二次能源,因为它的用途就是向用能设备提供能量。当中间载热体用于在热机中进行热一功转换时,就叫做“工质“。如果中间载热体只是向热设备传输、提供热量以进行热利用,则通常被称为“热媒“。锅炉按其用途可以分为电站锅炉、工业锅炉、船舶锅炉和机车锅炉等四类。前两类又称为固定式锅炉,因为是安装在固定基础上而不可移动的。后两类则称为移动式锅炉。本书介绍的是固定式工业锅炉。在锅炉中进行着三个主要过程:1)燃料在炉内燃烧,其化学贮藏能以热能的形式释放出来,使火焰和燃烧产物(烟气和灰渣)具有高温。2)高温火焰和烟气通过“受热面“向工质(热媒)传递热量。3)工质(热媒)被加热,其温度升高或者汽化为饱和蒸汽,或再进一步被加热成为过热蒸汽。以上三个过程是互相关联并且同时进行的,实现着能量的转换和传递。伴随着能量的转换和转移还进行着物质的流动和变化:(1)工质,例如给水(或回水〉进入锅炉,最后以蒸汽(或热水)的形式供出。(2)燃料,例如煤进入炉内燃烧,其可燃部分燃烧后连同原含水分转化为烟气,其原含灰分则残存为灰渣。(3)空气送入炉内,其中氧气参加燃烧反应,过剩的空气和反应剩余的惰性气体混在烟气中排出。水一汽系统、煤一灰系统和风二烟系统是锅炉的三大主要系统,这三个系统的工作是同时进行的。通常将燃料和烟气这一侧所进行的过程(包括燃烧、放热、排渣、气体流动等)总称为“炉内过程“;把水、汽这-1侧所进行的过程(水和蒸汽流动、吸热、汽化、汽水分离、热化学过程等)总称为“锅内过程“。第二章:锅炉的分类一、按用途分类:1.电站锅炉:用于发电,大多为大容量、高参数锅炉,火室燃烧,效率高,出口工质为过热蒸汽。2.工业锅炉:用于工业生产和采暖,大多数为低压、低温、小容量锅炉,火床燃烧居多,热效率较低,出口,工质为蒸汽的称为蒸汽锅炉出口工质为热水的称为热水锅炉。3.船用锅炉:4.机车锅炉:5.注汽锅炉:用于油田对稠油的注汽热采,出口工质一般为,高压湿蒸汽。二、按结构分类:1.火管锅炉:烟气在火管内流过,一般为小容量、低参数锅炉,热效率低,但结构简单,水质要求低,运行维修方便。2.水管锅炉:汽水在管内流过,可以制成小容量,低参数锅炉,也可以制成大容量、高参数锅炉。电站锅炉一般均为水管锅炉,热效率高,但对水质和运行水平的要求也较高。三、按循环方式分类1.自然循环锅筒锅炉2.多次强制循环锅筒锅炉3.低倍率循环锅炉4.直流锅炉5.复合循环锅炉四、按锅炉出口工质压力分类1.低压锅炉:一般压力小于1.275MPa2.中压锅炉:一般压力为3.825MPa3.高压锅炉:一般压力为9.8MPa4.超高压锅炉:一般压力为13.73MPa5.亚临界压力锅炉:一般压力为16.67MPa6.超临界压力锅炉:一般压力为22.13MPa五、按燃烧方式分类1.火床燃烧锅炉:主要用于工业锅炉,包括固定炉排炉、往复炉排炉等。2.火室燃烧锅炉:主要用于电站锅炉,燃用液体燃料、气体燃料和煤粉的锅炉均为火室燃烧锅炉3.沸腾炉:送入炉排空气流速较高,使大颗粒燃煤在炉排上面的沸腾床中翻腾燃烧,小颗粒燃煤随空气上升并燃烧。六、按所用燃料或能源分类1.固体燃料锅炉:燃用煤等固体燃料;2.液体燃料锅炉:燃用重油等液体燃料;3.气体燃料锅炉:燃用天然气等气体燃料;七、按排渣方式分类1.固态排渣锅炉2.液态排渣锅炉八、按炉膛烟气压力1.负压锅炉:炉膛压力保持负压,有送、引风机...

1、当您付费下载文档后,您只拥有了使用权限,并不意味着购买了版权,文档只能用于自身使用,不得用于其他商业用途(如 [转卖]进行直接盈利或[编辑后售卖]进行间接盈利)。
2、本站所有内容均由合作方或网友上传,本站不对文档的完整性、权威性及其观点立场正确性做任何保证或承诺!文档内容仅供研究参考,付费前请自行鉴别。
3、如文档内容存在违规,或者侵犯商业秘密、侵犯著作权等,请点击“违规举报”。

碎片内容

第一章:锅炉的工作原理

确认删除?
VIP
微信客服
  • 扫码咨询
会员Q群
  • 会员专属群点击这里加入QQ群
客服邮箱
回到顶部