电脑桌面
添加小米粒文库到电脑桌面
安装后可以在桌面快捷访问

PLC控制技术2 课程标准VIP专享

PLC控制技术2 课程标准_第1页
1/9
PLC控制技术2 课程标准_第2页
2/9
PLC控制技术2 课程标准_第3页
3/9
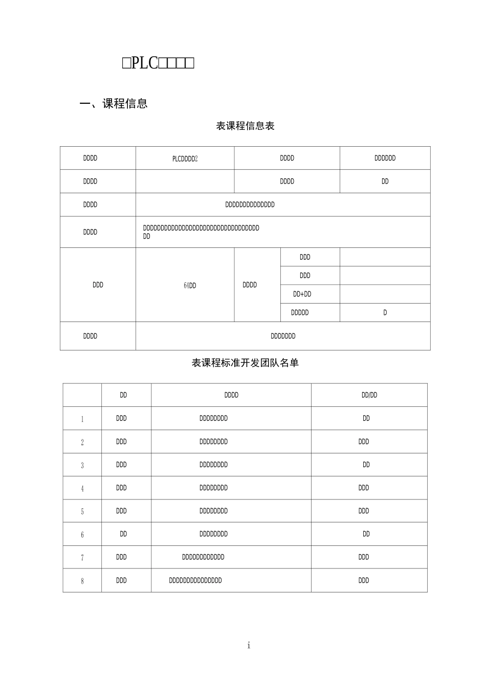
DDDDDDDDDDDDDDDDDDDDDDDDDDDDDDDDDD2019D9DDDDDDDDDDDDDDDDDDDDDDDDDDPLCDDDD2Di□PLC□□□□一、课程信息表课程信息表DDDDPLCDDDD2DDDDDDDDDDDDDDDDDDDDDDDDDDDDDDDDDDDDDDDDDDDDDDDDDDDDDDDDDDDDDDDDDDDDDDDDDDDDDDDD64DDDDDDDDDDDDDD+DDDDDDDDDDDDDDDDDDD表课程标准开发团队名单DDDDDDDD/DD1DDDDDDDDDDDDD2DDDDDDDDDDDDDD3DDDDDDDDDDDDD4DDDDDDDDDDDDDD5DDDDDDDDDDDDDD6DDDDDDDDDDDD7DDDDDDDDDDDDDDDDDD8DDDDDDDDDDDDDDDDDDDDDii二、课程性质和功能定位(一)课程性质控制技术》是电气自动化及技术专业核心学习领域课程,是集计算机技术、电工技术、自动控制技术和网络通信技术于一体的综合性课程。课程任务:通过本课程的学习,能够使学生掌握的构成、指令系统及编程方法,形成控制电路的初步设计、调试、故障处理能力和应用可编程控制器实现控制要求的能力。(二)课程功能定位表课程功能定位分析DDDDDDDDDDDDDDDDDDDDDDDDDDDDDDDDDDDDDDDDDDDDDDDDDDDDDDDDDDDnnnDDDDDDDDDDDDDDDDDDDDDDDDD三、课程目标与内容(一)课程总目标知识目标使学生掌握的基本特性及编程方法,了解的基本使用,为学习后续课程和今后的工作准备必要的基础知识。能力目标培养学生掌握的功能指令、模拟量控制、网络通讯等进阶知识,形成控制电路的设计、安装、调试、故障处理能力和应用可编程控制器实现控制要求的能力。素质目标在教学过程中,引导学生热爱工作、积极进取,并达到以下要求:对从事的设计、编程、调试工作,充满热情;有较强的求知欲,乐于、善于使用所学编程知识与逻辑思维解决生产实际问题。具有克服困难的信心和决心,从战胜困难中体验喜悦;具有实事求是的科学态度。对中国制造业及智能制造有着崇髙理想,具备学习报国的信念。3(二)课程具体目标表课程教学目标与内容DDDDDDDDDDDDDDDDDDDDDDDDDDDDDDD1.DDDDDDDDDDD1DDDDDDDDDDDDDDDDDDDD1DDDDDDDDD1.DDDDDDDDDDDD2. DDDDDDDDDDDDDDDDDDDDDDDDDDDDDDDDDDDDD2.DDDDDDDDDDDD3.DDDDDDDDDDDDDDDDDDDDDDDDDDDDDDDDDD2DDDDDDDDDDDDDDDDDDDDDDD3DDDDDDDDDDDDDDDDDDDDDDDDDDDDDDDDDDDDDDDDDDDDDDD1.D 叮 DD1DDDDDDDDDD1.DDDDDDDDDDDDDDDDDDDDDDDDDDDDDDDDDDDDDDDDDDDDDDDDDDDDDDDDDDDD2.DDDDDDDDDDDDDDD22.DDDDDDDDDDDDDDDDDDDDDDDDDDDDDDDDDDDDDDDDD3.叮 PLCDDDDDDDD2DDDDDDDDDDDDDDDDDDDD3.DDDDDDDDDDDDDDDDDDDDDDDDDDDDDDDDDDDDDDDDDDDDDDDDD3DDDDDDDDDDDDDDDDDD1.DDDDD1DDDDDDDDDDDDDDDDDDDDDDDDDD...

1、当您付费下载文档后,您只拥有了使用权限,并不意味着购买了版权,文档只能用于自身使用,不得用于其他商业用途(如 [转卖]进行直接盈利或[编辑后售卖]进行间接盈利)。
2、本站所有内容均由合作方或网友上传,本站不对文档的完整性、权威性及其观点立场正确性做任何保证或承诺!文档内容仅供研究参考,付费前请自行鉴别。
3、如文档内容存在违规,或者侵犯商业秘密、侵犯著作权等,请点击“违规举报”。

碎片内容

PLC控制技术2 课程标准

确认删除?
VIP
微信客服
  • 扫码咨询
会员Q群
  • 会员专属群点击这里加入QQ群
客服邮箱
回到顶部