电脑桌面
添加小米粒文库到电脑桌面
安装后可以在桌面快捷访问

餐饮场所燃气安全检查单

餐饮场所燃气安全检查单_第1页
1/6
餐饮场所燃气安全检查单_第2页
2/6
餐饮场所燃气安全检查单_第3页
3/6
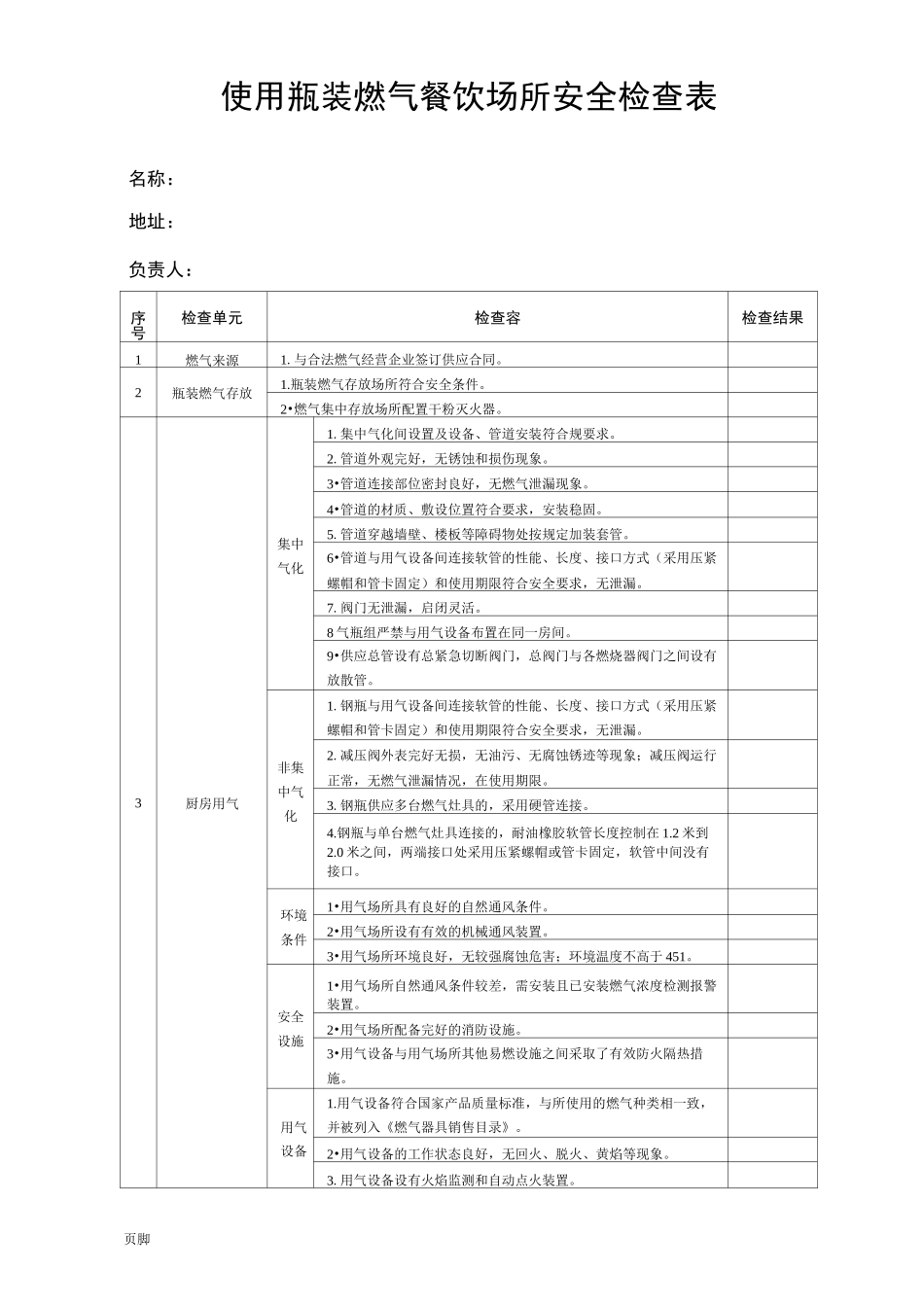
页脚使用瓶装燃气餐饮场所安全检查表名称:地址:负责人:序号检查单元检查容检查结果1燃气来源1.与合法燃气经营企业签订供应合同。2瓶装燃气存放1.瓶装燃气存放场所符合安全条件。2•燃气集中存放场所配置干粉灭火器。3厨房用气集中气化1.集中气化间设置及设备、管道安装符合规要求。2.管道外观完好,无锈蚀和损伤现象。3•管道连接部位密封良好,无燃气泄漏现象。4•管道的材质、敷设位置符合要求,安装稳固。5.管道穿越墙壁、楼板等障碍物处按规定加装套管。6•管道与用气设备间连接软管的性能、长度、接口方式(采用压紧螺帽和管卡固定)和使用期限符合安全要求,无泄漏。7.阀门无泄漏,启闭灵活。8 气瓶组严禁与用气设备布置在同一房间。9•供应总管设有总紧急切断阀门,总阀门与各燃烧器阀门之间设有放散管。非集中气化1.钢瓶与用气设备间连接软管的性能、长度、接口方式(采用压紧螺帽和管卡固定)和使用期限符合安全要求,无泄漏。2.减压阀外表完好无损,无油污、无腐蚀锈迹等现象;减压阀运行正常,无燃气泄漏情况,在使用期限。3.钢瓶供应多台燃气灶具的,采用硬管连接。4.钢瓶与单台燃气灶具连接的,耐油橡胶软管长度控制在 1.2 米到2.0 米之间,两端接口处采用压紧螺帽或管卡固定,软管中间没有接口。环境条件1•用气场所具有良好的自然通风条件。2•用气场所设有有效的机械通风装置。3•用气场所环境良好,无较强腐蚀危害;环境温度不高于 451。安全设施1•用气场所自然通风条件较差,需安装且已安装燃气浓度检测报警装置。2•用气场所配备完好的消防设施。3•用气设备与用气场所其他易燃设施之间采取了有效防火隔热措施。用气设备1.用气设备符合国家产品质量标准,与所使用的燃气种类相一致,并被列入《燃气器具销售目录》。2•用气设备的工作状态良好,无回火、脱火、黄焰等现象。3.用气设备设有火焰监测和自动点火装置。页脚4.用气设备设置有效排烟设施。4用餐场所1•用气场所具有良好的自然通风条件或有效的机械通风措施。2•钢瓶与用气设备间连接软管的性能、长度、接口方式(采用压紧螺帽或管卡固定)和使用期限符合安全要求,无泄漏。3.减压阀外表完好无损,无油污、无腐蚀锈迹等现象;减压阀运行正常,无燃气泄漏情况,在使用期限。4•每个钢瓶仅供应 1 台燃气燃烧器具,耐油橡胶软管长度控制在 1.2 米到2.0 米之间,两端接口处采用压紧螺帽或管卡固定,软管中间没有接口。5.当 1 个钢瓶供应多台燃气燃烧器具时,...

1、当您付费下载文档后,您只拥有了使用权限,并不意味着购买了版权,文档只能用于自身使用,不得用于其他商业用途(如 [转卖]进行直接盈利或[编辑后售卖]进行间接盈利)。
2、本站所有内容均由合作方或网友上传,本站不对文档的完整性、权威性及其观点立场正确性做任何保证或承诺!文档内容仅供研究参考,付费前请自行鉴别。
3、如文档内容存在违规,或者侵犯商业秘密、侵犯著作权等,请点击“违规举报”。

碎片内容

餐饮场所燃气安全检查单

wxg+ 关注
实名认证
内容提供者

该用户很懒,什么也没介绍

确认删除?
VIP
微信客服
  • 扫码咨询
会员Q群
  • 会员专属群点击这里加入QQ群
客服邮箱
回到顶部