电脑桌面
添加小米粒文库到电脑桌面
安装后可以在桌面快捷访问

采暖管道系统试压记录

采暖管道系统试压记录_第1页
1/8
采暖管道系统试压记录_第2页
2/8
采暖管道系统试压记录_第3页
3/8
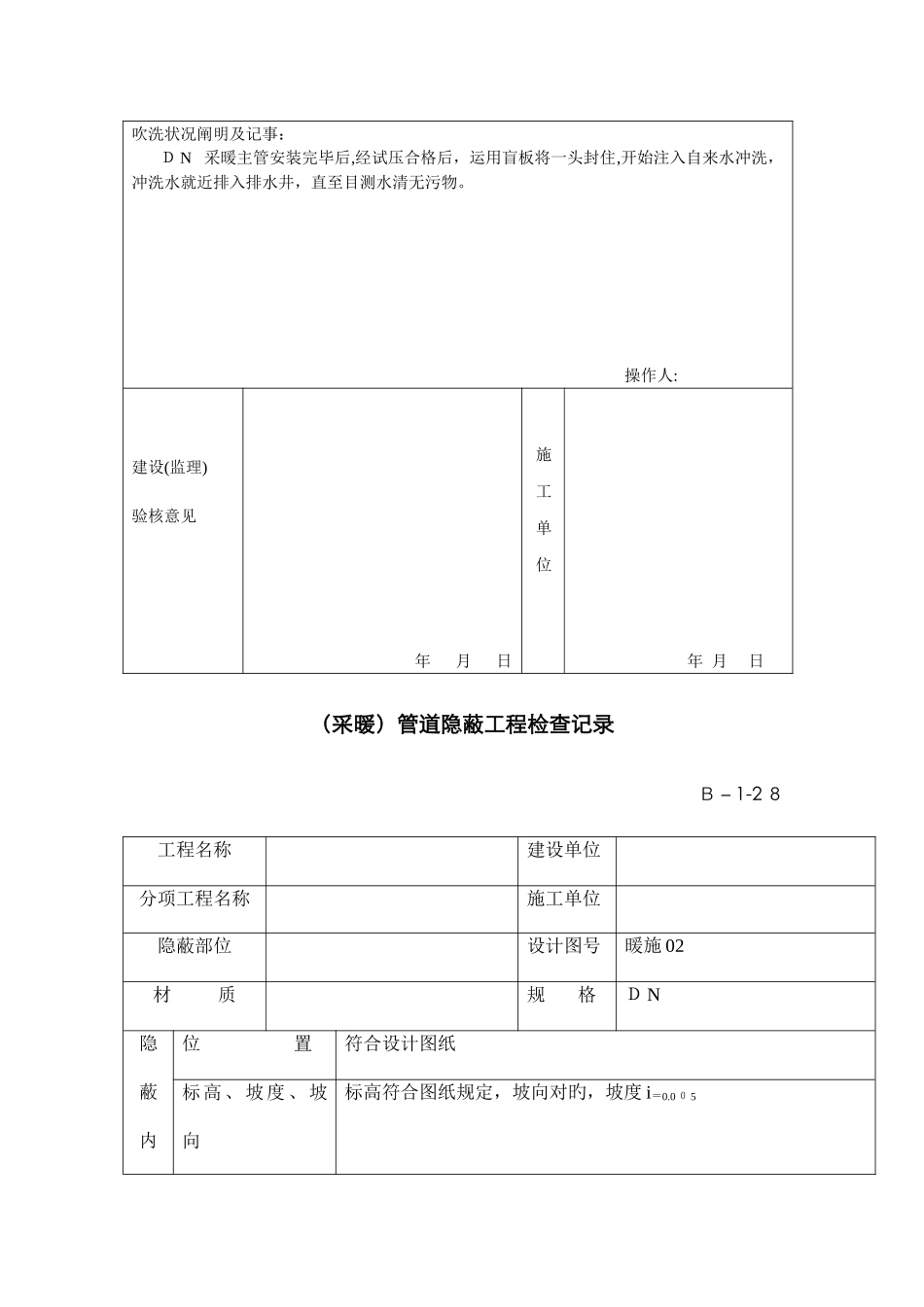
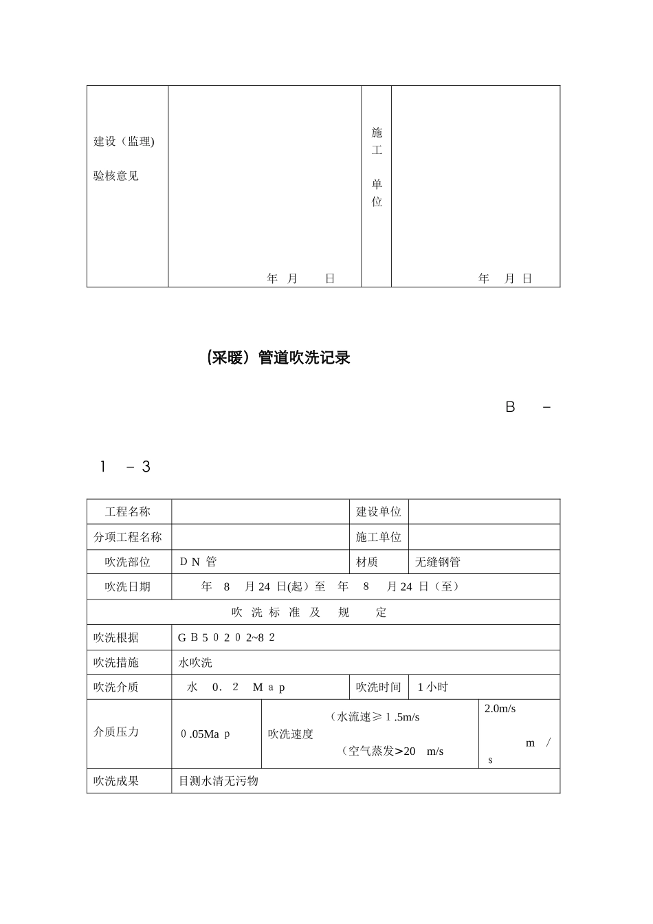
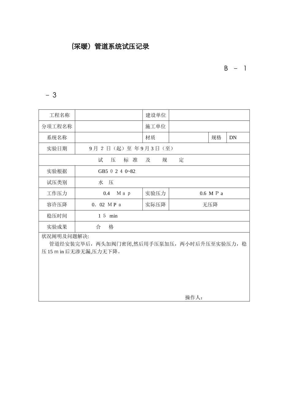
(采暖)管道系统试压记录B – 1 – 3工程名称建设单位分项工程名称施工单位系统名称材质规格DN实验日期 9 月 2 日(起)至 年 9 月 3 日(至)试 压 标 准 及 规 定实验根据GB5 0 2 4 0~82试压类别水 压工作压力 0.4 Map实验压力 0.6 M P a容许压降 0.02 M P a实际压降无压降稳压时间1 5 min实验成果 合 格状况阐明及问题解决: 管道经安装完毕后,两头加阀门密闭,然后用手压泵加压,两小时后升压至实验压力,稳压 15 m in 后无渗无漏,压力无下降。操作人:建设(监理)验核意见 年 月 日施 工 单 位 年 月 日(采暖)管道吹洗记录B – 1 – 3工程名称建设单位分项工程名称 施工单位吹洗部位D N 管材质无缝钢管吹洗日期 年 8 月 24 日(起)至 年 8 月 24 日(至)吹 洗 标 准 及 规 定吹洗根据G B 5 0 2 0 2~8 2吹洗措施水吹洗吹洗介质 水 0.2 M a p吹洗时间 1 小时 介质压力 0.05Ma p (水流速≥1.5m/s吹洗速度(空气蒸发>20 m/s2.0m/sm /s吹洗成果目测水清无污物吹洗状况阐明及记事: D N 采暖主管安装完毕后,经试压合格后,运用盲板将一头封住,开始注入自来水冲洗,冲洗水就近排入排水井,直至目测水清无污物。 操作人:建设(监理)验核意见 年 月 日施 工 单 位 年 月 日(采暖)管道隐蔽工程检查记录B-1-2 8工程名称建设单位分项工程名称施工单位隐蔽部位设计图号暖施 02材 质规 格D N隐蔽内位 置符合设计图纸标高、坡度、坡向标高符合图纸规定,坡向对旳,坡度 i=0.0 0 5容基座、支架砂垫层基础接口、接头材质采纳 J4.2焊条焊接防腐措施符合设计规定保温方式采纳 30 厚复合硅酸盐保温材料保温,外刷防水涂料灌水、试压成果 合格管洞解决合格渗水量实验成果/管基解决状况符合图纸规定阐明或简图:经检查,上述隐蔽内容均符合设计规定和《建筑给水排水及采暖工程施工质量验收法律规范》(GB50 2 42-)旳规定。 建 设(监 理)单 位年 月 日施 工单 位年 月 日保 温 检 查 记 录B-1-33工程名称62 2 0 1部队经济合用房二期工程4#住宅楼分项工程名称室外采暖管道工程系统名称室外地沟采暖管段编号及设备名称01保温材料名称复合硅酸盐规 格30 mm设计厚度(mm)30厚度允差瓦壳+50%棉毡+8%保护层搭接宽度油毡(30~50mm)玻璃布(3 0~5 0mm)铁皮(3 0~5...

1、当您付费下载文档后,您只拥有了使用权限,并不意味着购买了版权,文档只能用于自身使用,不得用于其他商业用途(如 [转卖]进行直接盈利或[编辑后售卖]进行间接盈利)。
2、本站所有内容均由合作方或网友上传,本站不对文档的完整性、权威性及其观点立场正确性做任何保证或承诺!文档内容仅供研究参考,付费前请自行鉴别。
3、如文档内容存在违规,或者侵犯商业秘密、侵犯著作权等,请点击“违规举报”。

碎片内容

采暖管道系统试压记录

您可能关注的文档

确认删除?
VIP
微信客服
  • 扫码咨询
会员Q群
  • 会员专属群点击这里加入QQ群
客服邮箱
回到顶部