电脑桌面
添加小米粒文库到电脑桌面
安装后可以在桌面快捷访问

煤业集团有限责任公司麦垛山煤矿副立井井筒及相关硐室掘砌工程施工组织设计(井深-250m~-580m段)

煤业集团有限责任公司麦垛山煤矿副立井井筒及相关硐室掘砌工程施工组织设计(井深-250m~-580m段)_第1页
1/77
煤业集团有限责任公司麦垛山煤矿副立井井筒及相关硐室掘砌工程施工组织设计(井深-250m~-580m段)_第2页
2/77
煤业集团有限责任公司麦垛山煤矿副立井井筒及相关硐室掘砌工程施工组织设计(井深-250m~-580m段)_第3页
3/77
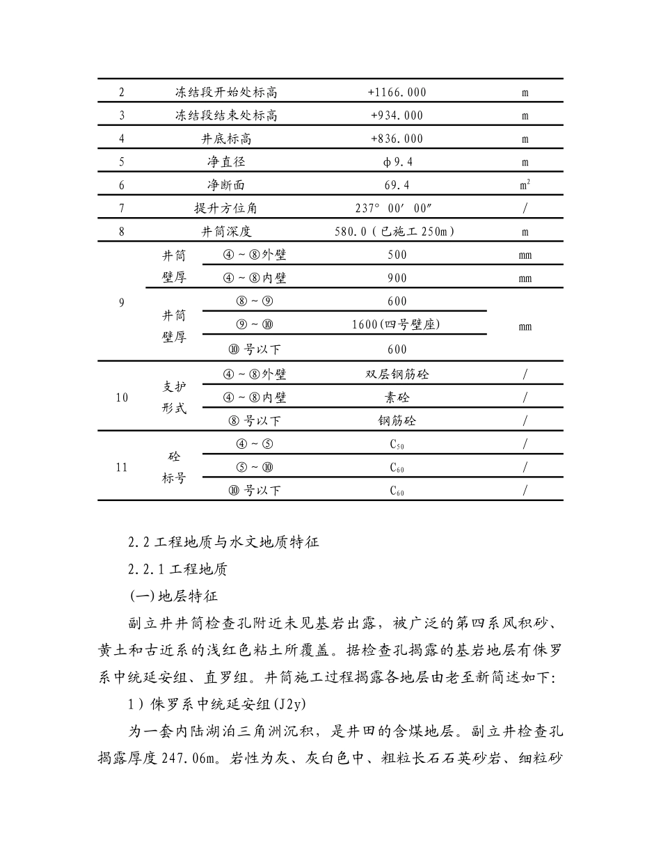
煤业集团有限责任公司麦垛山煤矿副立井井筒及相关硐室掘砌工程施工组织设计(井深-250m~-580m 段)1.前言 麦垛山煤矿隶属神华宁夏煤业集团有限责任公司,由中煤国际工程集团北京华宇工程公司设计。位于宁夏回族自治区灵武市马家滩镇境内,鸳鸯湖矿区南端,井田南北长约1 4 公里,东西宽约 4.5 公里,井田面积约 75 平方公里。该矿区交通十分便利,在灵武市东南约 70km处,距银川市公路交通 82km。井田内地形为低缓丘陵,区内地势较为平坦。为了加快矿建进度,缩短建井工期采取地面预注浆与井筒施工平行作业的办法。副井地面预注浆于 2008 年 10 月 2 日结束。井筒于2008 年 6 月 26 日开挖,采用普通凿井法施工,成井 250m,在 2008 年10 月 24 日伞钻凿眼时,用伞钻探出涌水,涌水量达到 21m3/h。副立井在采用工作面预注浆方案效果不理想情况下,麦垛山煤矿筹建处请有关专家多次论证,决定由宁夏回族自治区煤田地质局采用井筒外降水方法来保证井筒施工通过第二含水层段,经过几个月的降水施工效果仍不理想,神华宁煤集团公司决定停止井外降疏水施工,采用冻结方案。2009 年 9 月 28 日,神华宁煤集团及麦垛山煤矿筹建处相关领导召开专题会议,对华宇公司提交的麦垛山煤矿副立井冻结方案进行了专题研究并确定了此方案,其冻结深度为-250.000m~-482.000m(相对标高),共 232m,井底标高为-580m,冻结段壁座至井底基岩段还剩余98m,合计 330m。在井筒冻结基岩段及基岩段施工中,为了加快工程进度、降低成本、提高工程质量,特编制冻结基岩段及基岩段施工组织设计。本施工组织设计编制依据:1)施工合同。2)北京华宇设计院编制的副立井井壁结构图及相关施工图纸。3)麦垛山煤矿副立井井筒检查孔资料。4)《煤矿安全规程》(2006 年版)。 5)《矿山井巷工程质量检验评定标准》(MT5009—94)。 6)《矿山井巷工程施工及验收规范》(GBJ213—90)。 7)《煤矿建设安全规程》(试行)。8)原《神华宁煤集团有限责任公司麦垛山煤矿副立井井筒及相关硐室掘砌工程施工组织设计》。2.工程概况2.1 工程概况麦垛山煤矿采用主(斜)、副(立)、风(立)井开拓。全井田含煤 25-31 层,其中可采及局部可采煤层 15 层,平均总厚 26.3 米,主要可采煤层 6 层,总厚为 12.44 米,主要可采煤层平均厚度为 2.16 米,全井田资源量为 11.2 亿吨。副立井井筒普通法凿井已施工 250m,第二含水层和第三含水层采用...

1、当您付费下载文档后,您只拥有了使用权限,并不意味着购买了版权,文档只能用于自身使用,不得用于其他商业用途(如 [转卖]进行直接盈利或[编辑后售卖]进行间接盈利)。
2、本站所有内容均由合作方或网友上传,本站不对文档的完整性、权威性及其观点立场正确性做任何保证或承诺!文档内容仅供研究参考,付费前请自行鉴别。
3、如文档内容存在违规,或者侵犯商业秘密、侵犯著作权等,请点击“违规举报”。

碎片内容

煤业集团有限责任公司麦垛山煤矿副立井井筒及相关硐室掘砌工程施工组织设计(井深-250m~-580m段)

确认删除?
VIP
微信客服
  • 扫码咨询
会员Q群
  • 会员专属群点击这里加入QQ群
客服邮箱
回到顶部