电脑桌面
添加小米粒文库到电脑桌面
安装后可以在桌面快捷访问

逆变科技有限公司新建项目建设项目环境影响报告表

逆变科技有限公司新建项目建设项目环境影响报告表_第1页
1/49
逆变科技有限公司新建项目建设项目环境影响报告表_第2页
2/49
逆变科技有限公司新建项目建设项目环境影响报告表_第3页
3/49
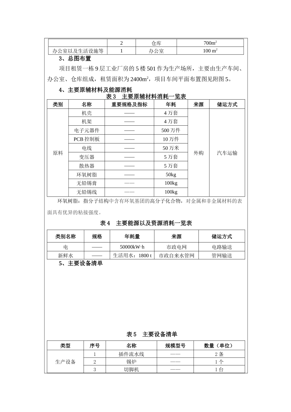
建设项目基本情况项目名称深圳市广焊逆变科技有限公司 建设项目建设单位深圳市广焊逆变科技有限公司法人代表——联系人——通讯地址深圳市宝安区松岗街道燕川社区燕山大道 99 号永建鸿科技园 C 栋厂房 501联系电话——传真——邮政编码518105建设地点深圳市宝安区松岗街道燕川社区燕山大道 99 号永建鸿科技园 C 栋厂房 501立项审批部门——编号——建设性质新建√ 改建□ 扩建□迁建□ 延期□ 更名□行业类别及代码其他电子设备制造 C3990工程内容及规模:1、项目概况及任务来源深圳市广焊逆变科技有限公司(以下简称“项目”)成立于 2015 年 6月,拟选址于深圳市宝安区松岗街道燕川社区燕山大道 99 号永建鸿科技园 C栋厂房 501 组建生产线,企业拟申请从事电焊机的生产,预计年产量为 3 万台,租赁厂房面积 2400m2,拟招有员工 30 人,现申请办理新建环保审批手续。根据《中华人民共和国环境影响评价法》和《建设项目环境保护管 理条例》等有关环保法律、法规,该项目需进行环境影响评价,编制环境影响报告表。受建设单位委托,河南鑫垚环境技术有限公司承担了项目的环境影响评价工作,编制完成项目环境影响报告表。2、产品产量 表 1 产品方案序号产品名称规格或型号年设计能力年运行时数1电焊机——3 万台2400 h表 2 项目建设内容类别序号项目名称建设规模主体工程1生产车间1600m22仓库700m2办公室以及生活设施等1办公室100 m23、总图布置项目租赁一栋 9 层工业厂房的 5 楼 501 作为生产场所,主要由生产车间、办公室、仓库组成,租赁面积为 2400m2,项目车间平面布置图见附图 5。4、主要原辅材料及能源消耗表 3 主要原辅材料消耗一览表类别名称重要规格及指标年耗来源储运方式原料机壳——4 万套外购汽车运输机架——4 万套电子元器件——500 万件PCB 控制板——10 万件电线——50 万米变压器——5 万套散热器——5 万套环氧树脂——50kg无铅锡膏——100kg无铅锡线——100kg环氧树脂:指分子结构中含有环氧基团的高分子化合物,对金属和非金属材料的表面具有优异的粘接强度。表 4 主要能源以及资源消耗一览表类别名称规格年耗量来源储运方式电——50000kW·h市政电网电路输送新鲜水——生活用水:1800 t市政自来水管网管网输送5、主要设备清单表 5 主要设备清单类型序号名称规模型号数量(单位)生产设备1插件流水线——2 条2锡炉——1 个3切脚机——1 台4电烙铁——20 把5...

1、当您付费下载文档后,您只拥有了使用权限,并不意味着购买了版权,文档只能用于自身使用,不得用于其他商业用途(如 [转卖]进行直接盈利或[编辑后售卖]进行间接盈利)。
2、本站所有内容均由合作方或网友上传,本站不对文档的完整性、权威性及其观点立场正确性做任何保证或承诺!文档内容仅供研究参考,付费前请自行鉴别。
3、如文档内容存在违规,或者侵犯商业秘密、侵犯著作权等,请点击“违规举报”。

碎片内容

逆变科技有限公司新建项目建设项目环境影响报告表

文章天下+ 关注
实名认证
内容提供者

各种文档应有尽有

确认删除?
VIP
微信客服
  • 扫码咨询
会员Q群
  • 会员专属群点击这里加入QQ群
客服邮箱
回到顶部