电脑桌面
添加小米粒文库到电脑桌面
安装后可以在桌面快捷访问

广播与站场通信管理制度VIP免费

广播与站场通信管理制度_第1页
1/9
广播与站场通信管理制度_第2页
2/9
广播与站场通信管理制度_第3页
3/9
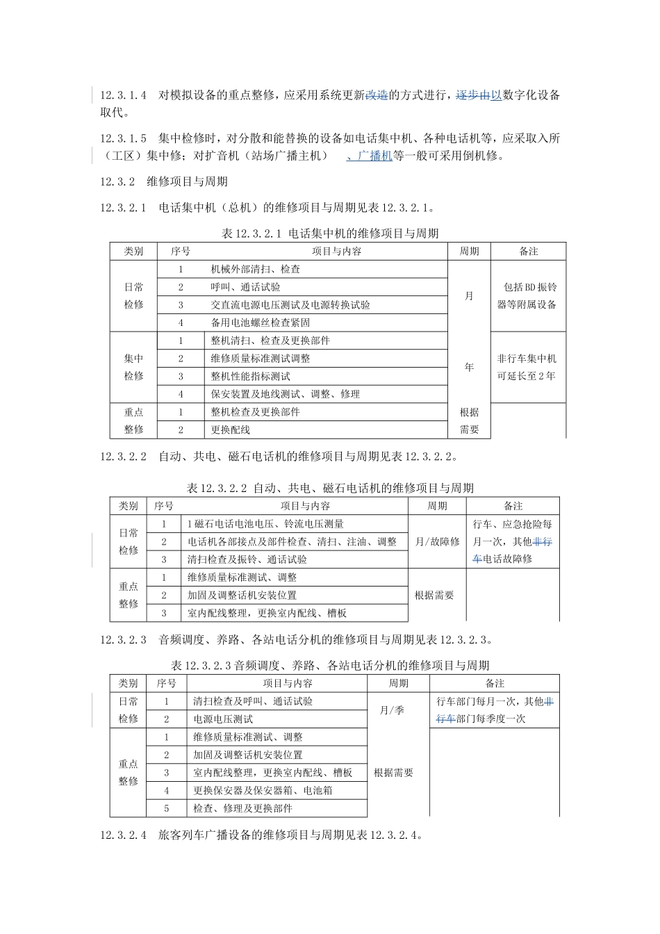
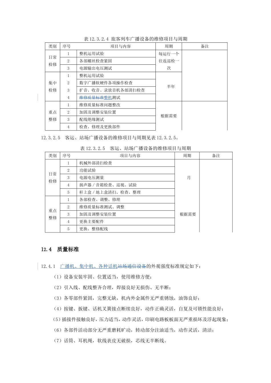
12广播与站场通信12.1一般规定广播与站场通信是指为铁路旅客服务以及在站场内进行作业指挥、业务联系的通信设备。广播设备包括车站客运广播设备,旅客列车广播设备,站场扩音对讲设备(或广播)。站场通信设备包括站场电话集中机,扳道(道岔清扫)电话,桥隧守护电话以及其它有关设备及附属设备等。12.2设备管理12.2.1车站客运广播、站场扩音对讲设备(或广播)、站场通信设备和站场通信线路的维护分界,以光、电缆引入通信机械室的ODF、VDF架(盒)、电缆分线箱外线端子为分界点。12.2.2旅客列车广播设备的维护分界,按总公司旅客列车广播设备运用管理有关规定执行。12.2.3维护部门应根据测试检修工作需要,配备以下主要仪表:电平振荡器、选频电平表、杂音计。12.2.4维护部门应具备以下主要技术资料(1)相关工程竣工资料、验收测试记录;(2)系统网络构成示意图;(3)各类图纸,包括设备平面布置图、机房布线图、设备面板图、站场通信网图以及站场光、电缆径路示意图及变更记录等;(4)各类台帐,包括设备、端口、引入光电缆芯线运用台帐(含各处配线端子台帐)以及音频分机的呼叫信号频率运用台帐等;(5)设备技术资料(含说明书、维护手册、操作手册等);(6)仪器仪表说明书;(7)应急预案。12.3设备维护12.3.1一般要求12.3.1.1防洪、防寒季节及遇有重要、繁忙运输任务期间,应加强有关设备的检查,必要时加强巡视,应监视设备的运用状态。12.3.1.2春运前应对所有列车广播和客运站广播设备进行检查。12.3.1.3在维修中,应与使用部门加强联系,检修工作以不干扰运输作业为原则。检修后应对设备运用功能进行全面试验。12.3.1.4对模拟设备的重点整修,应采用系统更新改造的方式进行,逐步由以数字化设备取代。12.3.1.5集中检修时,对分散和能替换的设备如电话集中机、各种电话机等,应采取入所(工区)集中修;对扩音机(站场广播主机)、广播机等一般可采用倒机修。12.3.2维修项目与周期12.3.2.1电话集中机(总机)的维修项目与周期见表12.3.2.1。表12.3.2.1电话集中机的维修项目与周期类别序号项目与内容周期备注日常检修1机械外部清扫、检查月包括BD振铃器等附属设备2呼叫、通话试验3交直流电源电压测试及电源转换试验4备用电池螺丝检查紧固集中检修1整机清扫、检查及更换部件年非行车集中机可延长至2年2维修质量标准测试调整3整机性能指标测试4保安装置及地线测试、调整、修理重点整修1整机检查及更换部件根据需要2更换配线12.3.2.2自动、共电、磁石电话机的维修项目与周期见表12.3.2.2。表12.3.2.2自动、共电、磁石电话机的维修项目与周期类别序号项目与内容周期备注日常检修11磁石电话电池电压、铃流电压测量月/故障修行车、应急抢险每月一次,其他非行车电话故障修2电话机各部接点及部件检查、清扫、注油、调整3清扫检查及振铃、通话试验重点整修1维修质量标准测试、调整根据需要2加固及调整话机安装位置3室内配线整理,更换室内配线、槽板12.3.2.3音频调度、养路、各站电话分机的维修项目与周期见表12.3.2.3。表12.3.2.3音频调度、养路、各站电话分机的维修项目与周期类别序号项目与内容周期备注日常检修1清扫检查及呼叫、通话试验月/季行车部门每月一次,其他非行车部门每季度一次2电源电压测试重点整修1维修质量标准测试、调整根据需要2加固及调整话机安装位置3室内配线整理,更换室内配线、槽板4更换保安器及保安器箱、电池箱5检查、修理及更换部件12.3.2.4旅客列车广播设备的维修项目与周期见表12.3.2.4。表12.3.2.4旅客列车广播设备的维修项目与周期类别序号项目与内容周期备注日常检修1整机运用试验每运行一个往返巡检一次2各部螺丝检查紧固3电源输出电压测试集中检修1整机运用试验半年2数字广播软硬件各项操作检查3扩音、收音、录放音机各部清扫检查4维修质量标准整机测试重点整修1维修质量标准问题整改根据需要2加固及调整安装位置3配线绝缘测试4检查、修理及更换部件12.3.2.5客运、站场广播设备的维修项目与周期见表12.3.2.5。表12.3.2.5客运、站场广播设备的维修项目与周期类别序号项目与内容周期备注日常检修1机械外部清扫检查月2功能试验3电源电压测...

1、当您付费下载文档后,您只拥有了使用权限,并不意味着购买了版权,文档只能用于自身使用,不得用于其他商业用途(如 [转卖]进行直接盈利或[编辑后售卖]进行间接盈利)。
2、本站所有内容均由合作方或网友上传,本站不对文档的完整性、权威性及其观点立场正确性做任何保证或承诺!文档内容仅供研究参考,付费前请自行鉴别。
3、如文档内容存在违规,或者侵犯商业秘密、侵犯著作权等,请点击“违规举报”。

碎片内容

广播与站场通信管理制度

文章天下+ 关注
实名认证
内容提供者

各种文档应有尽有

确认删除?
VIP
微信客服
  • 扫码咨询
会员Q群
  • 会员专属群点击这里加入QQ群
客服邮箱
回到顶部