电脑桌面
添加小米粒文库到电脑桌面
安装后可以在桌面快捷访问

工程签证单-签证单

工程签证单-签证单_第1页
1/21
工程签证单-签证单_第2页
2/21
工程签证单-签证单_第3页
3/21
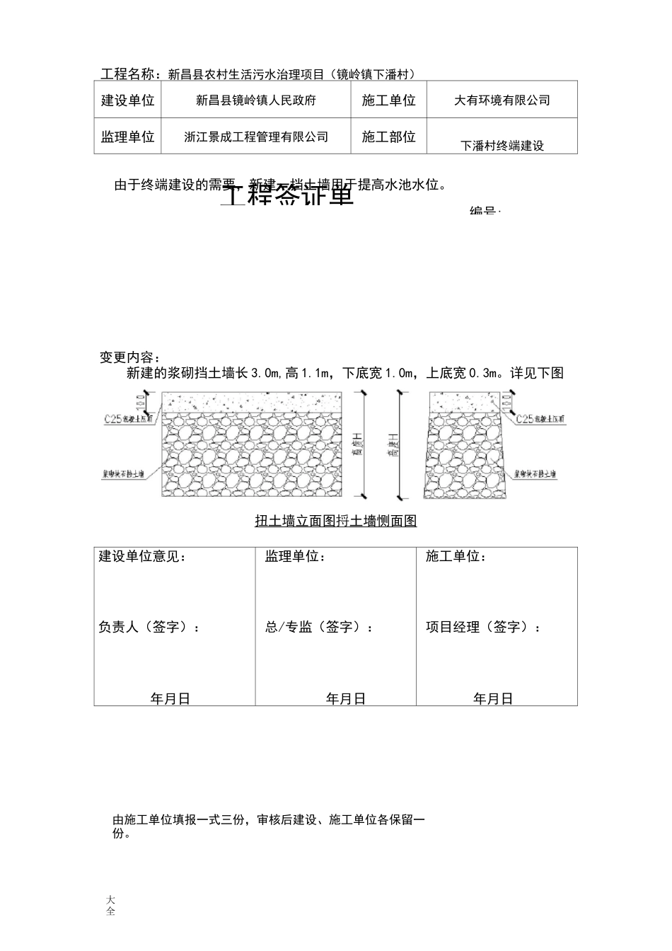
实用文档由施工单位填报一式三份,审核后建设、施工单位各保留一份。大全工程名称:新昌县农村生活污水治理项目(镜岭镇下潘村)建设单位亲斤昌县镜岭镇人民政府施工单位大有环境有限公司监理单位浙江景成工程管理有限公司施工部位下潘村管网由于施工的需要,施工时对原有水渠产生的影响,村民一直要求对原有过水渠进行修复,经三方同意所以进行如下修复。变更内容:1•下潘村#57—#59-#68 管网采用混凝土包管,并沿水渠一边修起水坎。长度为 26.7m,宽 40mm,高 50mm。2.#61--#65 管网采用混凝土包管,并沿水渠一边修起水坎。长度为 24.9m,宽 40mm,高 60mm。过梆厂////\ 話薈 工程签证单编号:实用文档由施工单位填报一式三份,审核后建设、施工单位各保留一份。大全工程签证单编号:由施工单位填报一式三份,审核后建设、施工单位各保留一份。大全工程名称:新昌县农村生活污水治理项目(镜岭镇下潘村)建设单位新昌县镜岭镇人民政府施工单位大有环境有限公司监理单位浙江景成工程管理有限公司施工部位下潘村终端建设由于终端建设的需要,新建一挡土墙用于提高水池水位。变更内容:新建的浆砌挡土墙长 3.0m,高 1.1m,下底宽 1.0m,上底宽 0.3m。详见下图扭土墙立面图 捋 土墻恻面图 建设单位意见:监理单位:施工单位:负责人(签字):总/专监(签字):项目经理(签字):年月日年月日年月日工程签证单编号:实用文档由施工单位填报一式三份,审核后建设、施工单位各保留一份。大全工程名称:新昌县农村生活污水治理项目(镜岭镇下潘村)建设单位亲斤昌县镜岭镇人民政府施工单位大有环境有限公司监理单位浙江景成工程管理有限公司施工部位下潘村管网由于施工的需要,施工时对原有水渠产生的影响,村民一直要求对原有过水渠进行修复,经三方同意所以进行如下修复。变更内容:1、下潘村#143--#147 管网采用混凝土包管,并沿水渠一边修起水坎。长度为 38.5m,宽 0.4m,高 0.7m。C25 隸土//2Z/施工后修复 I意图建设单位意见:监理单位:施工单位:负责人(签字):总/专监(签字):项目经理(签字):年月日年月日年月日实用文档由施工单位填报一式三份,审核后建设、施工单位各保留一份。大全工程名称:新昌县农村生活污水治理项目(镜岭镇下潘村)实用文档大全工程签证单工程名称:新昌县农村生活污水治理项目(镜岭镇下潘村)实用文档由施工单位填报一式三份,审核后建设、施工单位各保留一份。大全工程签证单工程名称:...

1、当您付费下载文档后,您只拥有了使用权限,并不意味着购买了版权,文档只能用于自身使用,不得用于其他商业用途(如 [转卖]进行直接盈利或[编辑后售卖]进行间接盈利)。
2、本站所有内容均由合作方或网友上传,本站不对文档的完整性、权威性及其观点立场正确性做任何保证或承诺!文档内容仅供研究参考,付费前请自行鉴别。
3、如文档内容存在违规,或者侵犯商业秘密、侵犯著作权等,请点击“违规举报”。

碎片内容

工程签证单-签证单

确认删除?
VIP
微信客服
  • 扫码咨询
会员Q群
  • 会员专属群点击这里加入QQ群
客服邮箱
回到顶部