电脑桌面
添加小米粒文库到电脑桌面
安装后可以在桌面快捷访问

焊接材料焊材试验方案

焊接材料焊材试验方案_第1页
1/8
焊接材料焊材试验方案_第2页
2/8
焊接材料焊材试验方案_第3页
3/8
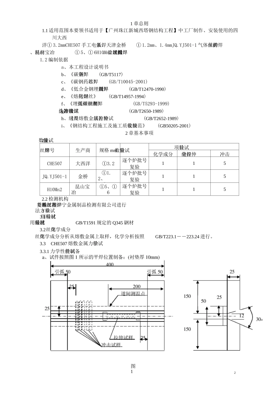
广州珠江新城西塔结构工程编制:审核:批准:江苏沪宁钢机股份有限公司2007-4焊接材料试验方案1目录1 章总则1.1 适用范围 21.2 编制依据 22 章基本事项2.1 试验数量22.2 试验机构23 章试验方法3.1 试验用母材23.2 焊丝化学成分23.3CHE507 熔敷金属力学试验23.4JQ.YJ501-1 熔敷金属力学试验43.5H10Mn2 熔敷金属力学试验54 章合格判定标准4.1 焊丝化学成分74.2 熔敷金属拉伸试验74.3 熔敷金属冲击试验74.4 不合格的处理 75 章记录和报告 7图121 章总则1.1 适用范围本要领书适用于【广州珠江新城西塔钢结构工程】中工厂制作、安装使用的四川大西洋① 3.2mmCHE507 手工电弧焊条、天津金桥① 1.2mm、1.4mmJQ.YJ501-1 气体保护焊焊丝的材料、昆山宝冶① 5、① 6H10Mn2 埋弧焊焊丝的焊材试验。1.2 编制依据a、本工程设计说明书b、《碳钢焊条》(GB/T5117)c、《碳钢药芯焊丝》(GB/T10045-2001)d、《低合金钢埋弧焊用焊剂》(GB/T12470-1990)e、《熔化焊用钢丝》(GB/T14957-1994)f、《埋弧焊用碳钢焊丝和焊剂》(GB/T5293-1999)g、《焊接接头冲击试验方法》(GB/T2650-1989)h、《焊缝及熔敷金属拉伸试验方法》(GB/T2652-1989)i、《钢结构工程施工及施工质量验收规范》(GB50205-2001)2 章基本事项2.1 试验数量:焊丝牌号生产商规格 mm试验数量试验项目化学成分全焊缝拉伸冲击CHE507大西洋①3.2逐个炉批号复验115JQ.YJ501-1金桥①1.2、①1.4逐个炉批号复验115H10Mn2昆山宝冶①5、①6逐个炉批号复验1152.2 检测机构本工程焊接材料复验委托江苏沪宁金属制品检测有限公司进行3 章试验方法3.1试验用母材试验用母材采用GB/T1591 规定的 Q345 钢材。3.2焊丝化学成分焊丝化学成分分析从熔敷金属上取样,化学分析按照GB/T223.1――223.24 进行。3.3CHE507 熔敷金属力学试验3.3.1 力学性能试件制备3b 、 试件 焊接前 予 以 约 束 防 止 变 形 。 焊后 角 变 形 大 于5 度 的 试件 应 予 报 废 。c、试件的焊接按照下表的焊接规范进行:焊丝规格焊接电流A电弧电压V电流种类焊接速度mm/mim道间温度oC①3.2120+20/直流140+20150+15d、第一层焊 1—2 道,焊接电流比规定值适当降低。最后一层3—4 道;其余各层焊 2—3 道。焊缝于母材之间平滑过渡,其余高要均匀,高度不超过3mm。3.3.2 熔敷金属拉伸试验:a、熔敷金属拉伸试样的尺寸按照图2 的规定,取样位置符合图 1 的规定。60图 2b、熔敷金...

1、当您付费下载文档后,您只拥有了使用权限,并不意味着购买了版权,文档只能用于自身使用,不得用于其他商业用途(如 [转卖]进行直接盈利或[编辑后售卖]进行间接盈利)。
2、本站所有内容均由合作方或网友上传,本站不对文档的完整性、权威性及其观点立场正确性做任何保证或承诺!文档内容仅供研究参考,付费前请自行鉴别。
3、如文档内容存在违规,或者侵犯商业秘密、侵犯著作权等,请点击“违规举报”。

碎片内容

焊接材料焊材试验方案

wxg+ 关注
实名认证
内容提供者

该用户很懒,什么也没介绍

确认删除?
VIP
微信客服
  • 扫码咨询
会员Q群
  • 会员专属群点击这里加入QQ群
客服邮箱
回到顶部