电脑桌面
添加小米粒文库到电脑桌面
安装后可以在桌面快捷访问

水表检定操作流程VIP免费

水表检定操作流程_第1页
1/3
水表检定操作流程_第2页
2/3
水表检定操作流程_第3页
3/3
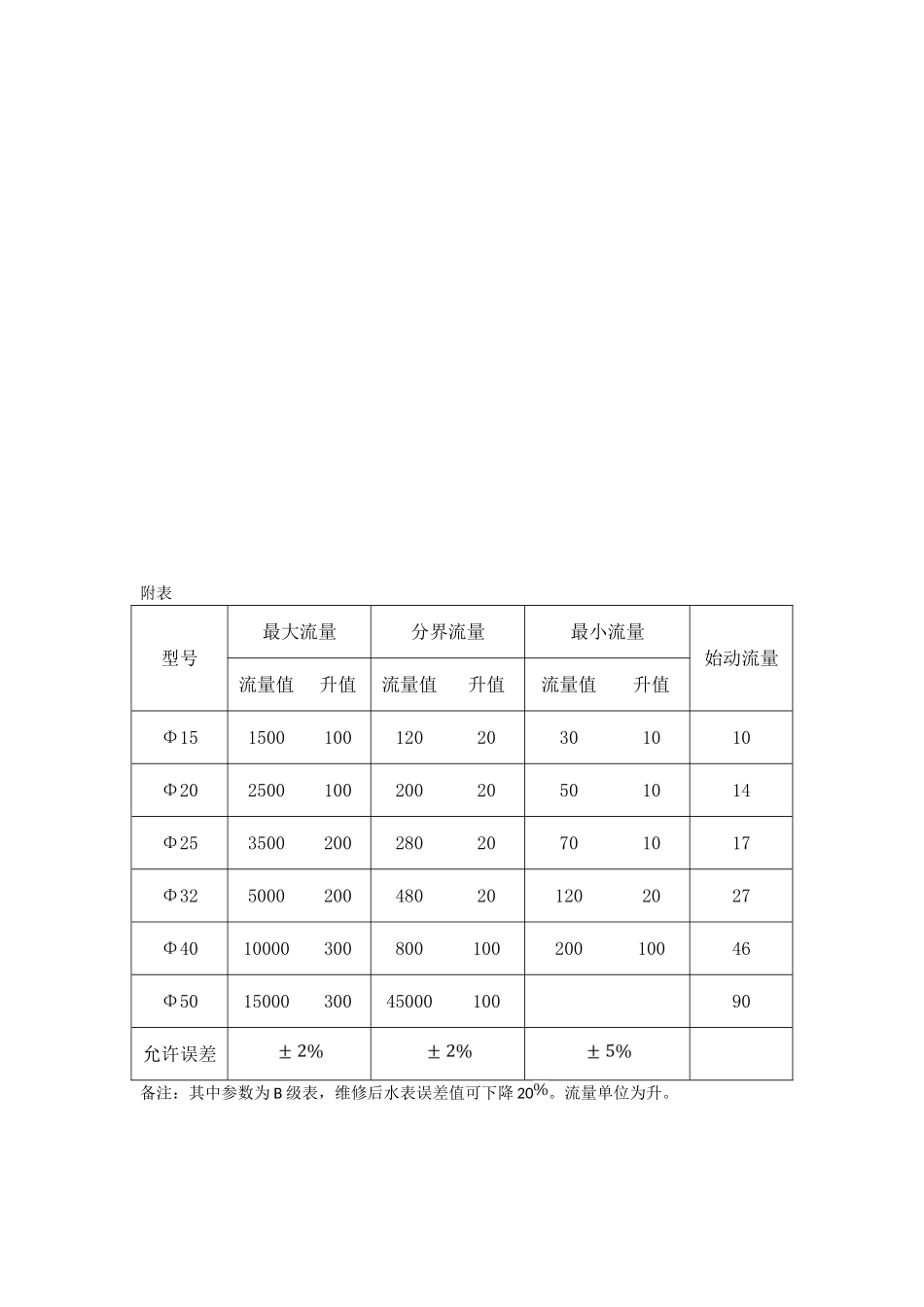
水表检定操作流程逐台检定操作具体步骤:一、检查校验台各仪表、计量器具、阀门等工作正常。二、安装对应水表口径的夹表器,将被检水表(Φ15)水平安装在夹表器中,安装水表时注意水表接口与夹表器接口正确对应,防止水表式夹表器的脱落。三、关闭调节阀(6)、(7)、(8)、(9),开启进水总阀(1),观察有无滴漏现象。四、开启需用的流量计调节阀,排出管道和水表中的空气,待水表指针平稳转动时,观察水表(Φ15)的最小读数为零时,关闭调节阀,记录水表(Φ15)读数。此读数为水表(Φ15)最大流量的始值。五、检定水表(Φ15)最大流量。先开启控制阀(3)排出工作量器(11)内存水后关闭。开启调节阀(7)(注意用力不可过大,以免流量计中的转子击碎玻璃管)到规定流量(Φ15、1500升/小时),操作时动作要平稳。水表指针转动到规定升值(Φ15为100升)时,关闭调节阀(7),记录工作量器(11)的读数。操纵控制阀(3),排出工作量器(11)内的水,此读数为水表(Φ15)最大流量的止值。计算水表(Φ15)误差值(误差值)。如误差值超出允许误差则为不合格。此时还可以通过工作量器的读数判断水表(Φ15)的快慢(读数大于100升时为慢,读数小于100升时为快)。六、检定分界流量。操纵调节阀(8),使水表(Φ15)最小读数为零时关闭并记录读数,开启控制阀(4)排出工作量器(12)内的水后关闭,操作调节阀(8),使通过水表(Φ15)的流量平稳上升至规定流量(Φ15为120升/小时)。当水表读数到规定升值(Φ15为20升)时关闭调节阀(8),待工作量器内水位静止后读数并记录,开启控制阀(4),排出工作量器(12)中的存水后关闭,计算水表(Φ15)分界流量的误差值。七、检定最小流量。操作调节阀(9),使通过水表的流量平稳上升至规定流量(Φ15、30升/小时),当水表读数到规定升值(Φ15、10升)时关闭调节阀(9),待工作量器水位静止后读数并记录,开启控制阀排出工作量器(12)中的水后关闭,计算水表(Φ15)最小流量的误差值。八、鉴定始动流量,操作调节阀(9),使通水表(Φ15)的流量从零开始缓慢上升,当观察到转轮式指针连续转动时,此时通过水表(Φ15)的流量值即为水表(Φ15)的实际始动流量。其值应符合规定始动流量值。操作完毕,关闭进水总阀(1)。卸取水表时应先开启调节阀(8)或(9),以免夹表器内存水冲击。九、经鉴定符合规程要求的水表,加盖合格封印,填发检定证书,不符合规程的水表,发不合格鉴定结果通知书。十、检定完毕,开启调节阀(6)、(7)、(8)、(9),排出余水,清洁校验台。备注:其中示例参数为Φ15水表,其余参数见附表。Φ50水表只检定最大流量和最小流量。成组检定操作具体步骤:一、检查校验台各仪表、计量器具、阀门等工作正常。二、安装对应水表口径的成组夹表器(共五组),将五块水表按箭头水平安装在夹表器内。三、关闭调节阀(6)、(7)、(8)、(9),开启进水总阀(1),观察有无滴漏现象。四、开启需用的流量计调节阀,排出管道和水表中的空气,待水表指针平稳转动时,关闭调节阀,记录水表读数。五、检定成组水表最大流量。操作控制阀(3)排出工作量器(11)内存水后关闭。平稳开启调节阀(7)到规定最大流量,观察玻璃刻度计达到规定升值时关闭调节阀。记录各水表读数,计算个水表误差值,操纵控制阀排空存水后关闭。六、检定成组水表分界流量。操纵调节阀(8),使其达到规定分界流量值。观察玻璃刻度计到达规定升值时关闭调节阀(8),记录各水表读数,操作控制阀(4),排出工作量器(12)中的存水后关闭。计算各水表分界流量的误差值。七、检定成组水表最小流量。操作调节阀(9),使其达到规定最小流量,观察玻璃刻度计到达规定升值时关闭调节阀(9),记录各水表读数,操作控制阀排出工作量器(12)中的水后关闭,计算各水表最小流量的误差值。八、鉴定成组水表始动流量,操作调节阀(9),使通过水表的流量从零开始缓慢上升,到达规定始动流量值,观察各水表转轮式指针,有连续转动为合格,否则为不合格。关闭总阀。九、经鉴定合格符合规程要求的水表,加盖合格封印,填发检定证书,不符合规程的水表,发不合格鉴定结果通知书。十、检定完毕...

1、当您付费下载文档后,您只拥有了使用权限,并不意味着购买了版权,文档只能用于自身使用,不得用于其他商业用途(如 [转卖]进行直接盈利或[编辑后售卖]进行间接盈利)。
2、本站所有内容均由合作方或网友上传,本站不对文档的完整性、权威性及其观点立场正确性做任何保证或承诺!文档内容仅供研究参考,付费前请自行鉴别。
3、如文档内容存在违规,或者侵犯商业秘密、侵犯著作权等,请点击“违规举报”。

碎片内容

水表检定操作流程

您可能关注的文档

确认删除?
VIP
微信客服
  • 扫码咨询
会员Q群
  • 会员专属群点击这里加入QQ群
客服邮箱
回到顶部