电脑桌面
添加小米粒文库到电脑桌面
安装后可以在桌面快捷访问

华北光学仪器公司设计所503项目资料管理员职位说明书

华北光学仪器公司设计所503项目资料管理员职位说明书_第1页
1/2
华北光学仪器公司设计所503项目资料管理员职位说明书_第2页
2/2
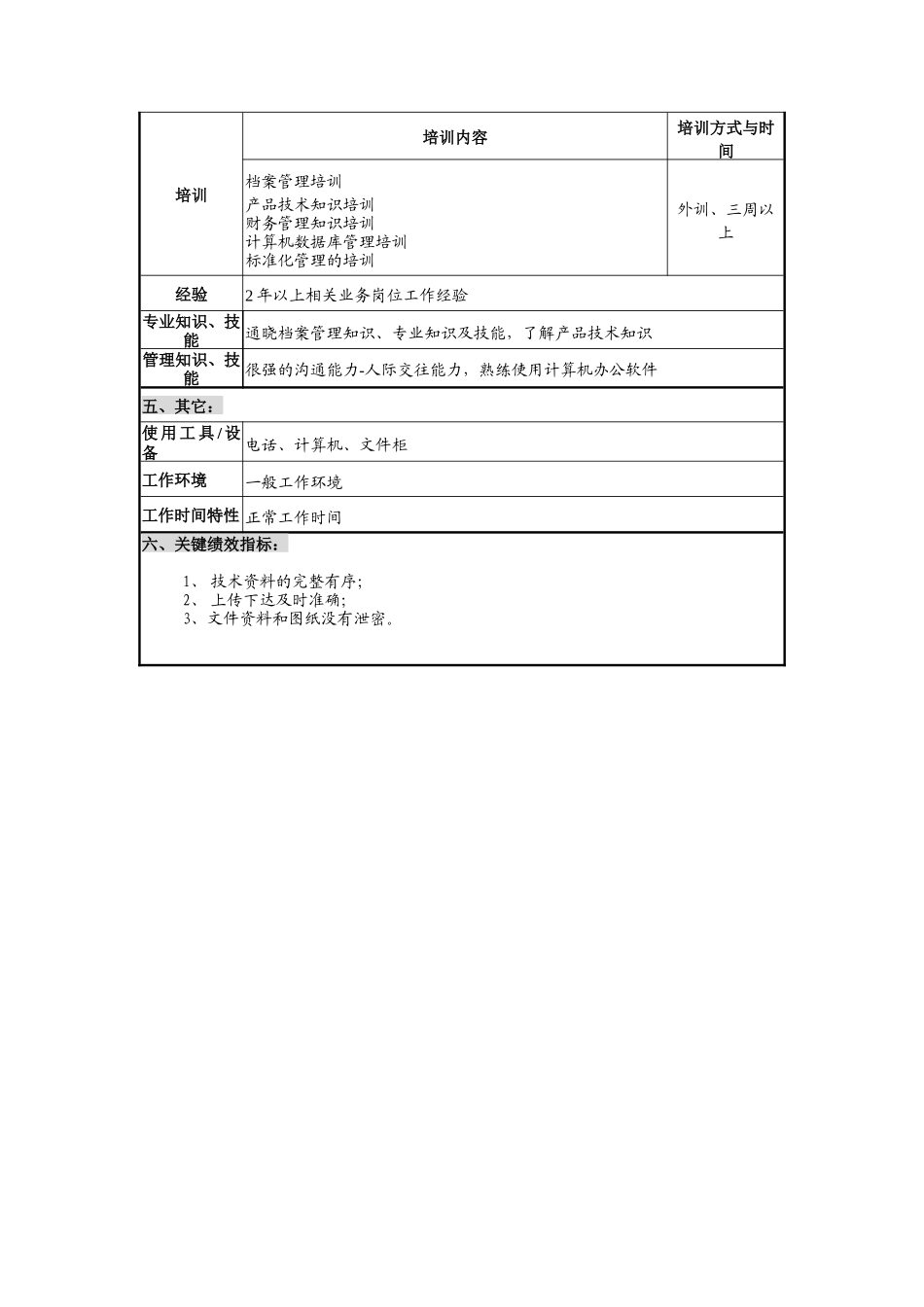
503 项目资料管理员职位说明书岗位名称503 项目资料管理员所在部门设计所直接上级设计所所长直接下级岗位定员所辖人员一、职责与工作任务:职责一职责表述:负责 503 项目的档案文件图纸管理占全部工作时间的百分比:75%工作任务负责 503 项目的文档和图纸的收集、整理、归档、立卷、上帐、利用、统计、保密等管理工作负责文档的打印工作职责二职责表述:严格执行技术资料管理和有关规定占全部工作时间的百分比:15%工作任务严格执行技术资料的借阅手续定期清点档案,每年底进行一次全面检查,确保不发生差错职责三职责表述:做好防火防盗工作,确保技术资料完全无损占全部工作时间的百分比:5%职责四职责表述:负责技术资料的调拨和索取工作占全部工作时间的百分比:3%职责五职责表述:完成上级交付的其它任务占全部工作时间的百分比:2%工作任务协助型号办和设计所办理会务及借款工作二、职权:权限对归档资料的搜集有监督检查权、审定权三、工作协作关系:内部协调关系 质量管理部、科研技术部外部协调关系 兵科院、209 所四、任职资格:教育水平专科及以上学历职称等级初级及以上专业文秘及办公自动化专业、档案管理专业及相关专业培训培训内容培训方式与时间档案管理培训产品技术知识培训财务管理知识培训计算机数据库管理培训标准化管理的培训外训、三周以上经验2 年以上相关业务岗位工作经验专业知识、技能通晓档案管理知识、专业知识及技能,了解产品技术知识管理知识、技能很强的沟通能力-人际交往能力,熟练使用计算机办公软件五、其它:使 用 工 具 / 设备电话、计算机、文件柜工作环境一般工作环境工作时间特性 正常工作时间六、关键绩效指标:1、 技术资料的完整有序;2、 上传下达及时准确; 3、文件资料和图纸没有泄密。

1、当您付费下载文档后,您只拥有了使用权限,并不意味着购买了版权,文档只能用于自身使用,不得用于其他商业用途(如 [转卖]进行直接盈利或[编辑后售卖]进行间接盈利)。
2、本站所有内容均由合作方或网友上传,本站不对文档的完整性、权威性及其观点立场正确性做任何保证或承诺!文档内容仅供研究参考,付费前请自行鉴别。
3、如文档内容存在违规,或者侵犯商业秘密、侵犯著作权等,请点击“违规举报”。

碎片内容

华北光学仪器公司设计所503项目资料管理员职位说明书

确认删除?
VIP
微信客服
  • 扫码咨询
会员Q群
  • 会员专属群点击这里加入QQ群
客服邮箱
回到顶部