电脑桌面
添加小米粒文库到电脑桌面
安装后可以在桌面快捷访问

青海高校大型贵重仪器设备开放基金管理办法(试行)

青海高校大型贵重仪器设备开放基金管理办法(试行)_第1页
1/8
青海高校大型贵重仪器设备开放基金管理办法(试行)_第2页
2/8
青海高校大型贵重仪器设备开放基金管理办法(试行)_第3页
3/8
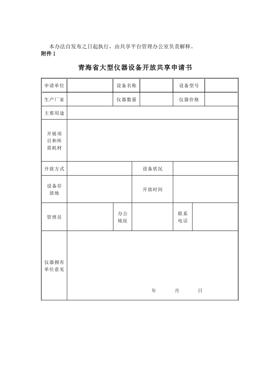
青海高校大型贵重仪器设备开放基金管理办法(草稿)一、基金设置为了提高现有大型贵重仪器设备的使用效益和投资效益,减少设备重复购置,促进我省高校大型贵重仪器设备专管共用、资源共享,教育厅高教处决定设立“青海高校大型贵重仪器设备开放基金”(简称开放基金),用于教学、科研大型贵重仪器设备的开放服务,特制定本办法。二、基金的筹集与管理1.开放基金来源:教育厅高教处每年从专项资金中下拨 50 万元用于设备运行费用考核评估、奖励及管理人员加班经费。2.教育厅高教处审批开放基金资助项目,决定开放基金管理工作中的重大事宜。3.青海民族大学实验室与设备管理中心负责日常工作,其主要职责是:参与开放基金项目的申请和结项管理、编制年度基金预算、核发基金、组织专家委员会考核大型贵重仪器设备使用效益,做好相关信息统计与年度工作总结。三、仪器设备的开放范围及收费标准1.凡为教学和科研服务的、单价在人民币 20 万元及以上的、性能良好并可提供对外服务机时的仪器设备,经大型仪器设备专家委员会审定后,均可列入开放服务范围,并上网公布。2.凡用于开放的大型贵重仪器设备,使用机时收费标准可根据仪器设备的折旧费、人工费、材料费或参照国内同类仪器设备使用收费情况等制定收费标准,由设备所在单位提出,经专家组审定后,共享平台管理办公室上网公布。对校外开放的仪器设备,收费标准需经物价部门审核批准。四、开放基金的管理和使用青海高校大型贵重仪器设备开放基金面向全省普通高校师生设立基金项目,共享平台成员单位的师生均可申请。1.凡承担教学、科研任务的各校教职工均可申请开放基金。研究生和高年级本科生通过导师提出申请。2.开放基金最高申请额度为 1 万元。申请开放基金获得批准后,承担科研项目的受资助者(校级项目除外)需按获得资助经费的 1:1 配套投入。五、开放基金的资助对象以下人员经费不足但需要使用校内批准开放的大型仪器设备者,均可申请开放基金:1、承担相关教学研究、科学研究项目的教师、科研人员、工程实验技术人员。2、用于论文、课题研究的在读硕士、博士研究生,用于毕业设计、科技活动的高年级本科生。在读学生需使用开放测试基金由其指导教师提出申请。开放贵重仪器设备所在单位人员使用本单位管理的贵重仪器设备不属于申请开放基金资助的对象。3.每年 10 月提交开放基金申请表。申请开放基金者应填写《青海省大型贵重仪器设备开放基金申请表》,申请人所在单位负...

1、当您付费下载文档后,您只拥有了使用权限,并不意味着购买了版权,文档只能用于自身使用,不得用于其他商业用途(如 [转卖]进行直接盈利或[编辑后售卖]进行间接盈利)。
2、本站所有内容均由合作方或网友上传,本站不对文档的完整性、权威性及其观点立场正确性做任何保证或承诺!文档内容仅供研究参考,付费前请自行鉴别。
3、如文档内容存在违规,或者侵犯商业秘密、侵犯著作权等,请点击“违规举报”。

碎片内容

青海高校大型贵重仪器设备开放基金管理办法(试行)

确认删除?
VIP
微信客服
  • 扫码咨询
会员Q群
  • 会员专属群点击这里加入QQ群
客服邮箱
回到顶部