电脑桌面
添加小米粒文库到电脑桌面
安装后可以在桌面快捷访问

00检修工作标准化流程

00检修工作标准化流程_第1页
1/17
00检修工作标准化流程_第2页
2/17
00检修工作标准化流程_第3页
3/17
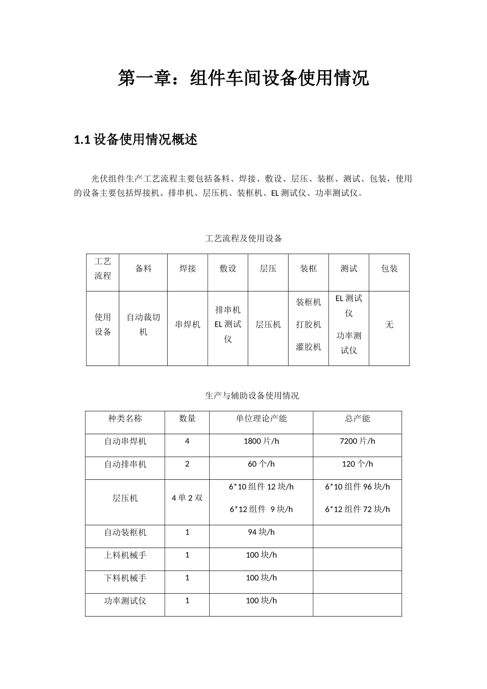
目 录第一章:组件车间设备使用情况...............................................................21.1 设备使用情况概述.................................................................21.2 主要设备平面布置图..............................................................31.3 生产设备与辅助设备联动关系表..............................................5第二章:组件车间设备检修规程...............................................................62.1 检修组织结构及岗位职责分工.................................................62.1.1 设备主管岗位职责........................................................62.1.2 检修班长岗位职责........................................................72.1.3 设备维修工岗位职责.....................................................72.2 组件车间的系统启停..............................................................82.2.1 组件车间逐步启动程序..................................................82.2.1.1 检查车间外围设施................................................82.2.1.2 设备开机顺序......................................................82.2.1.3 生产要求检查的设备及标准需求.............................92.2.1.4 设备使用时的安全防护措施...................................92.2.2 组件车间停产程序........................................................92.2.3 检修工作任务的发起、传达、执行、检查程序................102.2.3.1 维护保养流程....................................................102.2.3.2 配件上报流程....................................................102.2.3.3 点检流程..........................................................102.2.4 故障报修及汇总分析程序.............................................112.2.4.1 故障处理在 30min 内.........................................112.2.4.2 故障处理需 30min 以上......................................112.2.4.3 故障处理需设备部协助.......................................122.2.4.4 故障汇总分析....................................................12第三章:组件车间的停产检修.......................

1、当您付费下载文档后,您只拥有了使用权限,并不意味着购买了版权,文档只能用于自身使用,不得用于其他商业用途(如 [转卖]进行直接盈利或[编辑后售卖]进行间接盈利)。
2、本站所有内容均由合作方或网友上传,本站不对文档的完整性、权威性及其观点立场正确性做任何保证或承诺!文档内容仅供研究参考,付费前请自行鉴别。
3、如文档内容存在违规,或者侵犯商业秘密、侵犯著作权等,请点击“违规举报”。

碎片内容

00检修工作标准化流程

您可能关注的文档

确认删除?
VIP
微信客服
  • 扫码咨询
会员Q群
  • 会员专属群点击这里加入QQ群
客服邮箱
回到顶部