电脑桌面
添加小米粒文库到电脑桌面
安装后可以在桌面快捷访问

外墙外保温技术交底

外墙外保温技术交底_第1页
1/4
外墙外保温技术交底_第2页
2/4
外墙外保温技术交底_第3页
3/4
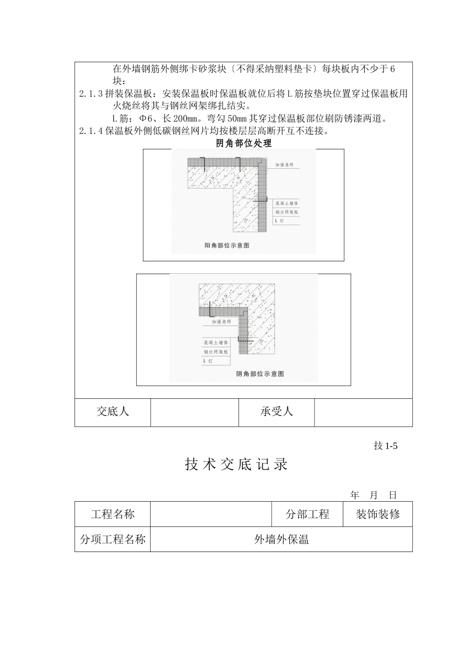
技 1-5 技 术 交 底 记 录 年月日工程名称分部工程装饰装修分项工程名称外墙外保温交底内容:EPS 钢丝网架板现浇混凝土外墙外保温系统工程施工方案1.施工准备1.1 技术准备a.熟悉各方提供的有关图纸资料做好内业。b.理解材料性能掌握施工要领明确施工顺序。c.与提供成套材料和技术的企业联络并由该企业派员在现场对工人进展培训和做技术指导。1.2 材料准备a.保温材料:厚度按设计要求表观度 18-22kg/m3自熄型单层钢丝网架聚苯泡沫保温板。b.保温板与墙体连接材料:L 型 Φ6 钢筋。c.抗裂砂浆抹灰层材料:普通硅酸盐水泥 P.O32.5 中砂干粉料或聚合物乳液防裂外加剂。d.面层:面砖或涂料按设计要求。1.3 机具准备盒尺、墨斗、断丝钳、手锯、等。2.施工顺序2.1.外墙外保温安装2.1.1 外墙钢筋绑扎经历收合格后方可进展保温板安装。交底人承受人技 1-5 技 术 交 底 记 录 年月日工程名称分部工程装饰装修分项工程名称外墙外保温2.1.2 根据设计所要求的墙体厚度弹程度线及垂直线以确定外墙厚度尺寸同时在外墙钢筋外侧绑卡砂浆块〔不得采纳塑料垫卡〕每块板内不少于 6块:2.1.3 拼装保温板:安装保温板时保温板就位后将 L 筋按垫块位置穿过保温板用火烧丝将其与钢丝网架绑扎结实。L 筋:Φ6、长 200mm。弯勾 50mm 其穿过保温板部位刷防锈漆两道。2.1.4 保温板外侧低碳钢丝网片均按楼层层高断开互不连接。阴角部位处理交底人承受人技 1-5 技 术 交 底 记 录 年月日工程名称分部工程装饰装修分项工程名称外墙外保温2.2.模板安装宜采纳钢模板〔或木模〕。按保温板厚度确定模板配置尺寸、数量。2.2.1 按弹出之墙线位置安装模板在底层混凝土强度不低于 7.5 Mpa 时安装开场。安装上一层模板时利用下一层外墙螺栓孔挂三角平台架。〔平安防护架〕2.2.2 安装外墙外侧模板安装前须在现浇混凝土墙体的根部或保温板外侧实行可靠的定位措施以防模板挤靠保温板。模板放在三角平台架上将模板就位穿螺栓紧固校正连接必须严、结实以防止出现错台和漏浆现象。交底人承受人内容总结(1)技 1-5 技 术 交 底 记 录 年月日技 1-5 技 术 交 底 记 录 年月日技 1-5 技 术 交 底 记 录 年月日

1、当您付费下载文档后,您只拥有了使用权限,并不意味着购买了版权,文档只能用于自身使用,不得用于其他商业用途(如 [转卖]进行直接盈利或[编辑后售卖]进行间接盈利)。
2、本站所有内容均由合作方或网友上传,本站不对文档的完整性、权威性及其观点立场正确性做任何保证或承诺!文档内容仅供研究参考,付费前请自行鉴别。
3、如文档内容存在违规,或者侵犯商业秘密、侵犯著作权等,请点击“违规举报”。

碎片内容

外墙外保温技术交底

您可能关注的文档

确认删除?
VIP
微信客服
  • 扫码咨询
会员Q群
  • 会员专属群点击这里加入QQ群
客服邮箱
回到顶部