电脑桌面
添加小米粒文库到电脑桌面
安装后可以在桌面快捷访问

市政工程脚手架搭设施工通用安全技术交底

市政工程脚手架搭设施工通用安全技术交底_第1页
1/3
市政工程脚手架搭设施工通用安全技术交底_第2页
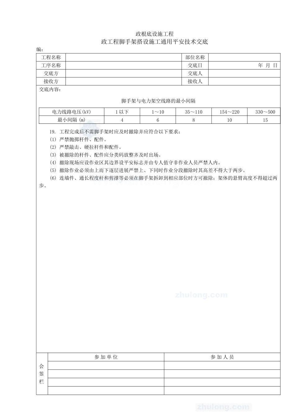
2/3
市政工程脚手架搭设施工通用安全技术交底_第3页
3/3
政根底设施工程政工程脚手架搭设施工通用平安技术交底编:工程名称部位名称工序名称交底日 年 月 日交底方交底人接收方接收人交底内容:1. 在城区、居民区等人员活动和出行的场所外脚手架的外侧应遮挡。2. 脚手架支搭前应检查杆件及其配件确认合格。严禁使用不合格的杆件及其配件。3. 脚手架高度超过 40m 且有风涡流作用时应实行抗上升翻流作用的连墙措施。4. 脚手架停用较长时间后使用前必须对架体进展检查验收确认合格并形成。5. 脚手架搭设完成后必须进展质量检查经历收合格并形成后方可交付使用。6. 上下脚手架必须设置斜道、平安梯等攀登设施;攀登设施应巩固并与脚手架连接结实。7. 脚手架应按规定采纳连墙件与构筑物相连接在使用间不得撤除;脚手架不得与模板支架相连接。8. 风力六级〔含〕以上、高温、大雨、大雪、大雾、沙尘暴等恶劣天气应停顿露天脚手架搭设、撤除等作业。9. 架子操作工搭设、撤除脚手架必须设专人指挥。指挥人员应为操作技能较高的架子工。作业时必须戴平安帽、系平安带、穿防滑鞋。10. 脚手架必须由架子操作工搭设和撤除;架子工必须经专业培训考试合格持证上岗并定体检不适于高处作业者不得进展脚手架作业。11. 脚手架必须配合施工进度搭设一次搭设高度不得超过相邻连墙件以上两步;每搭设一步应按相应规定检查架体质量发现超过允许偏向值必须立即纠正。12. 作业平台与斜道临边必须设防护栏杆和挡脚板防护栏杆和挡脚板应搭设在立杆内侧;防护栏杆必须设 两道上杆高应为 1.2m 下杆高应为 70cm ;挡脚板高度不得小于 18cm。13. 落地式脚手架的根底应坚实、平整、不积水满足脚手架荷载设计值的要求立杆底部应设置垫板和纵、横扫地杆;当脚手架支搭于构筑物上时应对其构造承载力进展验算确认平安。14. 脚手架使用间应常常检查、维护保持完好;严禁在架体根底及其附近进展挖掘作业;严禁擅自撤除架体杆件和连接件;需要临时撤除局部杆件时必须事先经主部门批准实行加固措施并形成。15. 特别情况下由于条件限制脚手架需跨越道路、人员活动场所时应在立杆内侧立挂平安网;在脚手架跨越范围的道路上方必须搭设防护棚;棚必须巩固、严其高度不得小于 3m 宽度不得小于架子宽。16. 落地式构造脚手架作业平台上的施工荷载不宜超过 3kN/m2;落地式装修脚手架作业平台和斜道上的施工荷载不宜超过 2kN/m2;悬挑式脚手架和吊篮式脚手架的施工荷载不宜超过 1kN/m2;特别脚手架的施工荷载不得超过施...

1、当您付费下载文档后,您只拥有了使用权限,并不意味着购买了版权,文档只能用于自身使用,不得用于其他商业用途(如 [转卖]进行直接盈利或[编辑后售卖]进行间接盈利)。
2、本站所有内容均由合作方或网友上传,本站不对文档的完整性、权威性及其观点立场正确性做任何保证或承诺!文档内容仅供研究参考,付费前请自行鉴别。
3、如文档内容存在违规,或者侵犯商业秘密、侵犯著作权等,请点击“违规举报”。

碎片内容

市政工程脚手架搭设施工通用安全技术交底

您可能关注的文档

阳光书坊+ 关注
实名认证
内容提供者

阳光书坊,传播未来

确认删除?
VIP
微信客服
  • 扫码咨询
会员Q群
  • 会员专属群点击这里加入QQ群
客服邮箱
回到顶部