电脑桌面
添加小米粒文库到电脑桌面
安装后可以在桌面快捷访问

某超市店装饰工程监理规划

某超市店装饰工程监理规划_第1页
1/18
某超市店装饰工程监理规划_第2页
2/18
某超市店装饰工程监理规划_第3页
3/18
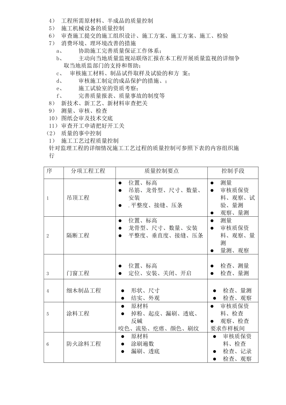
B12 B12上海农工商超〔常熟〕店装饰 工程监理规划监理规划 内容提要: 工程概况 监理工作范围、目的和根据 监理组织机构、人员装备、岗位职责 监理工作内容、和措施监理工作制度、工作程序监理设施 监理〔章〕: 总监理工程师: 技术负责人: 日: 江苏建立监制监理规划一、工程工程概况:一、二楼〔三楼部分〕装饰工程安装水电、消防、暖通等。二、〔一〕建立: 上海农工商超〔二〕工程特点概述1、施工工时间紧、要求严格不能拖延。2、施工质量和必须严格控制。三、工程目的工目的、质量目的、控制目的见下列图序工程名称工目的质量目的目的〔万元〕1上海农工商超〔常熟店〕装饰工程2024.9 月底合格四、监理任务范围 负责工程建立的质量, 进度控制及平安、文明消费理, 抓好 设计变更, 工程量签证, 组织并主持技术交底会, 组织各种工程例会协调会、专题会和各类验收。监理的阶段:施工阶段五、监理组织机构:针对本工程特征和工程特征组建如下适应本工程的监理班子。根据工程的进展情况将进展适应的补充和调整。(一)监理组织机构框架:总监负责、总工把关、监理工程师现场监视。(二)驻地监理人员构成: (三)各业务组的职责范围1、施工阶段的质量控制(1) 质量的事前控制1) 掌握和熟悉质量控制的技术根据2) 审查质量保证体系、施工队伍、施工理人员资质3) 施工场地的质量检验验收总监理工程师戴文清水电监理工程师 沈 军监理工程 师 陈宇君4) 工程所需原材料、半成品的质量控制5) 施工机械设备的质量控制6) 审查施工提交的施工组织设计、施工方案、施工方案、施工、检验7) 消费环境、理环境改善的措施a、协助施工完善质量保证工作体系;b、主动向当地质量监视站联络汇报在本工程开展质量监视的详细争取当地质监部门的支持和帮助;c、 审核施工材料、制品试件取样及试验的和方 案;d、审核施工制定的成品保护的措施、;e、施工试验室的资质考察;f、完善质量报表、质量事故的制度等8) 新技术、新工艺、新材料审查把关9) 测量、审核、检查10)图纸会审及技术交底11)审查开工申请把好开工关(2) 质量的事中控制1) 施工工艺过程质量控制针对监理工程的详细情况施工工艺过程的质量控制可参照下表的内容组织施行序分项工程工程质量控制要点控制手段1吊顶工程位置、标高吊筋、龙骨型、尺寸、数量、安装.平整度、接缝、压条测量审核质保资料、观察、试验、量测观察、量测2隔断工程位...

1、当您付费下载文档后,您只拥有了使用权限,并不意味着购买了版权,文档只能用于自身使用,不得用于其他商业用途(如 [转卖]进行直接盈利或[编辑后售卖]进行间接盈利)。
2、本站所有内容均由合作方或网友上传,本站不对文档的完整性、权威性及其观点立场正确性做任何保证或承诺!文档内容仅供研究参考,付费前请自行鉴别。
3、如文档内容存在违规,或者侵犯商业秘密、侵犯著作权等,请点击“违规举报”。

碎片内容

某超市店装饰工程监理规划

您可能关注的文档

一帆文传+ 关注
实名认证
内容提供者

欢迎光临店铺,各类公文供您挑选。

确认删除?
VIP
微信客服
  • 扫码咨询
会员Q群
  • 会员专属群点击这里加入QQ群
客服邮箱
回到顶部