电脑桌面
添加小米粒文库到电脑桌面
安装后可以在桌面快捷访问

10KV线路常用金具

10KV线路常用金具_第1页
1/15
10KV线路常用金具_第2页
2/15
10KV线路常用金具_第3页
3/15
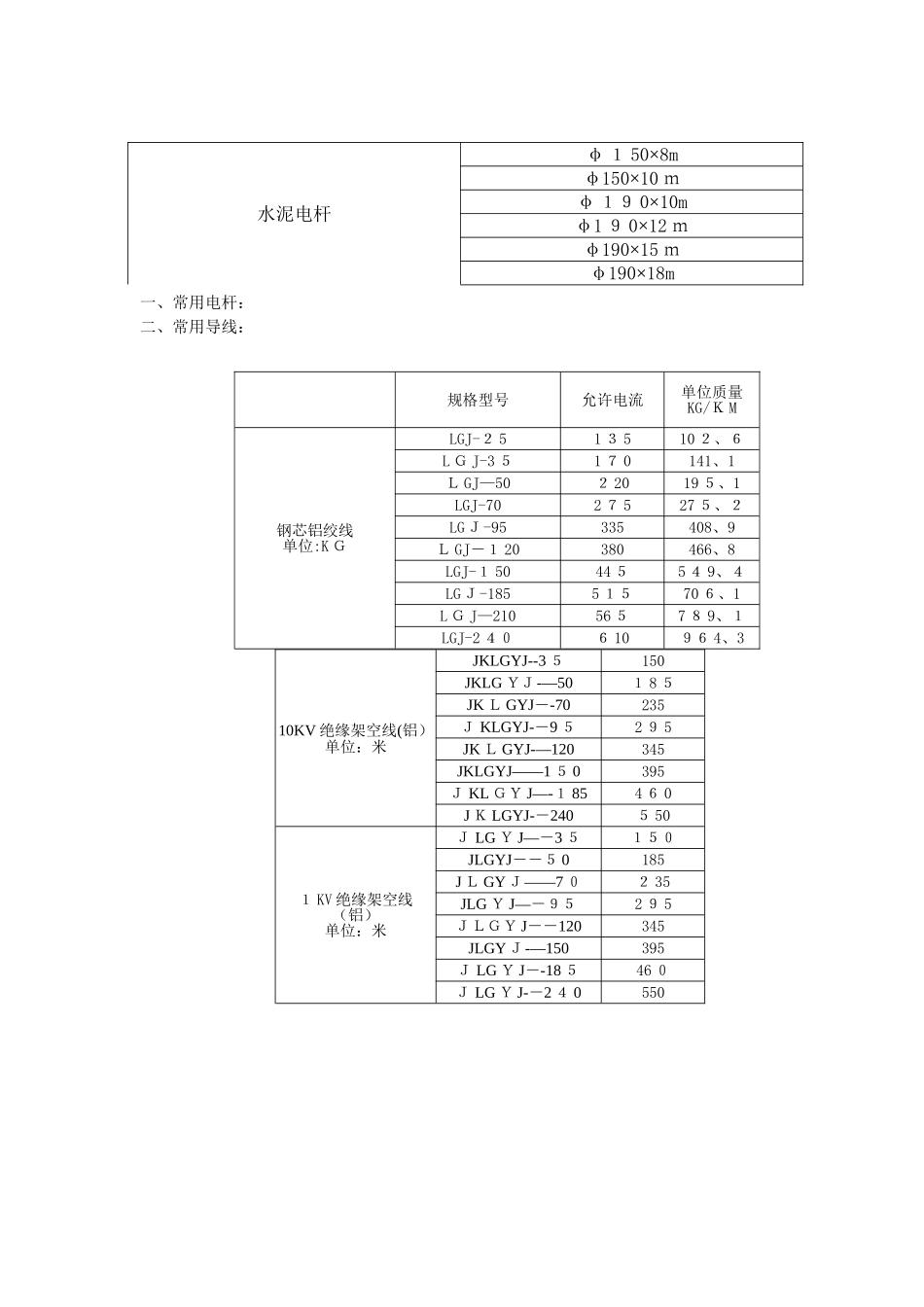
一、常用电杆:二、常用导线:水泥电杆φ 1 50×8mφ150×10 mφ 19 0×10mφ1 9 0×12 mφ190×15 mφ190×18m规格型号允许电流单位质量KG/K M钢芯铝绞线单位:K GLGJ-2 51 3 5 10 2、6 L G J-3 51 7 0 141、1 L GJ—502 20 19 5、1LGJ-702 7 5 27 5、2LG J-95335 408、9L GJ-1 20380 466、8LGJ-1 5044 5 5 4 9、4LG J-1855 15 70 6、1L G J—21056 5 7 8 9、1LGJ-2 406 10 96 4、310KV 绝缘架空线(铝)单位:米JKLGYJ--3 5150JKLG YJ-—501 8 5JK L GYJ--70235J KLGYJ--9 52 9 5JK L GYJ-—120345JKLGYJ——1 5 0395J KL GY J—-1 854 6 0J K LGYJ--2405 501 KV 绝缘架空线(铝)单位:米J LG Y J—-3 5150JLGYJ--5 0185J L GY J——7 02 35JLG Y J—-952 9 5JLGY J--120345JLGY J-—150395J LG Y J--18 546 0J LG Y J--2 4 05503×7ﻫ22-铠装(钢皮)YJ L V2 2/10 KV-3×952821822 3 5214Y J L V22/10K V—3×1 246YJLV 2 2/1 0K V—3×827 8YJLV 2 2/10K V-3×1 854YJLV22/10KV-3×2 47 3Y J LV22/1 0 KV—3×3428规格型号空气中敷设直埋地下铜芯铝芯铜芯铝芯低压电缆单位:米VLV—4*3 50VLV—4*563VLV—-4*70 0VLV--4*952 5 21 9 53 102 4 0VLV--4*1273VLV—-4*3305VL V—-4*18 53852 994 4 63 46V LV-—4*2 40 2VLV-—4*34 5 4规格型号BL X-铝芯橡皮绝缘线BX-铜芯橡皮绝缘线铝芯绝缘线BLX—1685 B LX-2 511 0 B L X-3 5138 BLX-5 0175 B L X-7 0220 BL X—9 5265 BL X-1 20310 BLX-1503 60 铜芯线B X-2、53 5 B X-445 BX-65 8 BX—1 08 5 BX-1 61 10 BX-251 45 B X-3 51 8 0 B X-5 0230 B X—70285 B X-95345 BX-1 2 0400 BX-150470 B X-1 855 40 三、常用金具:复合针式绝缘子F PQ4-1 0/4T1 6◆ F 代表复合;P 代表针式;Q 代表防污型 ◆4 代表防污等级 ◆ <1 0/3>额定电压(kv)/额定弯曲负荷(k N)ﻫ ◆T—铁横担;L-玻璃钢横担;M-木横担 ◆<20>钢脚直径(mm)钢绞线G...

1、当您付费下载文档后,您只拥有了使用权限,并不意味着购买了版权,文档只能用于自身使用,不得用于其他商业用途(如 [转卖]进行直接盈利或[编辑后售卖]进行间接盈利)。
2、本站所有内容均由合作方或网友上传,本站不对文档的完整性、权威性及其观点立场正确性做任何保证或承诺!文档内容仅供研究参考,付费前请自行鉴别。
3、如文档内容存在违规,或者侵犯商业秘密、侵犯著作权等,请点击“违规举报”。

碎片内容

10KV线路常用金具

确认删除?
VIP
微信客服
  • 扫码咨询
会员Q群
  • 会员专属群点击这里加入QQ群
客服邮箱
回到顶部