电脑桌面
添加小米粒文库到电脑桌面
安装后可以在桌面快捷访问

25吨吊车计算书

25吨吊车计算书_第1页
1/5
25吨吊车计算书_第2页
2/5
25吨吊车计算书_第3页
3/5
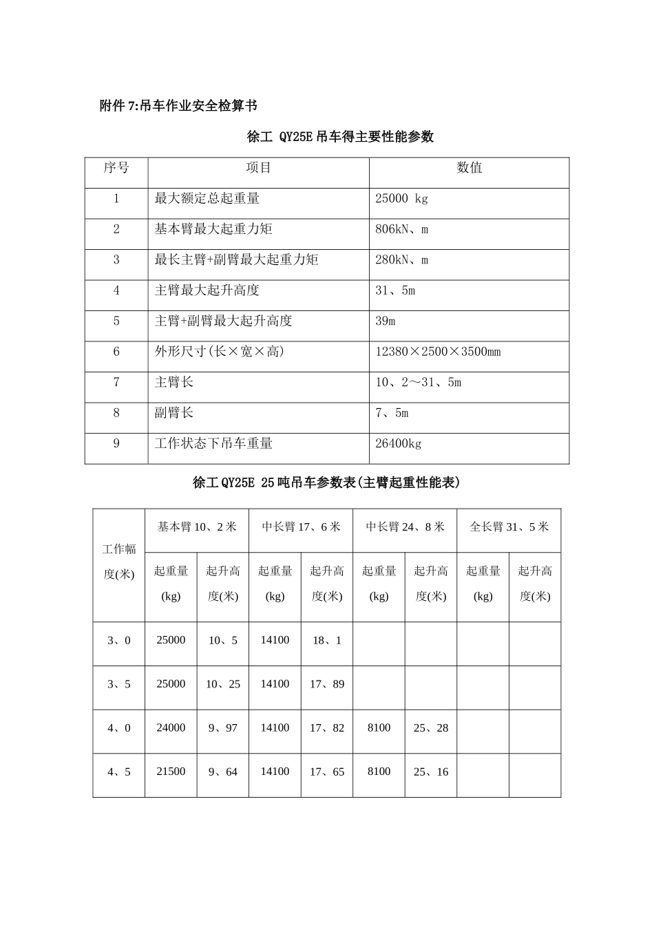
附件 7:吊车作业安全检算书徐工 QY25E 吊车得主要性能参数序号项目数值1最大额定总起重量25000 kg2基本臂最大起重力矩806kN、m3最长主臂+副臂最大起重力矩280kN、m4主臂最大起升高度31、5m5主臂+副臂最大起升高度39m6外形尺寸(长×宽×高)12380×2500×3500mm7主臂长10、2~31、5m8副臂长7、5m9工作状态下吊车重量26400kg徐工 QY25E 25 吨吊车参数表(主臂起重性能表)工作幅度(米)基本臂 10、2 米中长臂 17、6 米中长臂 24、8 米全长臂 31、5 米起重量(kg)起升高度(米)起重量(kg)起升高度(米)起重量(kg)起升高度(米)起重量(kg)起升高度(米)3、02500010、51410018、13、52500010、251410017、894、0240009、971410017、82810025、284、5215009、641410017、65810025、16工作幅度(米)基本臂 10、2 米中长臂 17、6 米中长臂 24、8 米全长臂 31、5 米起重量(kg)起升高度(米)起重量(kg)起升高度(米)起重量(kg)起升高度(米)起重量(kg)起升高度(米)5、0187009、281350017、47800025、035、5170008、861320017、26800024、89600032、326145008、391300017、04800024、74600032、27114007、221150026、54721024、41560031、95891005、54945015、95686024、02530031、669775015、27650023、59450031、3310631014、48600023、1400030、9712460012、49450021、94350030、131435009、6356020、51320029、1216300018、74290027、9318230016、52220026、5220180013、61170024、952215009、29140022、924110020、54工作幅度(米)基本臂 10、2 米中长臂 17、6 米中长臂 24、8 米全长臂 31、5 米起重量(kg)起升高度(米)起重量(kg)起升高度(米)起重量(kg)起升高度(米)起重量(kg)起升高度(米)2685017、62864013、712955011、07倍率10643钓钩重量250kg主臂最小仰角28ο30ο20ο19ο主臂最大仰角68ο76ο78ο78ο① 吊车绳索检算吊索拉力:P 拉=QJ/Nsin850QJ=k 动×G 设钢丝绳破断力:P= P 拉×k其中: P 拉-吊索拉力; QJ—计算载荷;k 动—动载荷系数 1、1; G 设—16m 得 40b 工字钢重量为 1、18t+吊钩与钢丝绳重量0 、 25t=1 、 43t; 预 制 混 凝 土 基 础 重 量 为 6 、 55t+ 吊 钩 与 钢 丝 绳 重 量0、25t=6、8t N―吊索分支数,吊工字钢时为 2;吊混凝土基础时为 4。 P―钢丝绳破断力; K—安全系数 6;1、吊 16m 工字钢时:P 拉=QJ/Nsin85°=1、1×1、43/2sin85°=0、79tP= P 拉×k =0...

1、当您付费下载文档后,您只拥有了使用权限,并不意味着购买了版权,文档只能用于自身使用,不得用于其他商业用途(如 [转卖]进行直接盈利或[编辑后售卖]进行间接盈利)。
2、本站所有内容均由合作方或网友上传,本站不对文档的完整性、权威性及其观点立场正确性做任何保证或承诺!文档内容仅供研究参考,付费前请自行鉴别。
3、如文档内容存在违规,或者侵犯商业秘密、侵犯著作权等,请点击“违规举报”。

碎片内容

25吨吊车计算书

MY shop+ 关注
实名认证
内容提供者

欢迎挑选适合自己的材料。

相关文档

确认删除?
VIP
微信客服
  • 扫码咨询
会员Q群
  • 会员专属群点击这里加入QQ群
客服邮箱
回到顶部