电脑桌面
添加小米粒文库到电脑桌面
安装后可以在桌面快捷访问

XX公司质量、环境、职业健康安全管理手册

XX公司质量、环境、职业健康安全管理手册_第1页
1/89
XX公司质量、环境、职业健康安全管理手册_第2页
2/89
XX公司质量、环境、职业健康安全管理手册_第3页
3/89
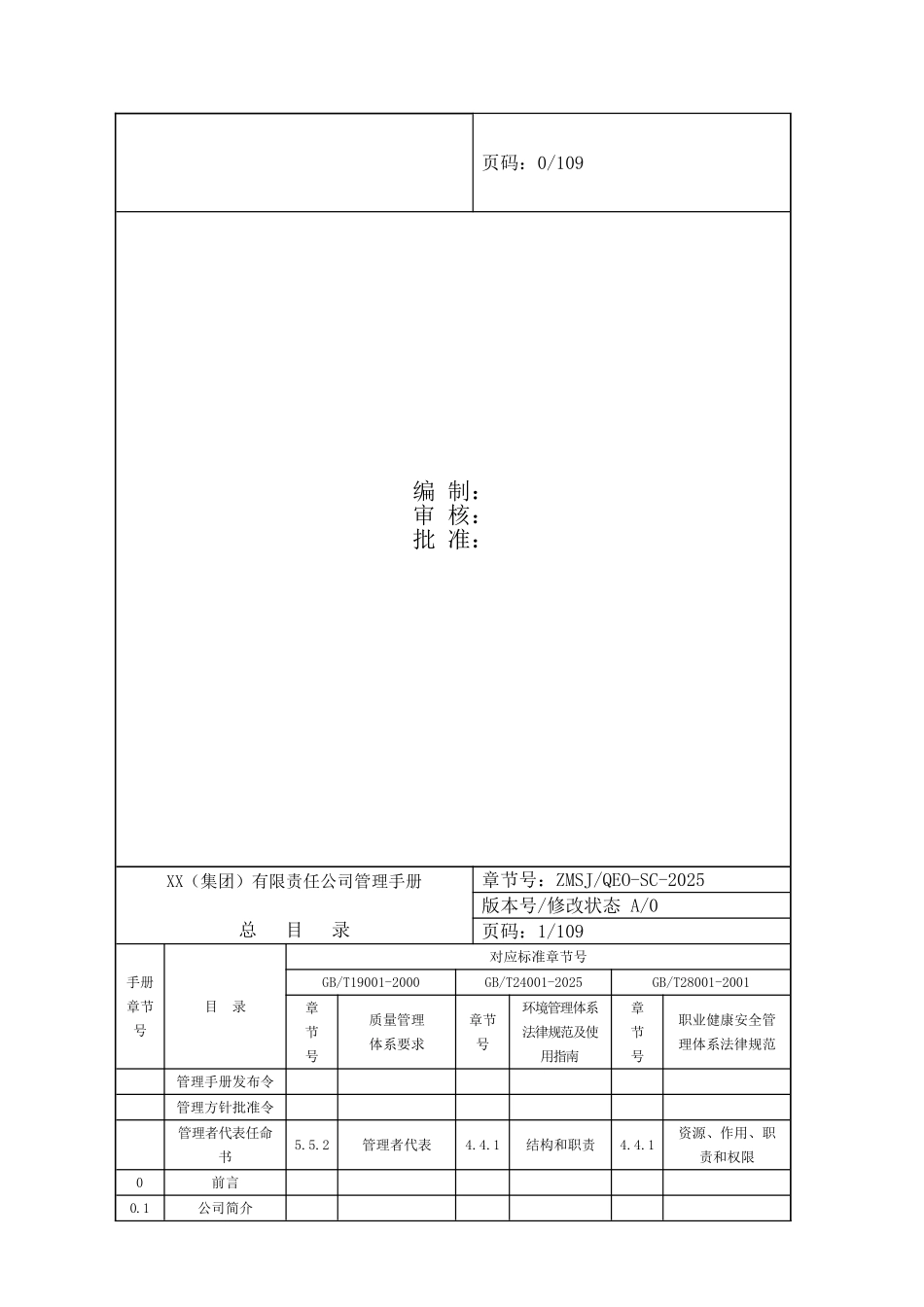
XX(集团)有限责任公司质量、环境、职业健康安全 GB/T19001-2000 idt ISO9001-2000依据 GB/T24001-2025 idt ISO14001-2025 标准编制 GB/T28001-2001 idt OHSAS18001:1999 管 理 手 册 文件编号: 版本号/修改状态: 受控状态:发放编号: 发布日期:200 年 4 月 2 日 实施日期:200 年 4 月 2 日 XX(集团)有限责任公司管理手册章节号: 版本号/修改状态 A/0 页码:0/109 编 制: 审 核: 批 准: XX(集团)有限责任公司管理手册 总 目 录章节号:ZMSJ/QEO-SC-2025版本号/修改状态 A/0页码:1/109手册章节号目 录对应标准章节号GB/T19001-2000GB/T24001-2025GB/T28001-2001章节号质量管理体系要求章节号环境管理体系法律规范及使用指南章节号职业健康安全管理体系法律规范 管理手册发布令 管理方针批准令 管理者代表任命书5.5.2管理者代表4.4.1结构和职责4.4.1资源、作用、职责和权限0前言 0.1公司简介 0.2手册管理 1范围1范围1范围1范围2引用标准2引用标准2引用标准2法律规范性引用文件3术语和定义3术语和定义3定义3术语和定义4一体化管理体系 质量管理体系4环境管理体系4职业健康安全管理要素4.1总要求4.1总要求4.1总要求4.1总要求4.2文件要求 4.2.1体系文件结构内容4.2.1总则4.4.4文件4.4.4文件4.2.2管理手册4.2.2质量手册4.4.4文件4.4.4文件4.2.3文件控制4.2.3文件控制4.4.5文件控制4.4.5文件和资料控制4.2.4记录控制4.2.4记录控制4.5.4记录控制4.5.4记录和记录管理5管理职责5管理职责4.4.1组织结构和职责4.4.1结构和职责5.1管理承诺5.1管理承诺4.2环境方针4.2职业健康安全方针5.2以顾客和相关方为关注焦点5.2以顾客为关注焦点4.3.2法律法规和其他要求4.3.2法规和其它要求5.3管理方针5.3质量方针4.2环境方针4.2职业健康安全方针5.4策划 5.4.1管理目标、指标5.4.1质量目标、指标4.3.3目标和指标4.3.3目标5.4.2质量管理体系策划5.4.2质量管理体系策划 5.4.3环境、安全因素策划 4.3.1环境因素4.3.1对危险源辨识风险评价和风险控制的策划5.4.4环境安全因素策划 4.3.3目标、指标和方案4.3.3职业健康安全管理方案5.4.5法律法规及其他要求 4.3.2法律法规和其他要求4.3.2法规和其它要求XX(集团)有限责任公司管理手册 总 目 录章节号:ZMSJ/QEO-SC-2025版本号/修改状态 A/0页码:2/109手册章节号目 录对应标准章节号GB/T19001-2000GB/T24001-2025GB/T28001-2001章节号质量管理体系...

1、当您付费下载文档后,您只拥有了使用权限,并不意味着购买了版权,文档只能用于自身使用,不得用于其他商业用途(如 [转卖]进行直接盈利或[编辑后售卖]进行间接盈利)。
2、本站所有内容均由合作方或网友上传,本站不对文档的完整性、权威性及其观点立场正确性做任何保证或承诺!文档内容仅供研究参考,付费前请自行鉴别。
3、如文档内容存在违规,或者侵犯商业秘密、侵犯著作权等,请点击“违规举报”。

碎片内容

XX公司质量、环境、职业健康安全管理手册

您可能关注的文档

确认删除?
VIP
微信客服
  • 扫码咨询
会员Q群
  • 会员专属群点击这里加入QQ群
客服邮箱
回到顶部