电脑桌面
添加小米粒文库到电脑桌面
安装后可以在桌面快捷访问

北航机械设计课程设计设计计算说明书

北航机械设计课程设计设计计算说明书_第1页
1/18
北航机械设计课程设计设计计算说明书_第2页
2/18
北航机械设计课程设计设计计算说明书_第3页
3/18
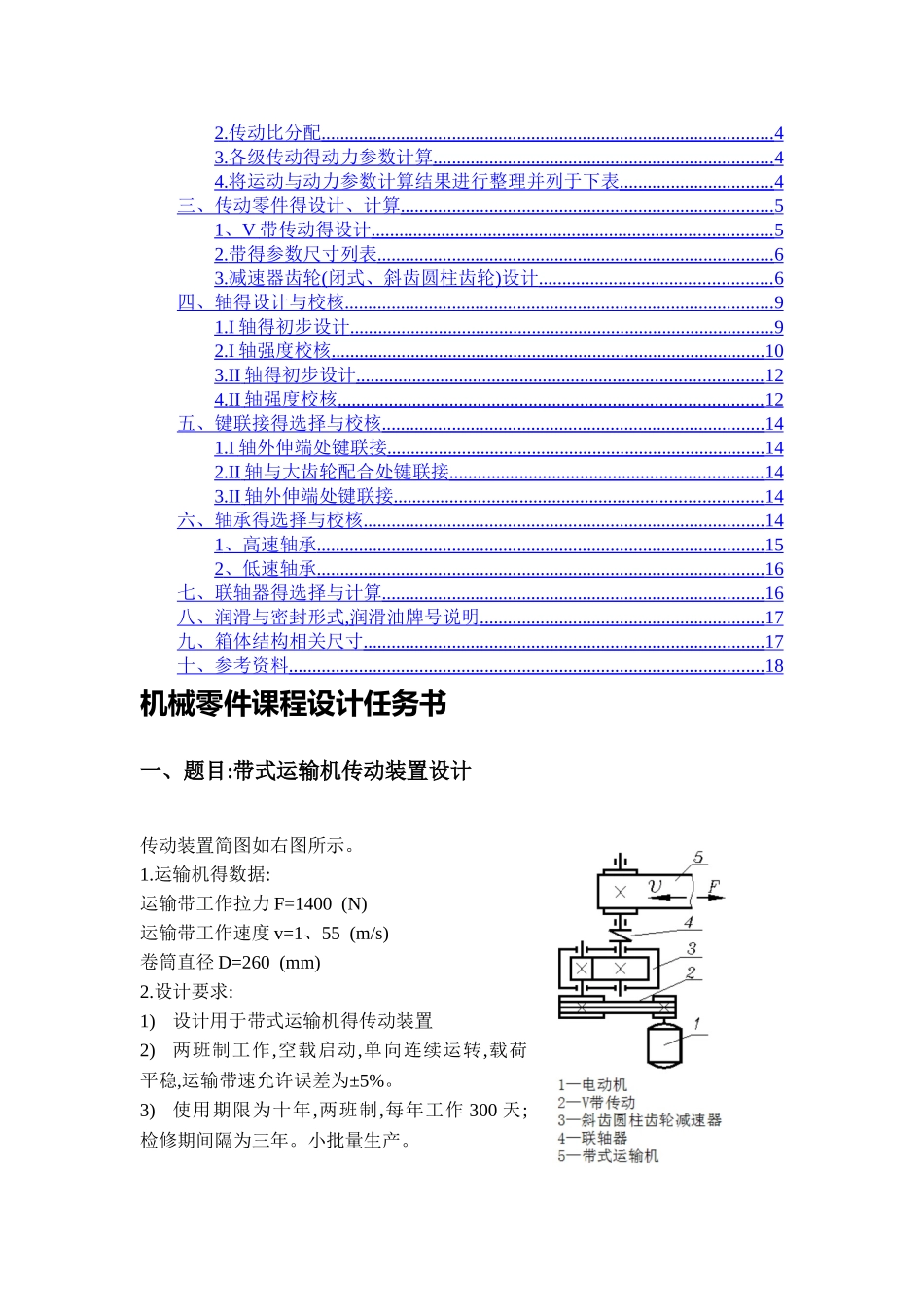
机械设计课程设计计算说明书设计题目带式运输机传动装置设计 I ****学院(系)****班设计者 sc 指导老师 *** 2025 年 5 月 12 日(北京航空航天大学)前言本设计为机械设计基础课程设计得内容,就是先后学习过画法几何、机械原理、机械设计、工程材料、加工工艺学等课程之后得一次综合得练习与应用。本设计说明书就是对带式运输机传动装置设计 I 得说明,该传动装置使用广泛,本次设计就是使用已知得使用与安装参数自行设计机构具体尺寸、选择材料、校核强度,并最终确定形成图纸得过程。通过设计,我们回顾了之前关于机械设计得课程,并加深了对很多概念得理解,并对设计得一些基本思路与方法有了初步得了解与掌握。目录前言................................................................................................................................2机械零件课程设计任务书 ............................................................................................ 2 一、题目 : 带式运输机传动装置设计 ................................................................... 2 二、设计任务 ........................................................................................................ 3 三、具体作业 ........................................................................................................ 3 主要零部件得设计计算 ................................................................................................ 3 一、传动方案得确定 ............................................................................................ 3 二、电动机得选择、传动系统得运动与动力参数 ............................................ 3 1. 电动机得选择 ............................................................................................. 3 2. 传动比分配 ................................................................................................. 4 3. 各级传动得动力参数计算 ......................................................................... 4 4. 将运动与动力参数计算结果进行整理并列于下表 ................................. 4 三、传动零件得设计、计算 ...........................

1、当您付费下载文档后,您只拥有了使用权限,并不意味着购买了版权,文档只能用于自身使用,不得用于其他商业用途(如 [转卖]进行直接盈利或[编辑后售卖]进行间接盈利)。
2、本站所有内容均由合作方或网友上传,本站不对文档的完整性、权威性及其观点立场正确性做任何保证或承诺!文档内容仅供研究参考,付费前请自行鉴别。
3、如文档内容存在违规,或者侵犯商业秘密、侵犯著作权等,请点击“违规举报”。

碎片内容

北航机械设计课程设计设计计算说明书

人从众+ 关注
实名认证
内容提供者

欢迎光临小店,本店以公文和教育为主,希望符合您的需求。

确认删除?
VIP
微信客服
  • 扫码咨询
会员Q群
  • 会员专属群点击这里加入QQ群
客服邮箱
回到顶部