电脑桌面
添加小米粒文库到电脑桌面
安装后可以在桌面快捷访问

塑料壳体的注射模具设计学位论文

塑料壳体的注射模具设计学位论文_第1页
1/27
塑料壳体的注射模具设计学位论文_第2页
2/27
塑料壳体的注射模具设计学位论文_第3页
3/27
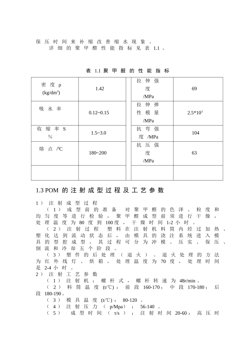
第 1 章塑 料 成 型 工 艺 性 分 析1.1塑 件 的 分 析(1 )外形尺寸 如图1.1 所示,该塑件壁厚为3mm~4mm , 塑 件 外 形 尺 寸 不 大 , 塑 料 熔 体 流 程 不 太长 , 塑 件 材 料 为 热 塑 性 塑 料 , 流 动 性 较 好 , 适 合于 注 射 成 型 。( 2 ) 精 度 等 级 任 务 书 中 塑 件 已 表 注 公 差 , 未注 公 差 取 MT5 , 可 查 参 考 书 。( 3 ) 脱 模 斜 度 POM 的 成 型 性 能 良 好 , 成 型 时收 缩 大 , 易 变 形 翘 曲 。 由 给 出 的 技 术 要 求 中 知 脱模 斜 度 为 30’~10, 这 里 取 10( 4 ) 塑 件 尺 寸 如 图 1.1 所 示 。 图1.1 塑件尺寸1.2 POM 塑 料 的 性 能 分 析(1) 使 用 性 能 : 综 合 力 学 性 能 突 出 , 比 强 度 、 比 刚度 接 近 金 属 , 可 代 替 钢 、 铝 、 铸 铁 等 制 造 多 种结 构 零 件 及 电 子 产 品 中 的 许 多 结 构 零 件 。(2) 成 型 性 能 : 成 型 收 缩 率 大 , 流 动 性 中 等 , 熔 融凝 固 速 度 快 , 注 射 时 速 度 要 快 。(3) 吸 湿 性 : 结 晶 性 材 料 , 不 易 吸 收 水 分 , 原 料 一般 不 干 燥 或 短 时 间 干 燥 。 ( 1000C,1—2h)性 能 指 标 : 聚 甲 醛 的 收 缩 率 很 大 , 需 尽 量 延 长保 压 时 间 来 补 缩 改 善 缩 水 现 象 。详 细 的 聚 甲 醛 性 能 指 标 见 表 1.1 。表 1.1 聚 甲 醛 的 性 能 指 标密 度 ρ (kg/dm3)1.42拉 伸 强度/MPa69吸 水 率0.12~0.15拉 伸 弹性 模 量/MPa2.5*103收 缩 率 S%1.5~3.0抗 弯 强度 /MPa104熔 点 /0C180~200抗 压 强度/MPa631.3 POM 的 注 射 成 型 过 程 及 工 艺 参 数1 ) 注 射 成 型 过 程( 1 ) 成 型 前 的 准 备 对 聚 甲 醛 的 色 泽 、 粒 度 和均 匀 度 等 进 行 检 验 , 聚 甲 醛 成 型 前 须 进 行 干 燥 ,处 理 温 度 为 80 度 到 100 度 , 干 燥 时 间 1-2 小 时 。( 2 ) 注 射 过 程 塑 料 在 注 射 机 料...

1、当您付费下载文档后,您只拥有了使用权限,并不意味着购买了版权,文档只能用于自身使用,不得用于其他商业用途(如 [转卖]进行直接盈利或[编辑后售卖]进行间接盈利)。
2、本站所有内容均由合作方或网友上传,本站不对文档的完整性、权威性及其观点立场正确性做任何保证或承诺!文档内容仅供研究参考,付费前请自行鉴别。
3、如文档内容存在违规,或者侵犯商业秘密、侵犯著作权等,请点击“违规举报”。

碎片内容

塑料壳体的注射模具设计学位论文

您可能关注的文档

确认删除?
VIP
微信客服
  • 扫码咨询
会员Q群
  • 会员专属群点击这里加入QQ群
客服邮箱
回到顶部