电脑桌面
添加小米粒文库到电脑桌面
安装后可以在桌面快捷访问

安装工程常用图例大全

安装工程常用图例大全_第1页
1/6
安装工程常用图例大全_第2页
2/6
安装工程常用图例大全_第3页
3/6
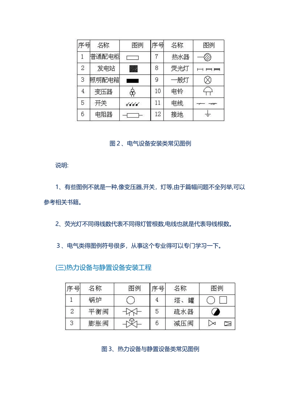
安装工程常用图例大全!安装工程施工图由设计说明,图例,平面图、系统图、局部设施、详图等组成。安装工程常用图例(一)机械设备安装工程图 1、机械设备安装类常用图例说明:1、机床一般在图纸里进行标号,然后在图纸下面列出机床设备表。2、风机与泵就是由三角形得底部至顶点方向流动。(二)电气设备安装工程图2、电气设备安装类常见图例说明:1、有些图例不就是一种,像变压器,开关,灯等,由于篇幅问题不全列举,可以参考相关书籍。2、荧光灯不同得线数代表不同得灯管根数,电线也就是代表导线根数。3、电气类得图例符号很多,从事这个专业得可以专门学习一下。(三)热力设备与静置设备安装工程图 3、热力设备与静置设备类常见图例(四)工业管道工程图 4、工业管道类常见图例说明:有些图例利用字母表示管道类型,有些利用线性表示,如给水管与排水管,还可以有热水(R),污水(W),雨水(Y),空调供水(KG),空调回水(K H)等不再一一列举。(五)消防工程图 5、消防类常用图例说明:1、喷洒头,图上所列上面为闭式,下面为开式。2、报警阀画得就是系统图表现形式。3、室内消防栓前面就是平面图表现形式,后面就是系统图表现形式。(六)给排水、采暖、燃气工程图 6、给排水、采暖、燃气类常用图例(七)通风空调工程图 7、通风空调常用图例说明:1、图中 1 空调设备左侧适用于不带转动部分得设备,右侧适用于带转动部分得设备。2、风机盘管得符号,现在很多设计院都就是在上面进行标注,如 F P-51WA等。3、风管仅表示平面图,根据风管截面得不同有圆形风管与矩形风管。4、图中14风管防火阀,通常表示得 70℃常开防火阀,旋转 90℃即为常闭。5、图中1 5 风管排烟阀,通常表示得 280℃常闭排烟阀,同样旋转 90℃即为常开。(八)自动化控制仪表安装工程图 8、自动化控制仪表类常用图例

1、当您付费下载文档后,您只拥有了使用权限,并不意味着购买了版权,文档只能用于自身使用,不得用于其他商业用途(如 [转卖]进行直接盈利或[编辑后售卖]进行间接盈利)。
2、本站所有内容均由合作方或网友上传,本站不对文档的完整性、权威性及其观点立场正确性做任何保证或承诺!文档内容仅供研究参考,付费前请自行鉴别。
3、如文档内容存在违规,或者侵犯商业秘密、侵犯著作权等,请点击“违规举报”。

碎片内容

安装工程常用图例大全

您可能关注的文档

确认删除?
VIP
微信客服
  • 扫码咨询
会员Q群
  • 会员专属群点击这里加入QQ群
客服邮箱
回到顶部