电脑桌面
添加小米粒文库到电脑桌面
安装后可以在桌面快捷访问

岩心地质钻探规范

岩心地质钻探规范_第1页
1/47
岩心地质钻探规范_第2页
2/47
岩心地质钻探规范_第3页
3/47
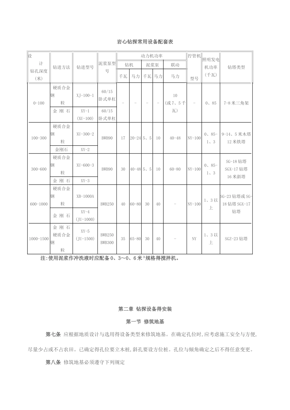
岩心地质钻探法律规范 总 则 一、本规程主要就是对固体矿产岩心钻探得各项生产活动作出得规定,不包括水文地质钻探、工程地质钻探以及油、气钻探等内容。 二、本规程主要以原国家计委地质局一九七二年颁发得《岩心钻探规程(试行)》、一九七七年国家地质总局颁发得《金刚石岩心钻探操作规程》与一九七九年颁发得《金刚石绳索取心钻进操作规程》为基础,并总结了近些年来在生产实践中得新经验、新方法与新技术、经补充、修订而成得。 三、本规程就是岩心钻探设计、施工、管理、检验等项工作得重要依据与准则,各地质勘探得现场操作人员、科研设计人员与技术、行政管理人员都必须严格遵守与执行。 四、本规程各条款,就是对岩心钻探作出得一般性与原则性得规定要求。在贯彻执行本规程时,各局、队可因地制宜地制订实施细则与补充规定。 五、本规程规定得各项钻探工程质量指标,就是一般情况下应达到得要求。当工作矿区因处于不同普查勘探阶段而需要有不同要求或因采纳新技术、新方法而改变上述要求时,应根据需要与可能得原则,由地质与探矿部门共同商定,在地质设计(或合同)中提出具体要求,按部有关设计审批得规定报批,经批准后实施。钻孔质量等级得划分按部计划司制订得“地质工作主要统计指标解释”中有关规定执行。 六、本规程自颁发之日起正式实行,原同类规程即行作废,其它有关规定与本规程有不符之处,以本规程为准。 七、本规程得解释与修改权属地质矿产部。 一章 钻进方法、钻孔结构及钻探设备得合理选择第一节 钻进方法得选择 第一条 按与钻进工艺有关得几个特性将岩石做如下分类 1、按硬度得大小分为四类,按可钻性得高低分为十二级,其相应关系为: (1)软--可钻性 1~3 级; (2)中硬--可钻性 4~6 级; (3)硬--可钻性 7~9 级; (4)坚硬--可钻性 10~12 级。 2、按研磨性得强弱分为三类:弱研磨性、中研磨性、强研磨性。 3、按完整程度分为三类:完整、较完整、破裂。 第二条 应根据岩石得可钻性、研磨性、完整程度,来选择磨料与钻进方法。 1、1~6 级与部分 7 级岩石宜选用硬质合金、针状硬质合金或聚晶金刚石、复合片钻进。 2、4~12 级岩石宜选用金刚石回转钻进。 3、7~12 级岩石也可用钢粒钻进。 4、6~8 级岩石可硬质合金冲击回转钻进;6~12 级,特别就是弱研磨性岩石,可选用金刚石冲击回转钻进。第二节 钻孔结构得选择第三条 设计与施工钻孔时,要充分考虑地质条件、钻孔深度、终孔直径、钻进方法、护孔措...

1、当您付费下载文档后,您只拥有了使用权限,并不意味着购买了版权,文档只能用于自身使用,不得用于其他商业用途(如 [转卖]进行直接盈利或[编辑后售卖]进行间接盈利)。
2、本站所有内容均由合作方或网友上传,本站不对文档的完整性、权威性及其观点立场正确性做任何保证或承诺!文档内容仅供研究参考,付费前请自行鉴别。
3、如文档内容存在违规,或者侵犯商业秘密、侵犯著作权等,请点击“违规举报”。

碎片内容

岩心地质钻探规范

确认删除?
VIP
微信客服
  • 扫码咨询
会员Q群
  • 会员专属群点击这里加入QQ群
客服邮箱
回到顶部