电脑桌面
添加小米粒文库到电脑桌面
安装后可以在桌面快捷访问

年产170万m2彩钢夹芯板生产项目环评报告

年产170万m2彩钢夹芯板生产项目环评报告_第1页
1/59
年产170万m2彩钢夹芯板生产项目环评报告_第2页
2/59
年产170万m2彩钢夹芯板生产项目环评报告_第3页
3/59
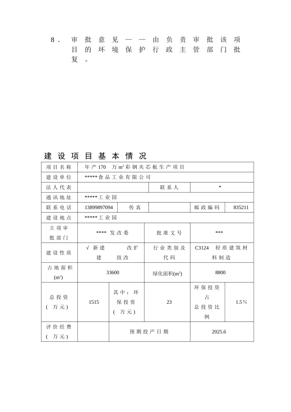
《 建 设 项 目 环 境 影 响 报 告 表 》 编 制说 明《建设项目环境影响报告表》由具有从事环境影响评价工作资质的单位编制。 1 .项目名称——指项目立项批复时的名称,应不超过30个字(两个英文字段作一个汉字)。 2 .建设地点——指项目所在地详细地址,公路、铁路应填写起止地点。 3 .行业类别——按国标填写。 4 .总投资——指项目投资总额。 5 .主要环境保护目标——指项目周围一定范围内集中居民住宅区、学校、医院、保护文物、风景名胜区、水源地和生态敏感点等,应尽可能给出保护目标、性质、规模和距厂界距离等。 6 .结论与建议——给出本项目清洁生产、达标排放总量控制的分析结论,确定污染防治措施的有效性,说明本项目对环境造成的影响,给出建设项目环境可行性的明确结论。同时提出减少环境影响的其它建议。 7 .预审意见——由行业主管部门填写答复意见,无主管部门项目,可不填。 8 .审批意见——由负责审批该项目的环境保护行政主管部门批复。建 设 项 目 基 本 情 况项 目 名 称年 产 170万 m2 彩 钢 夹 芯 板 生 产 项 目建 设 单 位*****食 品 工 业 有 限 公 司法 人 代 表联 系 人*通 讯 地 址*****工 业 园联 系 电 话13899897094传 真邮 政 编 码835211建 设 地 点*****工 业 园立 项 审批 部 门**** 发 改 委批 准 文 号***建 设 性 质√ 新 建 改 扩建 技 改行 业 类 别 及代 码C3124轻 质 建 筑 材料 制 造占 地 面 积(m2)33600绿化面积(m2)8800总 投 资(万 元 )1515其 中 : 环保 投 资(万 元 )23环 保 投 资占总 投 资 比例1.5%评 价 经 费(万 元 )预 期 投 产 日 期2025.6工程内容及规模:1.项目建设背景及建设的必要性随着哈萨克斯坦经济的快速进展,对建筑材料的需求量日益旺盛。聚苯乙烯塑料保温板及彩钢夹芯板的需求量巨大,目前哈萨克斯坦境内处于供不应求的状态,产品销售有着巨大的市场。在此基础上,*****食品工业有限公司拟在中哈边境的*****工业园建立聚苯乙烯保温板及彩钢夹芯板生产基地,产品所用原料在中国采购,成本相对哈国较低。聚苯乙烯塑料保温板及彩钢夹芯板生产线利用中国的先进技术和设备以及丰富的劳动力资源。总的生产成本与在哈萨克斯坦境内生产相比低近三分之一。故在哈萨克斯坦及其它中亚国家市场具有很强的市场竞争力。2...

1、当您付费下载文档后,您只拥有了使用权限,并不意味着购买了版权,文档只能用于自身使用,不得用于其他商业用途(如 [转卖]进行直接盈利或[编辑后售卖]进行间接盈利)。
2、本站所有内容均由合作方或网友上传,本站不对文档的完整性、权威性及其观点立场正确性做任何保证或承诺!文档内容仅供研究参考,付费前请自行鉴别。
3、如文档内容存在违规,或者侵犯商业秘密、侵犯著作权等,请点击“违规举报”。

碎片内容

年产170万m2彩钢夹芯板生产项目环评报告

确认删除?
VIP
微信客服
  • 扫码咨询
会员Q群
  • 会员专属群点击这里加入QQ群
客服邮箱
回到顶部