电脑桌面
添加小米粒文库到电脑桌面
安装后可以在桌面快捷访问

开工报告及附件

开工报告及附件_第1页
1/8
开工报告及附件_第2页
2/8
开工报告及附件_第3页
3/8
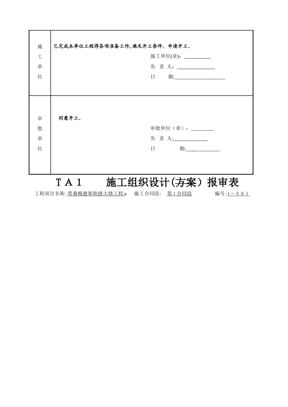
开工报告及附件一、说明开工报告就是工程开工得前提,也就是竣工文件得重要组成部分,各施工单位应予以高度重视.1、标段总体开工报告各标段施工单位于拟开工日期 7 日前提交《开工报告单》及相关资料后,由项目公司组织相关人员对以下条件检查确认,满足要求后由项目公司批准开工报告:⑴ 标段实施施工组织设计已获批准;⑵ 施工单位现场施工、管理人员已到位,机具、主要工程材料已落实。⑶ 标段控制桩及水准点复测已完成,复测成果报告已经项目公司批准。⑷ 标段总体设计图纸已到位。⒉ 单位工程开工报告施工单位于单位工程开工日期5日前提交《开工报告单》及相关资料后,由项目公司工程部组织相关人员对以下条件检查确认,满足要求后由项目公司工程部批准单位工程得开工报告:⑴ 单位工程施工方案已获批准;⑵ 施工图纸满足施工需要;⑶ 复测与技术交底工作均已完成,施工桩橛完备;⑷ 施工单位得质量保证体系、管理制度已落实;专职管理人员、特种作业人员得资格证、上岗证已具备且具有保证工程质量得能力;⑸ 施工机具、设备、材料、周转料、劳力已进场且能满足开工需要;⑹ 三通一平满足要求,样板工程(试验段)施工方案已获批准;⑺ 施工现场安全、文明施工及环境保护措施符合规程规定.⒊ 开工报告需报送得书面材料⑴ 标段(单位工程)开工报告单⑵ 附件:T A 1 施工组织设计(方案)报审表TA 4进场施工机械、设备报验单T A 5 主要进场人员报审表TA 6进场材料构配件设备报验单T A7 施工测量放样报验单4、表格编号说明:二、开工报告及附件样表1、莫桑梅德斯铁路大修工程开工报告单···P 82、施工组织设计(方案)报审表···P93、进场施工机械、设备报验单···P 104、主要进场人员报审表···P115、进场材料构配件设备报验单···P 1 26、施工测量放样报验单···P13莫桑梅德斯铁路大修工程开工报告单所属合同段第一合同段工程名称DK 4 2 5+50 0~D K5 0 8+000段线下工程计划开工日期*年*月*日 计划竣工日期 *年*月*日 工程简要内容(本合同段得工程简介)施工准备情况(工程开工所满足得条件)主要措施 (针对本合同段工程项目内容制定得简要得施工方案)施工单位已完成本单位工程得各项准备工作,满足开工条件,申请开工。施工单位(章): 负 责 人: 日 期: 审批单位 同意开工。审批单位(章): 负 责 人: 日 期: T A1 施工组织设计(方案)报审表工程项目名称:莫桑...

1、当您付费下载文档后,您只拥有了使用权限,并不意味着购买了版权,文档只能用于自身使用,不得用于其他商业用途(如 [转卖]进行直接盈利或[编辑后售卖]进行间接盈利)。
2、本站所有内容均由合作方或网友上传,本站不对文档的完整性、权威性及其观点立场正确性做任何保证或承诺!文档内容仅供研究参考,付费前请自行鉴别。
3、如文档内容存在违规,或者侵犯商业秘密、侵犯著作权等,请点击“违规举报”。

碎片内容

开工报告及附件

确认删除?
VIP
微信客服
  • 扫码咨询
会员Q群
  • 会员专属群点击这里加入QQ群
客服邮箱
回到顶部