电脑桌面
添加小米粒文库到电脑桌面
安装后可以在桌面快捷访问

产品表面外观缺陷的限定标准

产品表面外观缺陷的限定标准_第1页
1/11
产品表面外观缺陷的限定标准_第2页
2/11
产品表面外观缺陷的限定标准_第3页
3/11
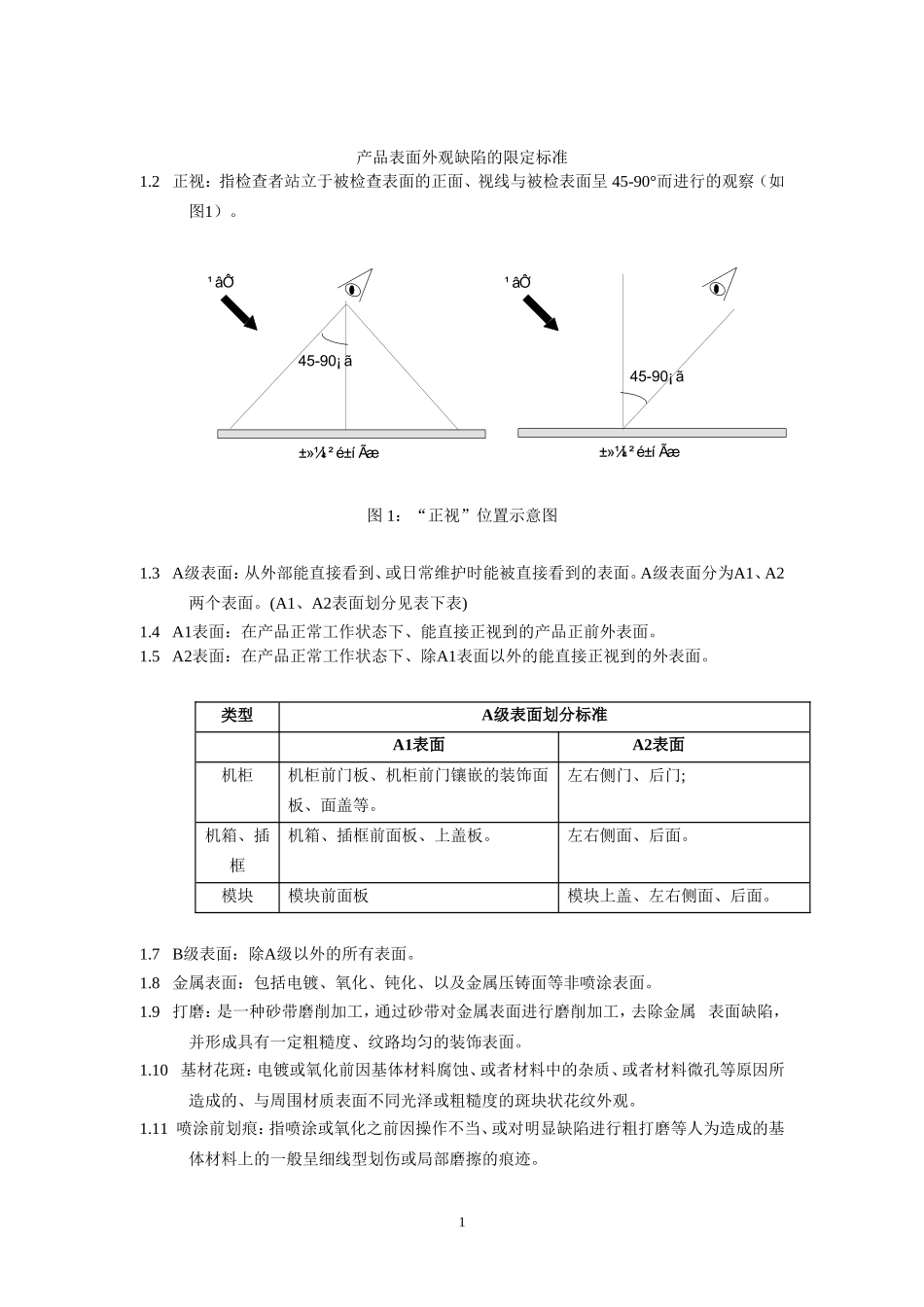
产品表面外观缺陷的限定标准1.2 正视:指检查者站立于被检查表面的正面、视线与被检表面呈 45-90°而进行的观察(如图1)。45-90¡ ã¹ âÔ´±»¼ì ² é±í Ãæ45-90¡ ã¹ âÔ´±»¼ì ² é±í Ãæ图 1:“正视”位置示意图1.3 A级表面:从外部能直接看到、或日常维护时能被直接看到的表面。A级表面分为A1、A2 两个表面。(A1、A2表面划分见表下表)1.4 A1表面:在产品正常工作状态下、能直接正视到的产品正前外表面。1.5 A2表面:在产品正常工作状态下、除A1表面以外的能直接正视到的外表面。类型A级表面划分标准A1表面A2表面机柜机柜前门板、机柜前门镶嵌的装饰面板、面盖等。左右侧门、后门; 机箱、插框机箱、插框前面板、上盖板。左右侧面、后面。模块模块前面板模块上盖、左右侧面、后面。1.7 B级表面:除A级以外的所有表面。1.8 金属表面:包括电镀、氧化、钝化、以及金属压铸面等非喷涂表面。1.9 打磨:是一种砂带磨削加工,通过砂带对金属表面进行磨削加工,去除金属 表面缺陷,并形成具有一定粗糙度、纹路均匀的装饰表面。1.10 基材花斑:电镀或氧化前因基体材料腐蚀、或者材料中的杂质、或者材料微孔等原因所造成的、与周围材质表面不同光泽或粗糙度的斑块状花纹外观。1.11 喷涂前划痕:指喷涂或氧化之前因操作不当、或对明显缺陷进行粗打磨等人为造成的基体材料上的一般呈细线型划伤或局部磨擦的痕迹。11.12 浅划痕:膜层表面划伤,但未伤至底层(即底层未暴露);对其它无膜层表面则为:目测不明显、手指甲触摸无凹凸感、未伤及材料本体的伤痕。 1.13 深划痕:表面膜层划伤,且已伤至底层(即底层已暴露出来);对无膜层表面则为:目测明显、手指甲触摸有凹凸感、伤及材料本体的伤痕。1.14 凹坑:由于基体材料缺陷、或在加工过程中操作不当等原因而在材料表面留下的小坑状痕迹。1.15 凹凸痕:因基材受撞击或校形不良等而呈现出的明显变形、凹凸不平整的现象,手摸时有不平感觉。 1.16 打磨区:对基材上的腐蚀、划伤、焊接区、铆接区等部位进行机械打磨抛光后表现出的局部高光泽、光亮区域。1.17 烧伤:拉丝处理时因操作不当、造成零件表面过热而留下的烧蚀痕迹。1.18 水印: 电镀或氧化后因清洗水未及时干燥或干燥不彻底所形成的斑纹、印迹。1.29 缩水:因材料、工艺等原因使塑胶或压铸件表面出现凹陷的收缩现象。1.20 气泡:指因工艺原因内部出现的可见空气泡。1.21 砂眼:焊接或...

1、当您付费下载文档后,您只拥有了使用权限,并不意味着购买了版权,文档只能用于自身使用,不得用于其他商业用途(如 [转卖]进行直接盈利或[编辑后售卖]进行间接盈利)。
2、本站所有内容均由合作方或网友上传,本站不对文档的完整性、权威性及其观点立场正确性做任何保证或承诺!文档内容仅供研究参考,付费前请自行鉴别。
3、如文档内容存在违规,或者侵犯商业秘密、侵犯著作权等,请点击“违规举报”。

碎片内容

产品表面外观缺陷的限定标准

您可能关注的文档

确认删除?
VIP
微信客服
  • 扫码咨询
会员Q群
  • 会员专属群点击这里加入QQ群
客服邮箱
回到顶部