电脑桌面
添加小米粒文库到电脑桌面
安装后可以在桌面快捷访问

施工项目部标准化管理手册

施工项目部标准化管理手册_第1页
1/165
施工项目部标准化管理手册_第2页
2/165
施工项目部标准化管理手册_第3页
3/165
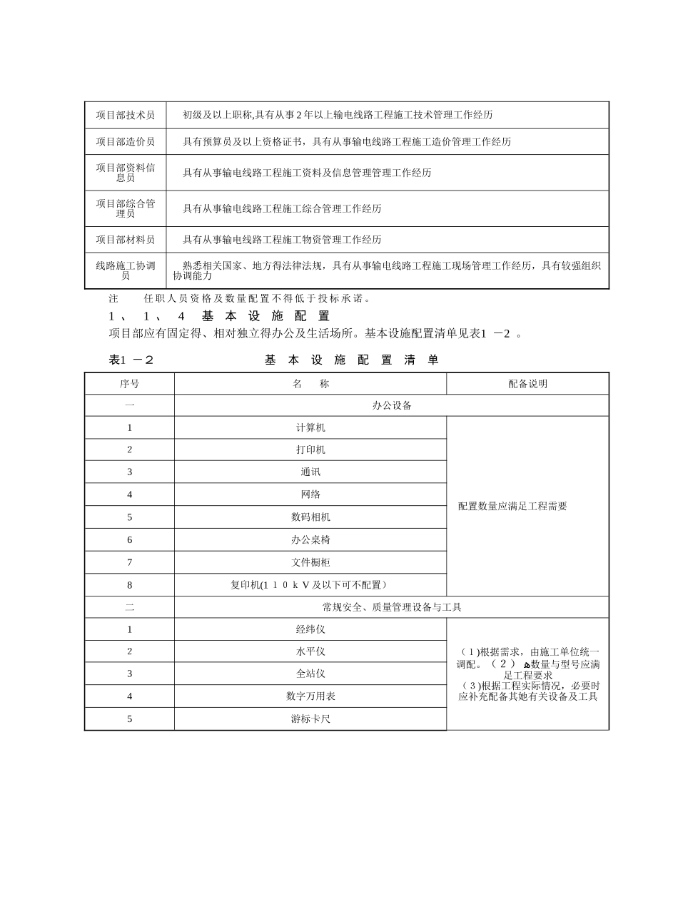
第 一 章 施 工 项 目 部 设 置1 、 1 施 工 项 目 部 组 建1、1、1 定位施工项目部就是指施工单位(项目承包人)成立并派驻施工现场, 代表施工单位改造施工承包合同得项目管理组织机构。1 、1、2 组建原则所有35k V及以上输电线路工程必须组建施工项目部, 施工单位应在工程项目启动前按已签订得施工合同组建施工项目部,并以文件形式任命项目经理及其她主要管理人员( 见附录C 中SSZ X1 ).施工项目部配备施工项目经理( 需要时可配备副经理)、项目总工、技术员、、安全员、质检员、造价员、资料信息员、材料员、综合 管理员等管理人员。施工项目部人员应保持相对稳定,项目经理不应同时承担两个及以上未完项目得管理工作, 安全员、质检员必须为专职、不可兼任项目其她岗位。施工单位不得随意撤换项目经理, 特别原因需要撤换时,按有关合同规定征得建设管理单位同意后办理变更手续,并报监理项目部备案。1 、1、3 任职条件项目经理由具备良好项目综合管理能力与良好协调能力得管理人员担任,其它管理人员由具备专业管理能力与丰富实践经验得人员担任。施工项目部组成人员任职条件见表1-1 。2、 任职条件项目经理需要具备基建项目综合管理能力与良好协调能力得管理人员担任, 项目部机构得一般管理人员应具备专业管理能力与丰富实践经验得人员担任。各施工项目部组成人员任职条件见表1-2 。表1-2施 工 项 目 部 组 成 人 员 任 职 条 件岗 位任 职 条 件项目经理取得工程建设类相应专业注册建造师资格证书(3 30kV 及以上项目取得一级注册建造师证书,220kV及以下项目取得二级及以上注册建造师证书),持有省级政府部门颁发得项目负责人安全生产考核合格证书与国家电网公司或省级公司颁发得安全培训合格证书.330kV 及以上项目具有从事3年以上输电线路工程施工管理经历,220kV 及以下项目具有从事 2 年以上输电线路工程施工管理经历项目副经理中级及以上职称或技师及以上资格,持有国家电网公司或省级公司颁发得安全培训合格证书。3 30kV 及以上项目具有从事 3 年以上输电线路工程施工管理经历,2 20kV 及以下项目具有从事 2 年以上输电线路工程施工管理经历项目总工持有国家电网公司或省级公司颁发得安全培训合格证书。220kV 及以上项目具有中级及以上技术职称且具有从事 3 个以上同类型输电线路工程施工管理经历,110kV 及以下项目具有初级及以上技术职称且具有...

1、当您付费下载文档后,您只拥有了使用权限,并不意味着购买了版权,文档只能用于自身使用,不得用于其他商业用途(如 [转卖]进行直接盈利或[编辑后售卖]进行间接盈利)。
2、本站所有内容均由合作方或网友上传,本站不对文档的完整性、权威性及其观点立场正确性做任何保证或承诺!文档内容仅供研究参考,付费前请自行鉴别。
3、如文档内容存在违规,或者侵犯商业秘密、侵犯著作权等,请点击“违规举报”。

碎片内容

施工项目部标准化管理手册

一帆文传+ 关注
实名认证
内容提供者

欢迎光临店铺,各类公文供您挑选。

确认删除?
VIP
微信客服
  • 扫码咨询
会员Q群
  • 会员专属群点击这里加入QQ群
客服邮箱
回到顶部