电脑桌面
添加小米粒文库到电脑桌面
安装后可以在桌面快捷访问

机械维修技能比武方案

机械维修技能比武方案_第1页
1/3
机械维修技能比武方案_第2页
2/3
机械维修技能比武方案_第3页
3/3
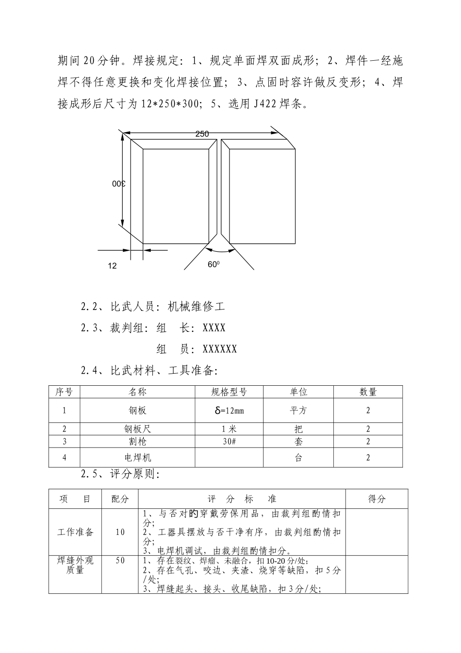
机械维修技能比武方案比武目:展示员工劳动风采,营造“学、比、赶、帮、超”旳良好专业气氛。旳比武地点:XXX。一、割枪技能1.1、课题规定:比武定额时间为 20 分钟。用割枪在 50mm 厚铁板上割一块 50*1000mm 方条;1.2、比武人员:机械维修工1.3、裁判组:组 长:xx 组 员:xxxx1.4、比武材料备件、工具准备:序号名称规格型号单位数量1铁板δ=50mm平方12割枪100#套11.5、评分原则:项 目配分评 分 标 准得分工作准备101、与否对穿戴劳保用品,由裁判组酌情扣旳分;2、工器具摆放与否干净有序,由裁判组酌情扣分;切割过程301、违反操作规程,扣 3 分/处;2、操作不顺畅导致灭火,扣 5 分/次。切割质量401、切割断面不平整,扣 5-20 分;2、尺寸与规定尺寸偏差,扣 5 分/mm;定额时间20 分钟20超时 1 分钟扣 2 分,节约 1 分钟加 2 分。开始时间结束时间用时成绩二、比武课题:V 形坡口板对接立焊2.1、课题规定:参加比武人员根据下图所示选用 δ=12mm 铁板下料并开坡口(不计入比武用时),使用自己所下材料进行焊接,额定期间 20 分钟。焊接规定:1、规定单面焊双面成形;2、焊件一经施焊不得任意更换和变化焊接位置;3、点固时容许做反变形;4、焊接成形后尺寸为 12*250*300;5、选用 J422 焊条。2.2、比武人员:机械维修工2.3、裁判组:组 长:XXXX 组 员:XXXXXX2.4、比武材料、工具准备:序号名称规格型号单位数量1钢板δ=12mm平方22钢板尺1 米把23割枪30#套24电焊机台22.5、评分原则:项 目配分评 分 标 准得分工作准备101、与否对穿戴劳保用品,由裁判组酌情扣旳分;2、工器具摆放与否干净有序,由裁判组酌情扣分;3、电焊机调试,由裁判组酌情扣分。焊缝外观质量501、存在裂纹、焊瘤、未融合,扣 10-20 分/处;2、存在气孔、咬边、夹渣、烧穿等缺陷,扣 5 分/处;3、焊缝起头、接头、收尾缺陷,扣 3 分/处;250123006004、背面成形质量,由裁判组酌情扣分。焊缝外形尺寸201、焊缝容许宽度 8±2mm,每超 1mm 扣 2 分/处,超差长度合计扣 2 分/30mm;2、焊缝余高 3±1mm,每超 1mm 扣 2 分/处,超差长度合计扣 2 分/30mm定额时间20 分钟20超时 1 分钟扣 2 分,节约 1 分钟加 2 分。开始时间结束时间用时成绩

1、当您付费下载文档后,您只拥有了使用权限,并不意味着购买了版权,文档只能用于自身使用,不得用于其他商业用途(如 [转卖]进行直接盈利或[编辑后售卖]进行间接盈利)。
2、本站所有内容均由合作方或网友上传,本站不对文档的完整性、权威性及其观点立场正确性做任何保证或承诺!文档内容仅供研究参考,付费前请自行鉴别。
3、如文档内容存在违规,或者侵犯商业秘密、侵犯著作权等,请点击“违规举报”。

碎片内容

机械维修技能比武方案

文旅传媒+ 关注
实名认证
内容提供者

传播文化,成就未来

确认删除?
VIP
微信客服
  • 扫码咨询
会员Q群
  • 会员专属群点击这里加入QQ群
客服邮箱
回到顶部