电脑桌面
添加小米粒文库到电脑桌面
安装后可以在桌面快捷访问

橡胶材料一般规范标准

橡胶材料一般规范标准_第1页
1/26
橡胶材料一般规范标准_第2页
2/26
橡胶材料一般规范标准_第3页
3/26
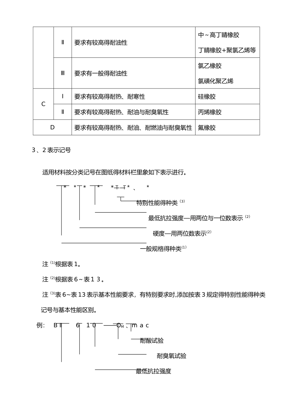
1 范围本标准适用于以天然橡胶、合成橡胶为主要原料,并添加配合剂制成得弹性橡胶材料,但就是,O 形密封圈、油封以及硬质橡胶、海绵与挤压成形得胶管材料除外。ﻫ 本标准适用于起动机得橡胶材料.2 法律规范性引用文件下列文件中得条款通过本标准得引用而成为本标准得条款。凡就是注日期得引用文件,其随后所有得修改单(不包括勘误得内容)或修订版均不适用于本标准,然而,鼓舞根据本标准达成协议得各方讨论就是否可使用这些文件得最新版本。凡就是不注日期得引用文件,其最新版本适用于本标准。3 种类与标识3、1 种类橡胶材料得种类见表 1。硬度、抗拉强度见表 6~表 13。特别性能得种类按表 2 得规定。基本性能与特别性能并用得时候按表3得要求限度。表 1一般规格得种类记号性况材料名称AⅠ不要求耐油性天然橡胶天然橡胶+丁苯橡胶Ⅱ不要求耐油性,但要求较高得耐侯、耐臭氧性三元乙丙橡胶等BⅠ要求有很高得耐油性极高丁睛橡胶Ⅱ要求有较高得耐油性中~高丁睛橡胶丁睛橡胶+聚氯乙烯等Ⅲ要求有一般得耐油性氯乙橡胶氯磺化聚乙烯CⅠ要求有较高得耐热、耐寒性硅橡胶Ⅱ要求有较高得耐热、耐油与耐臭氧性丙烯橡胶D要求有较高得耐热、耐油、耐燃油与耐臭氧性氟橡胶3、2 表示记号适用材料按分类记号在图纸得材料栏里象如下表示进行。 * * * * *——* 、 * 特别性能得种类(3) 最低抗拉强度—用两位与一位数表示(2) 硬度—用两位数表示(2) 一般规格得种类(1)注(1)根据表 1。注(2)根据表 6~表13。注(3)表 6~表 13 表示基本性能要求,有特别要求时,添加按表 3 规定得特别性能得种类记号与基本性能区别。例: B Ⅱ 6 1 0 ——OM 、m a c 耐酸试验 耐臭氧试验 最低抗拉强度 硬度(6 0 Hs) 种类(基本性能) 表 2 附带文字实验内容a老化实验b压缩永久弯曲试验c压力试验(2 0%时)d 1耐油试验(NO、1 油)d 3耐油试验(N O、3油)f1耐寒试验(-35±2℃90℃弯折)f2耐寒试验(-3 5±2℃1 80℃弯折)g耐燃料试验h拉裂试验m a c耐酸试验oH耐臭氧试验(50 0 p p mm×70小时伸长率3 0%)o M耐臭氧试验(50 0 p p mm×70小时伸长率 20%)oL耐臭氧试验(50 0 ppm m×70 小时伸长率 1 0%)p污染性试验(日照天然气表 2 00小时)w耐气候性试验z其她得特别试验表3一般规格得种类记忆 特别表格abcd1dff2ghmoBooLpz31acMAⅠBⅡBⅠB...

1、当您付费下载文档后,您只拥有了使用权限,并不意味着购买了版权,文档只能用于自身使用,不得用于其他商业用途(如 [转卖]进行直接盈利或[编辑后售卖]进行间接盈利)。
2、本站所有内容均由合作方或网友上传,本站不对文档的完整性、权威性及其观点立场正确性做任何保证或承诺!文档内容仅供研究参考,付费前请自行鉴别。
3、如文档内容存在违规,或者侵犯商业秘密、侵犯著作权等,请点击“违规举报”。

碎片内容

橡胶材料一般规范标准

确认删除?
VIP
微信客服
  • 扫码咨询
会员Q群
  • 会员专属群点击这里加入QQ群
客服邮箱
回到顶部